电脑桌面
添加小米粒文库到电脑桌面
安装后可以在桌面快捷访问

氧化铝物料平衡计算

氧化铝物料平衡计算_第1页
1/29
氧化铝物料平衡计算_第2页
2/29
氧化铝物料平衡计算_第3页
3/29
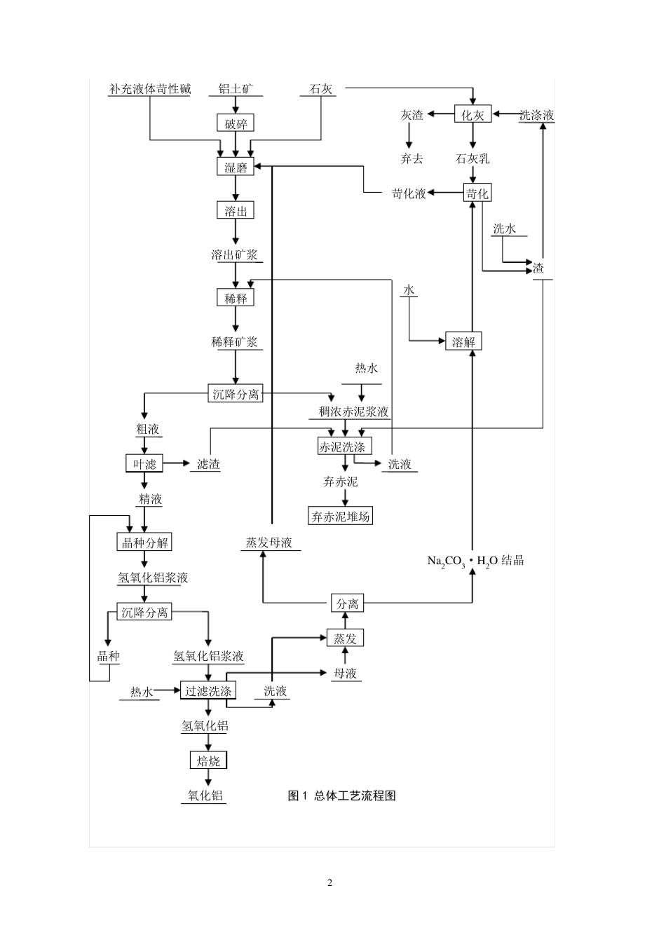
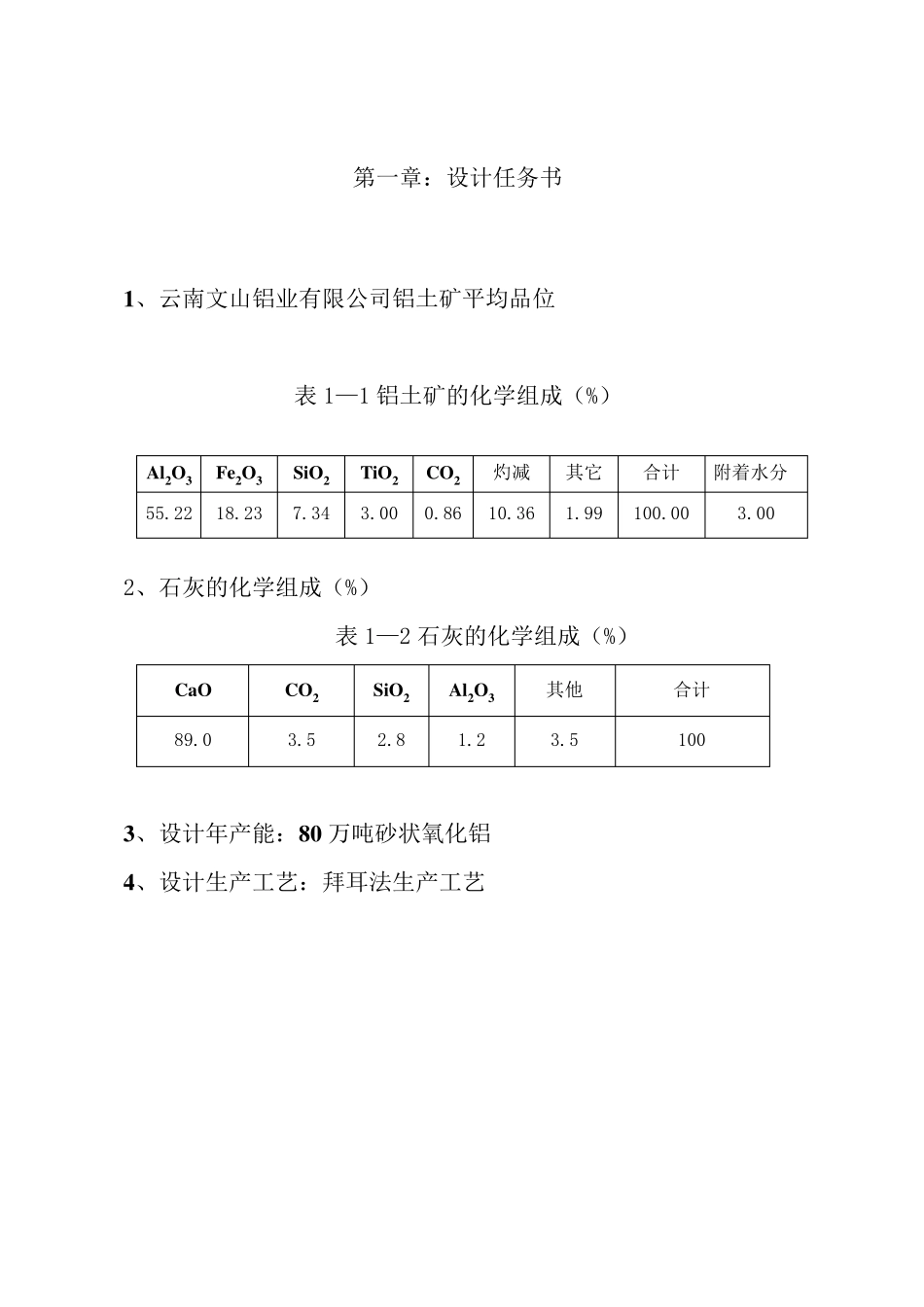
第一章:设计任务书 1、云南文山铝业有限公司铝土矿平均品位 表1—1 铝土矿的化学组成(%) Al2O3 Fe2O3 SiO2 TiO2 CO2 灼减 其它 合计 附着水分 55.22 18.23 7.34 3.00 0.86 10.36 1.99 100.00 3.00 2、石灰的化学组成(%) 表1—2 石灰的化学组成(%) CaO CO2 SiO2 Al2O3 其他 合计 89.0 3.5 2.8 1.2 3.5 100 3、设计年产能:80 万吨砂状氧化铝 4、设计生产工艺:拜耳法生产工艺 2 补充液体苛性碱 铝土矿 破碎 湿磨 溶出 溶出矿浆 稀释 稀释矿浆 沉降分离 粗液 叶滤 精液 晶种分解 氢氧化铝浆液 晶种 氢氧化铝浆液 过滤洗涤 氢氧化铝 焙烧 洗液 分离 蒸发 母液 沉降分离 氧化铝 图1 总体工艺流程图 蒸发母液 稠浓赤泥浆液 赤泥洗涤 弃赤泥 弃赤泥堆场 Na2CO3·H2O 结晶 溶解 苛化 石灰乳 化灰 灰渣 弃去 苛化液 水 洗水 洗涤液 石灰 洗液 滤渣 热水 热水 渣 3 第二章 技术条件及经济指标 2.1 原料工序 原料工序的技术条件和工艺指标如下表2-1。 表 2-1 原料工序技术条件和工艺指标 工艺条件 技术指标 Al2O3 含量 ≥50% A/S(10 天内平均波动) ±0.2 矿石块度 ≤30mm 铝矿石附水率 ≤5% 2.2 溶出工序 A)铝土矿的理论溶出率和实际溶出率 Al2O3 的理论溶出率:理论上矿石中可以溶出的Al2O3 量(扣除不可避免的化学损失)与矿石中的Al2O3 量之比称为 Al2O3 的理论溶出率(η理)。 Al2O3 的实际溶出率:在溶出时,实际溶出的Al2O3 量与矿石中的Al2O3 量之比称为 Al2O3 的实际溶出率(η实)。 根据表1-1 的数据,该铝土矿的铝硅比: A/S=55.22÷7.34=7.523, 故理论溶出率: η理 =ASA ×100%=2 2.5 53 4.72 2.5 5×100%= 86.708% 实际溶出率: η实 =矿赤矿)/()/()/(SASASA×100%=5 2 3.74 1.15 2 3.7×100%=81.257% 式中:η理——理论溶出率,%; η实——实际溶出率,%; Al2O3——铝矿石中 Al2O3 的百分含量,%; SiO2——铝矿石中 SiO2 的百分含量,%; (A/S)矿——铝矿石中的铝硅比; (A/S)赤——赤泥中的铝硅比; B)溶出温度 温度是影响溶出过程最主要的因素。随着温度的升高,氧化铝在碱溶液中的溶解度增大,溶出反应速度以及碱溶液与反应产物的扩散速度也增加,当其它溶出条件相同时,提高溶出温度总时使溶出速度加快,溶出设备产能显著提高。...

1、当您付费下载文档后,您只拥有了使用权限,并不意味着购买了版权,文档只能用于自身使用,不得用于其他商业用途(如 [转卖]进行直接盈利或[编辑后售卖]进行间接盈利)。
2、本站所有内容均由合作方或网友上传,本站不对文档的完整性、权威性及其观点立场正确性做任何保证或承诺!文档内容仅供研究参考,付费前请自行鉴别。
3、如文档内容存在违规,或者侵犯商业秘密、侵犯著作权等,请点击“违规举报”。

碎片内容

氧化铝物料平衡计算

小辰6+ 关注
实名认证
内容提供者

出售各种资料和文档

确认删除?
VIP
微信客服
  • 扫码咨询
会员Q群
  • 会员专属群点击这里加入QQ群
客服邮箱
回到顶部