电脑桌面
添加小米粒文库到电脑桌面
安装后可以在桌面快捷访问

水上抛石护坡施工方案

水上抛石护坡施工方案_第1页
1/9
水上抛石护坡施工方案_第2页
2/9
水上抛石护坡施工方案_第3页
3/9
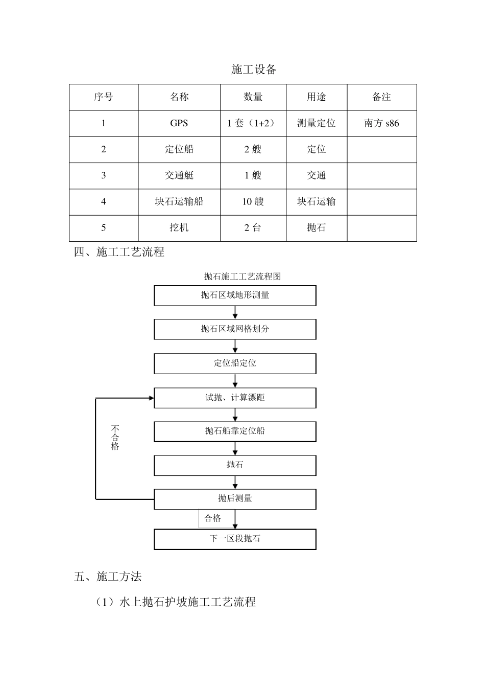
2011 年度长江航道整治建筑物维修工程(燕子窝水道Y R 1 护滩带右尾段、Y R 2护滩带右缘) 水上抛石护坡施工方案 编 制: 审 核: 上海长通疏浚工程有限公司 2011 年度长江中游燕子窝水道整治建筑物维修工程 项目经理部 二〇一一年十二月十六日 水上抛石护坡施工方案 一、水上抛石护坡概况 本方案为 2011 年度长江航道整治建筑物维修工程(燕子窝水道YR1 护滩带右尾段、YR2 护滩带右缘)。本工程水上抛石护坡包含 YR1护滩带右尾段和 YR2 护滩带右缘,抛石方量为 7595 m3。施工范围较小,可在规定工期内完成工程。平抛块石工程量如下表: 水下抛石护脚各区工程量统计表 序号 分项工程名称 单位 YR1 护滩带右尾段 YR2 护滩带右缘 合计 1 水上抛石护坡 m3 1313 6282 7595 2 合计 m3 7595 二、平抛块石施工工期安排 水上抛石护坡施工计划:2012 年 12 月 19 日至 12 月 22 日进行施工,计划工期 4 天。 水上抛石护坡工程量 7595m3。所用块石从嘉鱼县白云山采石场采购,在当地组织多艘 300T 机驳进行块石转运,可保证每日所需工程量。日计划抛石2550m3,机械抛石需 3 天完成,考虑天气、运输、质量控制等因素影响 1 天,计划工期 4 天。 三、施工船机 施工设备 序号 名称 数量 用途 备注 1 GPS 1 套(1+2) 测量定位 南方s86 2 定位船 2 艘 定位 3 交通艇 1 艘 交通 4 块石运输船 10 艘 块石运输 5 挖机 2 台 抛石 四、施工工艺流程 抛石施工工艺流程图 五、施工方法 (1)水上抛石护坡施工工艺流程 合格 抛石船靠定位船 试抛、计算漂距 定位船定位 抛石区域网格划分 抛石区域地形测量 抛石 抛后测量 下一区段抛石 不合格 抛石施工前对抛石体区域的水深、流速断面形状进行测量,然后将抛石区分段,每间隔10m 绘制一剖面图,在剖面图上标明应抛筑的坡比。抛石船吊系于定位船船尾抛石,抛石时要根据当日水位,结合剖面图上标示的坡比,计算出抛石区的水深,抛石后的水深达到要求即可移动定位船,进行下一断面的抛石,抛石顺序为先上游后下游,先深水后浅水。 (2)抛石船定位 定位船设有5个电动绞关,通过控制5根钢缆而控制定位船的定位和移动。其中位于船头中部的主缆,承受整个定位船下漂的拉力,船头船尾各设两个开锚,控制船舶左右移动。 定位船在指定抛石区定位,运石船从一侧靠泊定位船,采用机械抛投。施工时在岸上分...

1、当您付费下载文档后,您只拥有了使用权限,并不意味着购买了版权,文档只能用于自身使用,不得用于其他商业用途(如 [转卖]进行直接盈利或[编辑后售卖]进行间接盈利)。
2、本站所有内容均由合作方或网友上传,本站不对文档的完整性、权威性及其观点立场正确性做任何保证或承诺!文档内容仅供研究参考,付费前请自行鉴别。
3、如文档内容存在违规,或者侵犯商业秘密、侵犯著作权等,请点击“违规举报”。

碎片内容

水上抛石护坡施工方案

您可能关注的文档

确认删除?
VIP
微信客服
  • 扫码咨询
会员Q群
  • 会员专属群点击这里加入QQ群
客服邮箱
回到顶部