电脑桌面
添加小米粒文库到电脑桌面
安装后可以在桌面快捷访问

水冷壁组合安装

水冷壁组合安装_第1页
1/9
水冷壁组合安装_第2页
2/9
水冷壁组合安装_第3页
3/9
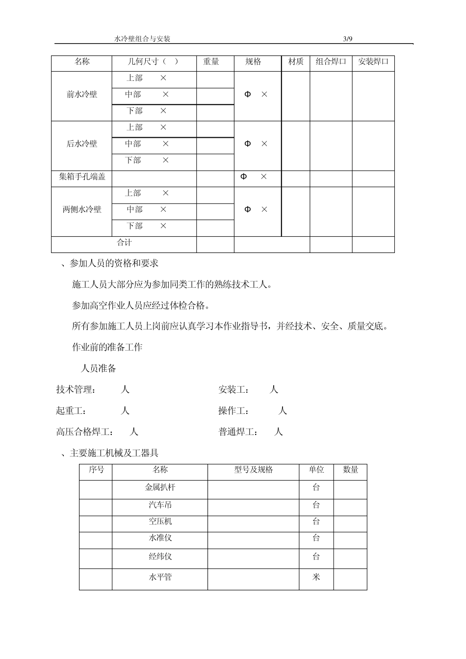
水冷壁组合与安装 1 /9 作 业 指 导 书 工程名称:森达沿海热电有限公司4#炉扩建工程 编 号: 0 0 3 作业项目名称:水冷壁安装作业指导书 编制单位:江苏华能建设工程集团有限公司 编 写: 张 全 福 日 期:2 0 0 7 .6 .2 0 审 核: 杨 洪 平 日 期:2 0 0 7 .6 .2 0 批 准: 杨 云 松 日 期:2 0 0 7 .6 .2 0 出版日期 2 0 0 7 .6 .2 0 版次 第一版 水冷壁组合与安装 2/9 1、适用范围 本作业指导书适用于森达沿海热电有限公司热电工程锅炉本体受热面水冷壁的组合安装。 2、编制依据 2.1锅炉说明书 无锡锅炉厂 2.2锅炉安装说明书 无锡锅炉厂 2.3锅炉设备图纸 无锡锅炉厂 2.4电力建设施工及验收技术规范(锅炉机组篇)DL/T 5047-95 2.5电力建设施工及验收技术规范(焊接篇) DL/T 869-2004 2.6电力建设施工及验收技术规范(管道篇) DL5031-94 2.7火电施工质量检验及评定标准(管道篇) 2.8安装质量监督大刚(江苏省锅炉质量检验所) 2.9锅炉安装工序检验质量划分表 2.10 蒸汽锅炉安全技术监察规程(劳动部颁发的[1996]276号) 2.11火电施工质量验评标准 (锅炉篇 1996年版) 2.12火电施工质量验评标准 (焊接篇 1996年版) 2.13电力建设安全工作规程 DL5009 1-92 2.14锅炉专业施工组织设计 3、工程概况及主要工程量 森达沿海热电有限公司热电工程由无锡锅炉厂有限公司生产,其产品型号:UG-130T/5.3-M8型锅炉,为次高温、次高压、循环流化床汽包炉,Π 型布置。炉膛四周由 2×91-φ 60×5与 2×66-φ 60×5无缝钢管加焊扁钢形成膜式水冷壁结构。炉膛断面尺寸7330×5330,四周水冷壁规格Φ 60×5,节距 80mm的无缝钢管焊成膜式壁水冷系统。前、后水冷壁下部管屏与水平线成 50度角倾斜形成冷灰斗,前水冷壁安装 10道刚性梁,后侧水冷壁及两侧水冷壁需各安装 9道刚性梁. 水冷壁组合尺寸及主要工程量 水冷壁组合与安装 3 /9 名称 几何尺寸(mm) 重量kg 规格mm 材质 组合焊口 安装焊口 前水冷壁 上部9870×6880 9793 Φ 60×5 20G 546 中部17589×6880 12227 下部7471×6880 6271 后水冷壁 上部5060×7200 4950 Φ 60×5 20G 455 中部11170×7200 15368 下部16520×7200 5360 集箱手孔端盖 Φ 133×12 20G 14 两侧水冷壁 上部18000×5200 18546 Φ 60×5 20G 660 中部9229×5200 9412...

1、当您付费下载文档后,您只拥有了使用权限,并不意味着购买了版权,文档只能用于自身使用,不得用于其他商业用途(如 [转卖]进行直接盈利或[编辑后售卖]进行间接盈利)。
2、本站所有内容均由合作方或网友上传,本站不对文档的完整性、权威性及其观点立场正确性做任何保证或承诺!文档内容仅供研究参考,付费前请自行鉴别。
3、如文档内容存在违规,或者侵犯商业秘密、侵犯著作权等,请点击“违规举报”。

碎片内容

水冷壁组合安装

您可能关注的文档

确认删除?
VIP
微信客服
  • 扫码咨询
会员Q群
  • 会员专属群点击这里加入QQ群
客服邮箱
回到顶部