电脑桌面
添加小米粒文库到电脑桌面
安装后可以在桌面快捷访问

水工钢筋混凝土结构课程设计(简支梁)

水工钢筋混凝土结构课程设计(简支梁)_第1页
1/8
水工钢筋混凝土结构课程设计(简支梁)_第2页
2/8
水工钢筋混凝土结构课程设计(简支梁)_第3页
3/8
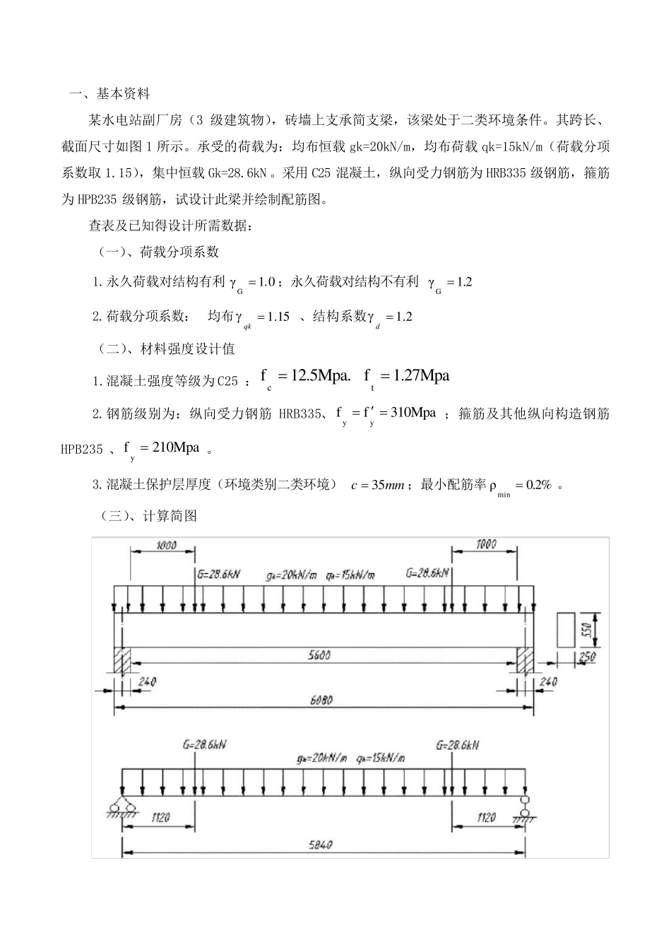
一、基本资料 某水电站副厂房(3 级建筑物),砖墙上支承简支梁,该梁处于二类环境条件。其跨长、截面尺寸如图 1 所示。承受的荷载为:均布恒载 gk=20kN/m,均布荷载 qk=15kN/m(荷载分项系数取 1.15),集中恒载 Gk=28.6kN 。采用 C25 混凝土,纵向受力钢筋为 HRB335 级钢筋,箍筋为 HPB235 级钢筋,试设计此梁并绘制配筋图。 查表及已知得设计所需数据: (一)、荷载分项系数 1.永久荷载对结构有利01.γG ;永久荷载对结构不有利1.2γG  2.荷载分项系数: 均布15.1qk 、结构系数2.1d (二)、材料强度设计值 1.混凝土强度等级为 C25 :1.27Mpaf 12.5Mpa.ftc 2.钢筋级别为:纵向受力钢筋 HRB335、310Mpaffyy;箍筋及其他纵向构造钢筋HPB235 、210Mpafy 。 3.混凝土保护层厚度(环境类别二类环境)mmc35;最小配筋率0.2%ρmin 。 (三)、计算简图 图1:计算间图 (四):设计要求 1.根据已知条件查材料强度,计算参数的选取。 2.内力计算(最大弯矩、剪力最大值) 3.截面尺寸校核(a 取50mm)。 4.梁的计算简图及内力图 5.计算纵向受弯钢筋用量及选配钢筋(I 级钢筋最小配筋率min=0.2%)。计算是否需要配置腹筋,如果需要按照计算确定腹筋用量及选配钢筋。 6.钢筋的布置计算(钢筋的布置设计要利用抵抗弯矩图进行图解) 7.结构施工图绘制(配筋图及钢筋表) 二、基本尺寸 如图1:B=250mm H=550mm L0=Ln+a L0=5840 Ln=5600 又由L0=1.05Ln=1.05*5600=5880 跨度取最小值L0=5840 三、荷载计算 均布恒载gk=20kN/m,均布荷载qk=15kN/m,,集中恒载Gk=28.6kN 集中力:Gk=28.6kN 均布荷载:mkNqgSkQkG/25.371515.1200.1 1、支座反力计算 该结构为对称结;根据材料力学理论得知,对称结构在对称荷载作用下,其支座反力为: kNlqgRRoBA37.13784.525.37216.2821Gk)( 2、设计值计算 由材料力学理论得知,对称机构在对称荷载作用下采用叠加法得 结构跨中控制截面弯矩设计值为: mkNlqgaGkMo•40.187 84.525.37810.16.28 81)(22max)( 式中a ——集中力至支座边缘的距离。 3、支座边缘截面的最大剪力设计值计算 kNaqgRVVkNRVVABAABA9 0.1 3 22 4.02 5.3 7213 7.1 3 7213 7.1 3 7)(故:因:左右 式中a ——支座的支承长度。 4、Gk 集中力处的剪力设...

1、当您付费下载文档后,您只拥有了使用权限,并不意味着购买了版权,文档只能用于自身使用,不得用于其他商业用途(如 [转卖]进行直接盈利或[编辑后售卖]进行间接盈利)。
2、本站所有内容均由合作方或网友上传,本站不对文档的完整性、权威性及其观点立场正确性做任何保证或承诺!文档内容仅供研究参考,付费前请自行鉴别。
3、如文档内容存在违规,或者侵犯商业秘密、侵犯著作权等,请点击“违规举报”。

碎片内容

水工钢筋混凝土结构课程设计(简支梁)

确认删除?
VIP
微信客服
  • 扫码咨询
会员Q群
  • 会员专属群点击这里加入QQ群
客服邮箱
回到顶部