电脑桌面
添加小米粒文库到电脑桌面
安装后可以在桌面快捷访问

水平硬防护搭设方案

水平硬防护搭设方案_第1页
1/7
水平硬防护搭设方案_第2页
2/7
水平硬防护搭设方案_第3页
3/7
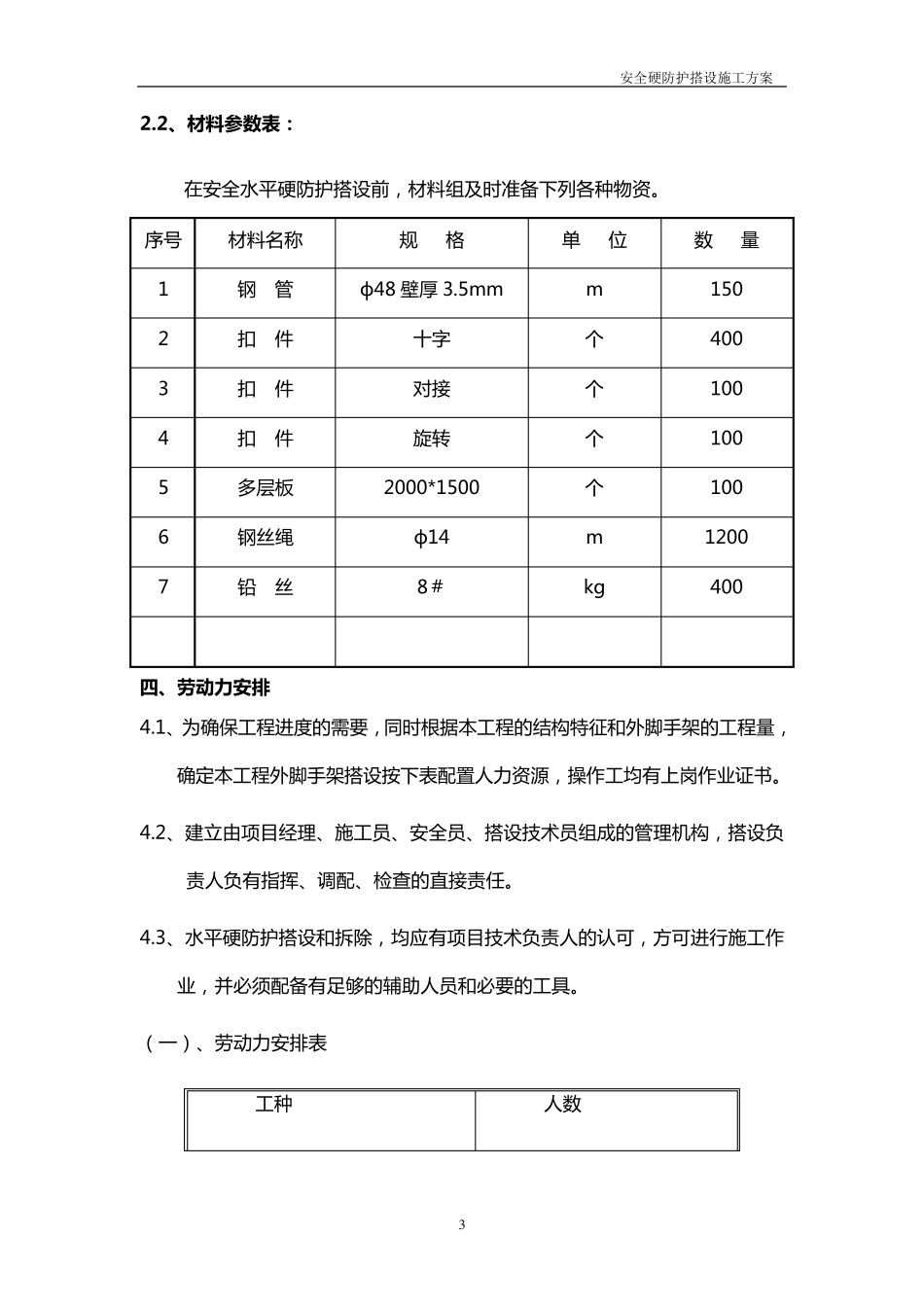
安全硬防护搭设施工方案 1 一 、 编制依据: 1、工程施工图纸及现场概况 2、《建筑施工扣件式钢架管脚手架安全技术规范》(JGJ130-2001) 3、《建筑施工高处作业安全技术规范》 4、《山西省建筑工程施工安全操作规程》 5、《一般用途钢丝绳》GB/T20118-2006 二、 工程概况和方案简介: 1、工程概况 本工程为御康山庄花园洋房 1、2 号楼,位于阳泉市开发区,1 号楼楼长为37.8m,楼宽为 11.8m,总高 55.60m,地上 18 层,地下 1 层,地上部分层高为3.0m:2 号楼楼长为 67.8m,楼宽为 11.8m,总高 55.60m,地上 18 层,地下 1层,地上部分层高为 3.0m。本工程抗震设防类别(丙类)抗震建筑,抗震设防烈度为 7 度。 2、方案背景 车库展跨和 1#、2#楼之间的挡土墙施工时,由于 1#楼已施工在 10 层,2#楼东单元已施工至 6 层,二者之间存在垂直交叉作业极易造成上部坠物伤人。为保证施工安全和车库尽快施工,现特制订本防护方案 。 3、方案简介 车库展跨施工前 在 1#楼东北 角 搭 设硬 防护棚 ,搭 设跨度 8m,外 挑 长度为5.4m,使 用钢管搭 设,立 管间距 1.5m,横 向 水 平 管间距 1.0m,上部满 铺 竹 胶 板 。1#楼和 2#楼之间的挡土墙施工前 ,将1#楼西立 面 架体 、2#楼东立 面 架体 内 侧全部加 设钢塑 网 进 行 整 体 封 闭 。 安全硬防护搭设施工方案 2 三 、 施工准备: 1、施工准备: 1.1、根据方案搭设要求首先对 1#楼东南角外架体防护网进行拆除,并清理架体硬防护的杂物。 1.2、根据搭设方案要求准备钢管、钢丝绳、十字扣件、旋转扣件、新整张竹胶板。 1.3、对审批后的方案进行交底,工长根据交底方案下发书面技术交底。 2、材料准备: 2.1 材料要求 2.1.1、脚手架钢材强度等级 Q235-A,钢管表面应平直光滑,不应有裂纹、分层、压痕、划道和硬弯,新用的钢管要有出厂合格证。脚手架施工前必须将入场钢管取样,送有相关国家资质的试验单位,进行钢管抗弯、抗拉等力学试验,试验结果满足设计要求后,方可 在 施工中 使 用。 2.1.2、本 工程 钢管脚手架的搭设使 用可 锻 铸 造 扣件,应符 合建 设部 《 钢管脚手扣件标 准》 GB15831 的要求,由 有扣件生 产 许 可 证的生 产 厂家提 供 ,不得 有裂纹、气 孔 、缩 松 、砂 眼 等锻 造 缺 陷 ,扣件的规 格应与 钢管相匹 配 ,贴 和面应平整,活 ...

1、当您付费下载文档后,您只拥有了使用权限,并不意味着购买了版权,文档只能用于自身使用,不得用于其他商业用途(如 [转卖]进行直接盈利或[编辑后售卖]进行间接盈利)。
2、本站所有内容均由合作方或网友上传,本站不对文档的完整性、权威性及其观点立场正确性做任何保证或承诺!文档内容仅供研究参考,付费前请自行鉴别。
3、如文档内容存在违规,或者侵犯商业秘密、侵犯著作权等,请点击“违规举报”。

碎片内容

水平硬防护搭设方案

您可能关注的文档

确认删除?
VIP
微信客服
  • 扫码咨询
会员Q群
  • 会员专属群点击这里加入QQ群
客服邮箱
回到顶部