电脑桌面
添加小米粒文库到电脑桌面
安装后可以在桌面快捷访问

常用地岩土和岩石物理力学全参数

常用地岩土和岩石物理力学全参数_第1页
1/11
常用地岩土和岩石物理力学全参数_第2页
2/11
常用地岩土和岩石物理力学全参数_第3页
3/11
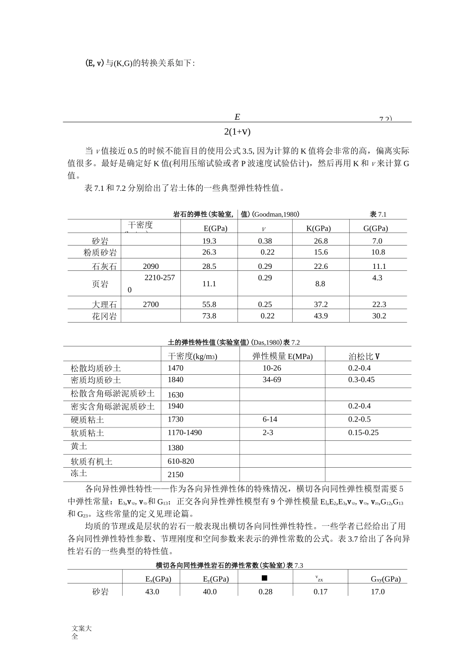
7.2)文案大全(E,v)与(K,G)的转换关系如下:E2(1+v)当 v 值接近 0.5 的时候不能盲目的使用公式 3.5,因为计算的 K 值将会非常的高,偏离实际值很多。最好是确定好 K 值(利用压缩试验或者 P 波速度试验估计),然后再用 K 和 v 来计算 G值。表 7.1 和 7.2 分别给出了岩土体的一些典型弹性特性值。岩石的弹性(实验室,值)(Goodman,1980)表 7.1干密度(kg/m3)E(GPa)vK(GPa)G(GPa)砂岩19.30.3826.87.0粉质砂岩26.30.2215.610.8石灰石209028.50.2922.611.1页岩2210-257011.10.298.84.3大理石270055.80.2537.222.3花冈岩73.80.2243.930.2土的弹性特性值(实验室值)(Das,1980)表 7.2干密度(kg/m3)弹性模量 E(MPa)泊松比 V松散均质砂土147010-260.2-0.4密质均质砂土184034-690.3-0.45松散含角砾淤泥质砂土1630密实含角砾淤泥质砂土19400.2-0.4硬质粘土17306-140.2-0.5软质粘土1170-14902-30.15-0.25黄土1380软质有机土610-820冻土2150各向异性弹性特性——作为各向异性弹性体的特殊情况,横切各向同性弹性模型需要 5中弹性常量:E3,v12,v13和 G13;正交各向异性弹性模型有 9 个弹性模量 E],E2,E3,v12,v13,v23,G12,G13和 G23。这些常量的定义见理论篇。均质的节理或是层状的岩石一般表现出横切各向同性弹性特性。一些学者已经给出了用各向同性弹性特性参数、节理刚度和空间参数来表示的弹性常数的公式。表 3.7 给出了各向异性岩石的一些典型的特性值。横切各向同性弹性岩石的弹性常数(实验室)表 7.3Ex(GPa)Ey(GPa)■vzxGxy(GPa)砂岩43.040.00.280.1717.0文案大全砂岩15.79.60.280.215.2石灰39.36.文案大全页66.849.大理68.50.0.180.170.250.21花岗10.5.0.200.4114.525.326.k流体弹性特性——用于地下水分析的模型涉及到不可压缩的土粒时用到水的体积模量 0,如果土粒是可压缩的,则要用到比奥模量 M。纯净水在室温情况下的 0 值是 2Gpa。其取值依赖于分析的目的。分析稳态流动或是求初始孔隙压力的分布状态(见理论篇第三章流体-固体相互作用分析),则尽量要用比较低的 0,不用折减。这是由于对于大的 0 流动时间步长很小,并且,力学收敛性也较差。在 FLAC3D中用到的流动时间步长,Atf与孔隙度 n 渗透系数 k 以及 Kf有如下关系:nAtx(7.3)fKk'f对于可变形流体(多数课本中都是将流体设定为不可压缩的)我们可以通过获得的固结系数 C 来决定改变 Kf的结果。Vf7.4)其中1m=—VK+4G/3k 二 k'Yf其中,k'——FLAC3D...

1、当您付费下载文档后,您只拥有了使用权限,并不意味着购买了版权,文档只能用于自身使用,不得用于其他商业用途(如 [转卖]进行直接盈利或[编辑后售卖]进行间接盈利)。
2、本站所有内容均由合作方或网友上传,本站不对文档的完整性、权威性及其观点立场正确性做任何保证或承诺!文档内容仅供研究参考,付费前请自行鉴别。
3、如文档内容存在违规,或者侵犯商业秘密、侵犯著作权等,请点击“违规举报”。

碎片内容

常用地岩土和岩石物理力学全参数

您可能关注的文档

wxg+ 关注
实名认证
内容提供者

该用户很懒,什么也没介绍

相关文档

确认删除?
VIP
微信客服
  • 扫码咨询
会员Q群
  • 会员专属群点击这里加入QQ群
客服邮箱
回到顶部