电脑桌面
添加小米粒文库到电脑桌面
安装后可以在桌面快捷访问

水玻璃精密铸造

水玻璃精密铸造_第1页
1/31
水玻璃精密铸造_第2页
2/31
水玻璃精密铸造_第3页
3/31
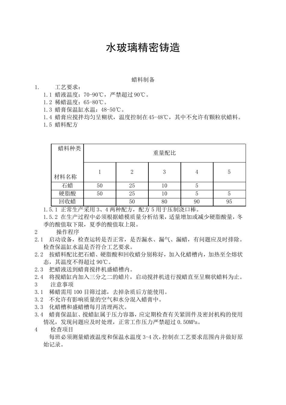
水玻璃精密铸造 蜡料制备 1. 工艺要求: 1.1 蜡液温度:70-90℃,严禁超过 90℃。 1.2 稀蜡温度:65-80℃。 1.3 蜡膏保温缸水温:48-50℃。 1.4 蜡膏应搅拌均匀呈糊状,温度控制在45-48℃,其中不允许有颗粒状蜡料。 1.5 蜡料配方 蜡料种类 材料名称 重量配比 1 2 3 4 5 石蜡 50 25 10 5 硬脂酸 50 25 10 5 5 回收蜡 50 80 90 95 1.5.1 正常生产采用 3、4 两种配方,配方 5 用于压制浇口棒。 1.5.2 在生产过程中必须根据蜡模质量分析结果,适量增加或减少硬脂酸量,冬季的酸值取下限,夏季的酸值取上限。 2 操作程序 2.1 启动设备,检查运转是否正常,是否漏水、漏气、漏蜡,有问题应及时排除。检查保温缸水温是否符合工艺要求。 2.2 按蜡料配比把石蜡、硬脂酸和回收蜡分别称好,加入化蜡槽内,加热至全熔状态,其温度不得超过 90℃。 2.3 把蜡液送到蜡膏搅拌机盛蜡槽内。 2.4 将搅蜡缸内加入三分之二的蜡片,启动搅拌机进行搅蜡直至呈糊状蜡料为止。 3 注意事项 3.1 稀蜡需用 100 目筛过滤,去掉杂质后方能 使 用。 3.2 不允许有影 响 质量的空 气和水分混 入蜡膏中。 3.3 化蜡槽和盛蜡槽每 月 清 理 两次 。 3.4 蜡膏保温缸、搅蜡缸属 于压力 容 器 ,应定 期 检查有关 紧 固 件 及密 封 机构 的使 用情 况 ,发 现 问题应及时处 理 ,正常工作压力 严禁超过 0.50MPa。 4 检查项目 每 班 必须测 量蜡液温度和保温水温度3-4 次 ,控制在工艺要求范 围 内并 做 好原始 记 录 。 蜡模制造 1 工艺要求 1.1 室温:16-28℃(最高不超过 30℃)。 1.2 蜡膏压注温度:45~48℃,压力:0.3~0.5 MPa,保压时间:3~10 秒。 1.3 压蜡冷却水温,14~24℃,冷却时间:20~100 秒。 1.4 蜡模冷却水温,14~24℃,冷却时间:10~60min。 1.5 蜡模清洗液温度,20~28℃,清洗液中加入 0.01% JFC。 1.6 脱模剂:ZF201. 1.7 蜡模表面光洁度,形状完整,轮廓清洗,尺寸合格,不允许有缩陷,凸包裂纹等缺陷。 2 操作程序 2.1 手工制模 2.1.1 检查压型的分型面、型腔、脱模机构、定位销、紧固件应完整清洁。涂擦分型剂,装配并紧固压型。 2.1.2 注蜡:把蜡抢嘴对准压型的注蜡孔,旋开阀门使蜡膏注入型腔并保压3~10s,关闭阀门,移走蜡枪。 2.1.3 冷却:把注满蜡膏的压型濅入水内或放在工作台上冷却,冷却时间视蜡...

1、当您付费下载文档后,您只拥有了使用权限,并不意味着购买了版权,文档只能用于自身使用,不得用于其他商业用途(如 [转卖]进行直接盈利或[编辑后售卖]进行间接盈利)。
2、本站所有内容均由合作方或网友上传,本站不对文档的完整性、权威性及其观点立场正确性做任何保证或承诺!文档内容仅供研究参考,付费前请自行鉴别。
3、如文档内容存在违规,或者侵犯商业秘密、侵犯著作权等,请点击“违规举报”。

碎片内容

水玻璃精密铸造

您可能关注的文档

确认删除?
VIP
微信客服
  • 扫码咨询
会员Q群
  • 会员专属群点击这里加入QQ群
客服邮箱
回到顶部