电脑桌面
添加小米粒文库到电脑桌面
安装后可以在桌面快捷访问

水箱清洗方案.

水箱清洗方案._第1页
1/9
水箱清洗方案._第2页
2/9
水箱清洗方案._第3页
3/9
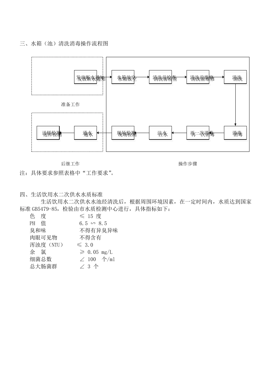
南昌银行金融管理中心 二次供水水箱清洗方 一、项目基本概况 1、物业名称:南昌银行金融管理中心 2、物业地址:南昌市红谷潍新区金融大街 3、物业类型:办公写字楼 二、二次供水水箱种类及容量 消防水箱与生活水箱容积 内容 区域 容积 型号 数量 消防水箱 负二层 600 立方 水泥池 2 个 避难一 72.5 立方 不锈钢 2 个 避难二 24 立方 不锈钢 1 个 水箱层 24 立方 不锈钢 1 个 生活水箱 负二层 87.5 立方 不锈钢 1 个 避难一 40 立方 不锈钢 1 个 避难二 32.5 立方 不锈钢 1 个 水箱层 21 立方 不锈钢 1 个 注:消防水箱6 组,生活水箱4 组。三、水箱(池)清洗消毒操作流程图 发放断水通知发放断水通知送样检测送样检测通水通水现场检测现场检测注水注水再一次消毒再一次消毒清洗清洗清洗前维修清洗前维修清洗前检查清洗前检查水箱放空水箱放空消毒消毒准备工作操作步骤后继工作 注:具体要求参照表格中“工作要求”。 四、生活饮用水二次供水水质标准 生活饮用水二次供水水池经清洗后,根据周围环境因素,在一定时间内,水质达到国家标准GB5479-85,检验由市水质检测中心进行,具体指标如下: 色 度 ≤ 15 度 PH 值 6.5 ∽ 8.5 臭和味 不得有异臭异味 肉眼可见物 不得含有 浑浊度(NTU) ≤ 3.0 余 氯 ≥ 0.05 mg/L 细菌总数 ∠ 100 个/ml 总大肠菌群 ∠ 3 个 五、水箱(池)清洗消毒操作流程 工作程序 工作 内容 工作步骤 工作要求 依据文件 准 备 工 作 停水 通知 提前 3 天发放停水通知。 内容包括:工作内容、工作范围、停水日期、停水时间、恢复通水时间。(由清洗消毒单位通知物业后向用户公示) 《二次供水水箱(池)清 洗 消 毒 管 理 技 术 规程》(上海市城市建设投资开发总公司) 《二次供水设备(施)保养维修技术规程》(上海市城市建设投资开发总公司) 水箱 (池) 放空 1 关闭需清洗水箱(池)的进水阀; 2 打开其他水箱(池)连通阀,保证用户用水; 3 打开清洗水箱(池)排水阀或启动潜水泵排空剩水; 4 关闭排水阀或潜水泵。 1 操作时阀门启闭应灵活、不漏水,无油污、锈蚀; 2 各类管路应无渗漏、表面无锈蚀; 3 放空时排水管路应畅通、无阻塞。 清洗 前检查 1 周围环境; 2 水箱(池)内、外壁; 3 浮球阀(遥控浮球阀); 4 人孔及人孔盖; 5 放气孔、溢水管...

1、当您付费下载文档后,您只拥有了使用权限,并不意味着购买了版权,文档只能用于自身使用,不得用于其他商业用途(如 [转卖]进行直接盈利或[编辑后售卖]进行间接盈利)。
2、本站所有内容均由合作方或网友上传,本站不对文档的完整性、权威性及其观点立场正确性做任何保证或承诺!文档内容仅供研究参考,付费前请自行鉴别。
3、如文档内容存在违规,或者侵犯商业秘密、侵犯著作权等,请点击“违规举报”。

碎片内容

水箱清洗方案.

您可能关注的文档

确认删除?
VIP
微信客服
  • 扫码咨询
会员Q群
  • 会员专属群点击这里加入QQ群
客服邮箱
回到顶部