电脑桌面
添加小米粒文库到电脑桌面
安装后可以在桌面快捷访问

水质分析记录

水质分析记录_第1页
1/30
水质分析记录_第2页
2/30
水质分析记录_第3页
3/30
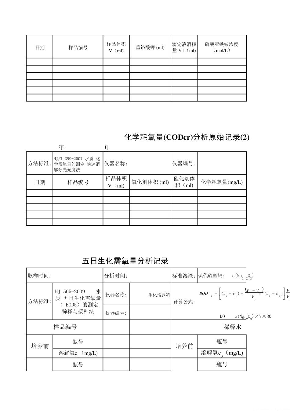
年月方法标准:仪器:酸式滴定管ml计算公式:日期样品编号试样体积V(m l)稀释体积 V2(m l)滴定液消耗量V1(m l)与空白减量(m l) 年月方法标准:仪器名称:7230 可见分光光度计比色皿厚度(mm): 20 仪器编号:日期样品编号样品体积V(m l)稀释体积 V2(m l)馏出液用量 V1(m l)消光值 A 年月方法标准:仪器: 25.0 ml酸式滴定管计算公式:HJ 537-2009 水质 氨氮的测定蒸馏-中和滴定法氨氮分析原始记录(2 )氨氮分析原始记录(1 )测定波长(nm):420 HJ 535-2009 水质 铵的测定 纳氏试剂比色法计算公式化学耗氧量(CODcr)分析原始记录 GB 11914-1989重铬酸盐法日期样品编号样品体积V(ml)重铬酸钾 (ml)滴定液消耗量 V1(ml)硫酸亚铁铵浓度(mol/L) 年月方法标准:HJ/T 399-2007 水质 化学需氧量的测定 快速消解分光光度法仪器名称:仪器编号:日期样品编号样品体积V(ml)氧化剂体积 (ml)催化剂体积(ml)化学耗氧量(mg/L)取样时间:分析时间:标准溶液:仪器名称:生化培养箱仪器编号:瓶号瓶号溶解氧c1(mg/L)溶解氧c3(mg/L)瓶号瓶号硫代硫酸钠: c(Na2S2O3)= mol/方法标准:HJ 505-2009 水质 五日生化需氧量( BOD5)的测定稀释与接种法计算公式:DO = c(Na2S2O3)×V×80五日生化需氧量分析记录样品编号稀释水培养前培养前化学耗氧量(CODcr)分析原始记录(2)ettetVVccVVVccBOD)()(43215滴定液消耗量(ml)滴定液消耗量(ml)溶解氧c2(mg/L)溶解氧c4(mg/L) 分析者:审核者:年月方法标准:仪器名称: 7230 可见分光光度计比色皿厚度(mm): 30 仪器编号:日期样品编号样品体积V(ml)稀释体积 V2(ml)馏出液用量 V1(ml)消光值 A年月方法标准:仪器名称: 7230 可见分光光度计比色皿厚度(mm): 20 仪器编号:日期样品编号样品体积V(ml)稀释体积 V2(ml)馏出液用量 V1(ml)消光值 A培养后培养后样品体积Ve(ml)稀释水BOD5: c3- c4 = mg/L测定波长(nm):510稀释水样总体积Vt(ml)备注:BOD5(mg/L) HJ 503-2009 水质 挥发酚的测定4-氨基安替比林分光光度法方法2 直接分光光度法计算公式挥发酚分析原始记录(1 )测定波长(nm):460 HJ 503-2009 水质 挥发酚的测定4-氨基安替比林分光光度法方法1 萃取分光光度法计算公式挥发酚分析原始记录(2 ) 年月方法标准:仪器名称:7230G可见分光光度计比色皿厚度(mm): 10仪器编号:日期样品编号样品体积V(m l)消光值 AA-A0...

1、当您付费下载文档后,您只拥有了使用权限,并不意味着购买了版权,文档只能用于自身使用,不得用于其他商业用途(如 [转卖]进行直接盈利或[编辑后售卖]进行间接盈利)。
2、本站所有内容均由合作方或网友上传,本站不对文档的完整性、权威性及其观点立场正确性做任何保证或承诺!文档内容仅供研究参考,付费前请自行鉴别。
3、如文档内容存在违规,或者侵犯商业秘密、侵犯著作权等,请点击“违规举报”。

碎片内容

水质分析记录

您可能关注的文档

确认删除?
VIP
微信客服
  • 扫码咨询
会员Q群
  • 会员专属群点击这里加入QQ群
客服邮箱
回到顶部