电脑桌面
添加小米粒文库到电脑桌面
安装后可以在桌面快捷访问

水闸课程设计电子稿

水闸课程设计电子稿_第1页
1/30
水闸课程设计电子稿_第2页
2/30
水闸课程设计电子稿_第3页
3/30
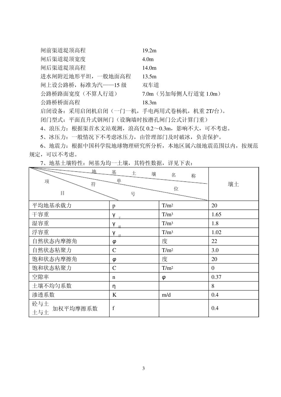
1 水闸课程设计任务书 及指导书 水利水电工程 适用 农业水利工程 河北农业大学城乡建设学院水利系 2 0 0 1 0 年 3 月 2 进水闸课程设计任务书及指导书 一、设计任务 于某河石岸设计一座进水闸,每年3~11 月按要求供给××灌区 210 万亩土地灌溉用水。(据规范,灌溉面积大于150 万亩为一等工程,主要建筑物为一级建筑物) 二、设计资料 1、建筑物的级别及枢纽组成:经初步设计,本建筑物为Ⅰ级建筑物,引水枢纽包括栏沙潜堰、闸前引水段、进水闸、闸后衔接段、沉沙池五部分,为满足农业生产用水的需要,先按无坝引水设计。其工程布置见附图㈠。 2、水文水利资料 (1)灌期引水量及相应的闸前闸后水位,见附表㈠。 (2)灌期闸前闸后水位过程线,见附图㈡。 (3)闸下游流量水深表,见附表㈡。 (4)闸下游流量水深关系曲线,见附图㈢。 (5)设计洪水位 17.00m (6)校核洪水位 18.50m (7)消能设计水位 15.00m(是按枯水期曾出现的最高水位考虑的),洪水期如仍拟引水,在水位 15.00~17.00m 之间时可制定闸门操作规程控制引水。 (8)设计引水量为 120m3/s 3、初步设计拟定数据 根据水工模型试验,进水闸引水角为 40 进水闸闸底高程 9.5m 海漫起点高程 9.5m 引水段渠底高程 9.5m 引水段长度 150m(边坡 m=2) 下游衔接长度 150m 下游衔接段渠底高程 10.2m 衔接段渠底宽度 b 62m 衔接段渠底坡度 i 1/10000 衔接段糙率 m 0.02 衔接段边坡 内坡 1:2 外坡 1:2.5 闸前渠道堤顶宽度 10.0m 3 闸前渠道堤顶高程 19.2m 闸后渠道堤顶宽度 4.0m 闸后渠道堤顶高程 14.0m 进水闸附近地形平坦,一般地面高程 13.5m 闸上设公路桥,标准为汽——15 级 双车道 公路桥路面宽度(不算人行道) 7.0m(另加每侧人行道宽1.0m) 公路桥桥面高程 18.3m 启闭设备:采用启闭机启闭(一门一机,手电两用式卷杨机,机重 2T/台)。 闭门型式:平面直升式钢闸门(设胸墙时按潜孔闸门公式计算门重) 4、浪压力:根据渠首水文站观测,浪高仅 0.2~0.3m,影响不大,可不考虑。 5、冰压力:一般情况下不考虑冰压力,由管理部门及时破冰,负责保护。 6、地震力:根据中国科学院地球物理研究所分析,本地区属六级地震范围以内,按规范规定,可以不考虑。 7、地基土壤特性:闸基为均一土壤,其特性数据,详见下表: 壤土 平均地基承载力 p T/m2 20 干容重 γ干 T/m3 1.65...

1、当您付费下载文档后,您只拥有了使用权限,并不意味着购买了版权,文档只能用于自身使用,不得用于其他商业用途(如 [转卖]进行直接盈利或[编辑后售卖]进行间接盈利)。
2、本站所有内容均由合作方或网友上传,本站不对文档的完整性、权威性及其观点立场正确性做任何保证或承诺!文档内容仅供研究参考,付费前请自行鉴别。
3、如文档内容存在违规,或者侵犯商业秘密、侵犯著作权等,请点击“违规举报”。

碎片内容

水闸课程设计电子稿

您可能关注的文档

确认删除?
VIP
微信客服
  • 扫码咨询
会员Q群
  • 会员专属群点击这里加入QQ群
客服邮箱
回到顶部