电脑桌面
添加小米粒文库到电脑桌面
安装后可以在桌面快捷访问

汽车仪表与其它辅助电器的构造与识别

汽车仪表与其它辅助电器的构造与识别_第1页
1/13
汽车仪表与其它辅助电器的构造与识别_第2页
2/13
汽车仪表与其它辅助电器的构造与识别_第3页
3/13
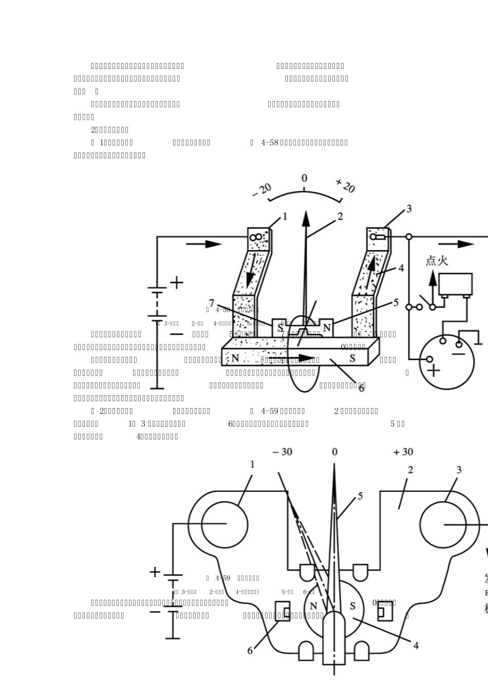
汽车仪表与其它辅助电器的构造与识别 一、汽车仪表 汽车仪表是反映汽车安全行驶和技术经济性能的指示电气装置。它通常包括:电流表、油量表、温度表、机油压力表及车速里程表等。在气压制动的汽车上还有空气压力表,在某些柴油汽车上有转速表等。图 4-57 东风EQ2102 型越野汽车驾驭室电气仪表及辅助电器示意图。 图 4-57 东风EQ2102 型越野汽车驾驭室电气仪表及辅助电器示意图 1-熔断器盒总成 2-熔断器片10A 3-熔断器盒盖 4-鼓风装置总成 5-制动灯开关6-离合器开关7-组合开关 8-组合开关罩盖 9-点火锁总成 10-电器安装板 11-工作灯插座引线总成 12-工作灯插座 13-气压报警蜂呜器 16-括水间歇继电器 17-水温过热及水位过低蜂呜器 18-预热控制器 19-闪光器 20-报警闪光器 23、 24-继电器 25-石英钟 26-空气压力表 27-空气管 30-压力表 32-暖风开关 33-面板总成 34-旋钮 35-主副油箱转换开关 36-停车及报警开关 37-气喇叭转换开关 38-雾灯开关 39-仪表板总成 40-里程表用软轴总成 41-预热开关 42-驾驶室电线束总成 43-干燥器开关 44-远距离控制开关 45-电源开关总成 47-防空灯开关 电气式仪表一般由指示器和传感器二部分组成,两者由电线连接,便于拆装维修更换和遥控,应用广泛。 组合式汽车仪表,是现代汽车仪表普遍采用的布置形式。组合仪表有两种结构,一种是将全部仪表及指示灯组装在一个表壳内,共用一个玻璃面罩。这种形式的组合仪表多用于轻微型车及轿车上,另一种是将几个较小的表,如水温表、燃油表、机油压力表等组装在一起,而将较大的表,如车速表、车速表等单独安装,这种形式多用于中型以上车辆上。 (一)电流表 1.功用与型式 电流表串连在蓄电池和发电机之间的电源电路中,用来指示蓄电池的充放电状况和发电机的工作情况。如由蓄电池供电时,其指示值为负(-),发电机向蓄电池充电时示值为正(+)。 电流表按结构型式可分为电磁式和动磁式两种。目前大部分车型的电流表均组装在组合仪表一起。 2.结构及工作原理 ( 1)电磁式电流表 电磁式电流表结构如图 4-58 所示。主要由黄铜板条、永久磁铁、软钢转子、转轴、指针和接线柱组成。 图 4-58 电磁式电流表 1、 3-接线柱 2-指针 4-黄铜板条 5-软钢转子 6-转轴 7-永久磁铁 当没有电流通过电流表时,软钢转子5 在永久磁铁7 的作用下被磁化,转子5 磁化后的极性与永久磁铁的极性相反,因而两者相互吸引,使...

1、当您付费下载文档后,您只拥有了使用权限,并不意味着购买了版权,文档只能用于自身使用,不得用于其他商业用途(如 [转卖]进行直接盈利或[编辑后售卖]进行间接盈利)。
2、本站所有内容均由合作方或网友上传,本站不对文档的完整性、权威性及其观点立场正确性做任何保证或承诺!文档内容仅供研究参考,付费前请自行鉴别。
3、如文档内容存在违规,或者侵犯商业秘密、侵犯著作权等,请点击“违规举报”。

碎片内容

汽车仪表与其它辅助电器的构造与识别

确认删除?
VIP
微信客服
  • 扫码咨询
会员Q群
  • 会员专属群点击这里加入QQ群
客服邮箱
回到顶部