电脑桌面
添加小米粒文库到电脑桌面
安装后可以在桌面快捷访问

汽车加油加气站设计与施工规范GB501562002

汽车加油加气站设计与施工规范GB501562002_第1页
1/26
汽车加油加气站设计与施工规范GB501562002_第2页
2/26
汽车加油加气站设计与施工规范GB501562002_第3页
3/26
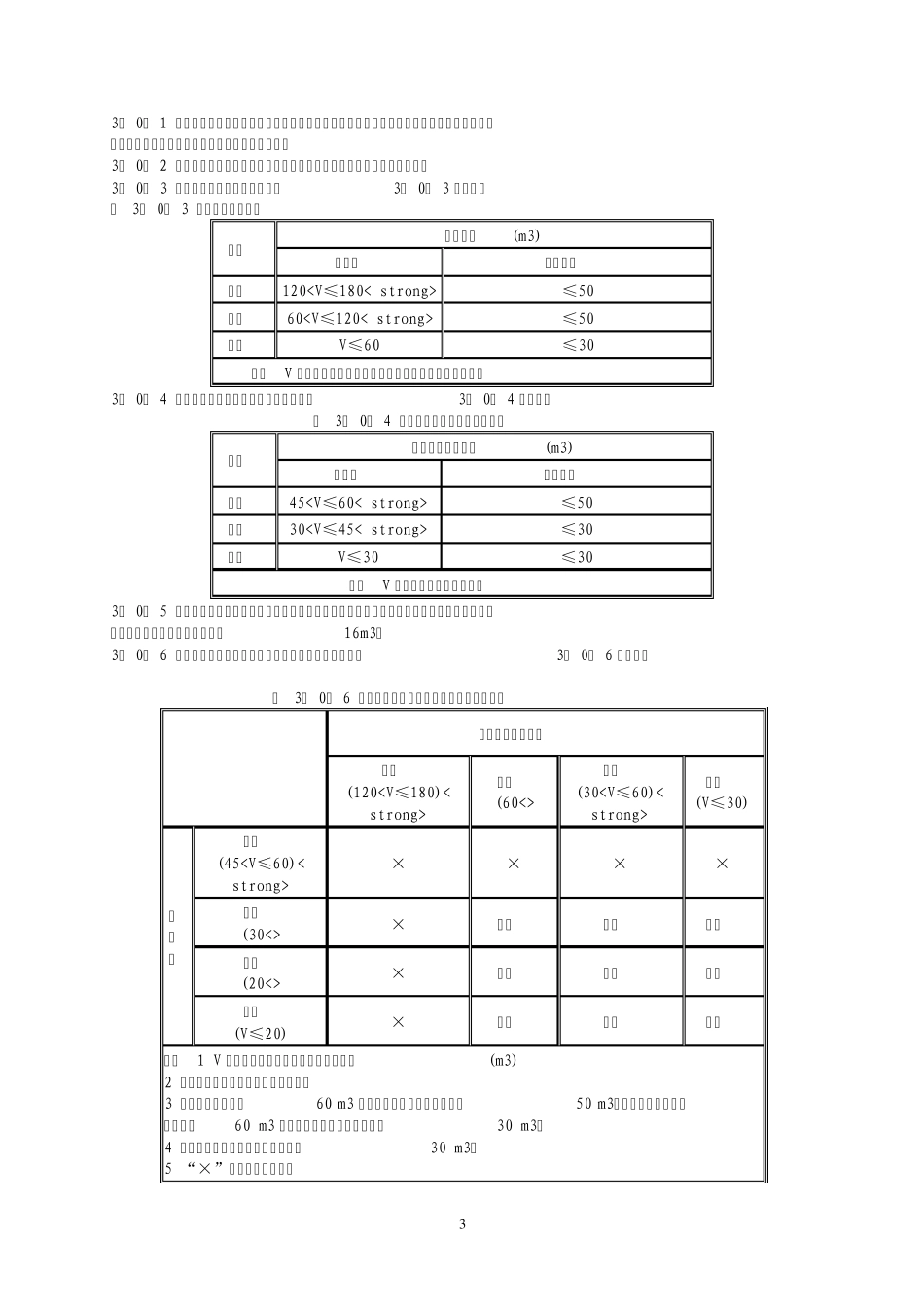
1 汽车加油加气站设计与施工规范 GB 50156-2002  1 总 则  2 术 语  3 一般规定  4 站址选择  5 总平面布臵  6 加油工艺及设施 o 6. 1 油 罐 o 6. 2 工艺系统  7 液化石油气加气工艺及设施 o 7. 1 液化石油气质量和储罐 o 7. 2 泵和压缩机 o 7. 3 液化石油气加气机 o 7. 4 液化石油气管道及其组成件 o 7. 5 紧急切断系统 o 7. 6 槽车卸车点  8 压缩天然气加气工艺及设施 o 8.1 天然气的质量、调压、计量、脱硫和脱水 o 8. 2 天然气增压 o 8. 3 压缩天然气的储存 o 8. 4 压缩天然气加气机 o 8. 5 加气工艺设施的安全保护 o 8. 6 压缩天然气管道及其组成件  9 消防设施及给排水  10 电气装臵 o 10. 1 供 配 电 o 10. 2 防 雷 o 10. 3 防 静 电 o 10 . 4 报警系统  11 采暖通风、建筑物、绿化 o 11. 1 采暖通风 o 11. 2 建 筑 物 o 11. 3 绿 化  12 工程施工 o 12. 1 一般规定 o 12. 2 材料和设备检验 o 12. 3 土建工程 o 12. 4 工艺设备安装 o 12. 5 管道工程 o 12. 6 电气仪表施工 o 12. 7 防腐蚀工程 o 12. 8 交工文件  附录A 计算间距的起讫点  附录B 加油加气站内爆炸危险区域的等级范围划分  附录C 民用建筑物保护类别划分  本规范用词说明 1 总 则 2 1. 0. 1 为了在汽车加油加气站设计和施工中贯彻国家有关方针 政策,统一技术要求.做到安全可靠、技术先进、经济合理,制定本规范。 1. 0. 2 本规范适用于新建、扩建和改建的汽车加油站、液化石油气加气站、压缩天然气加气站和汽车加油加气合建站工程的设计和施工。 1. 0. 3 汽车加油加气站设计和施工除应执行本规范外,尚应符合国家现行有关强制性标淮的规定。 2 术 语 2. 0. 1 加油加气站 automobile gasoline/gas filling station 加油站、液化石油气加气站、压缩天然气加气站、加油加气合建站的统称。 2. 0. 2 加油站 automobile gasoline filling station 为汽车油箱充装汽油、柴油的专门场所。 2. 0. 3 液化石油气加气站 automobile LPG filling station 为燃气汽车储气瓶充装车用液化石油气的专门场所。 2. 0. 4 压缩大然气加气站 automobile CNG filling st...

1、当您付费下载文档后,您只拥有了使用权限,并不意味着购买了版权,文档只能用于自身使用,不得用于其他商业用途(如 [转卖]进行直接盈利或[编辑后售卖]进行间接盈利)。
2、本站所有内容均由合作方或网友上传,本站不对文档的完整性、权威性及其观点立场正确性做任何保证或承诺!文档内容仅供研究参考,付费前请自行鉴别。
3、如文档内容存在违规,或者侵犯商业秘密、侵犯著作权等,请点击“违规举报”。

碎片内容

汽车加油加气站设计与施工规范GB501562002

您可能关注的文档

确认删除?
VIP
微信客服
  • 扫码咨询
会员Q群
  • 会员专属群点击这里加入QQ群
客服邮箱
回到顶部