电脑桌面
添加小米粒文库到电脑桌面
安装后可以在桌面快捷访问

汽车吊车计算书修订稿

汽车吊车计算书修订稿_第1页
1/22
汽车吊车计算书修订稿_第2页
2/22
汽车吊车计算书修订稿_第3页
3/22
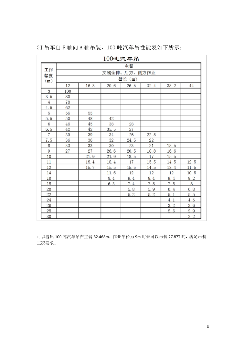
1 庆鼎精密电子(淮安)有限公司 吊 装 计 算 书 2 现场预备吊装构建重量计算图表如下: GJ-01、GJ-02 均由五榀钢梁连接成一整体:重量分别 L1:5420.27kg、L2:5618.37kg、L3:6241.16kg、L4:5613.79kg、L5:5275.76kg 现场钢梁在地面组拼进行 3+2 吊装法:L1+L2+=11.03T 、L3=6.241T、L4+L5=10.89T 分三组进行吊装。 3 GJ 吊车自F 轴向A 轴吊装,100 吨汽车吊性能表如下所示: 可以看出100 吨汽车吊在主臂32.468m ,作业半径为9m 时候可以吊装27.87T 吨,满足吊装工况要求。 4 液压汽车起重机工况核算计算书 计算依据: 1、《建筑施工起重吊装安全技术规范》JGJ276-2012 2、《起重吊装计算及安全技术》主编卜一德 3、《钢结构设计规范》GB50017-2003 一、基本参数 起重机种类 液压汽车起重机 起重机型号 AC100 起重臂顶端至吊钩底面最小距离h1(m ) 2 起重臂宽度d(m ) 1 起重臂铰链中心至地面距离hb(m ) 3.3 起重机外轮廓线至起重机回转中心距离b2(m ) 3.41 起重臂铰链中心至起重机回转中心距离b3(m ) 2.67 吊钩底面至吊装构件顶部距离h2(m ) 6.798 吊装构件顶部至地面距离h3(m) 24.8 吊装构件中心至起重机外轮廓线最小距离b1(m ) 2 吊装构件直径S(m ) 2 吊装构件与起重臂的间隙f(m ) 1 幅度R(m ) 9 二、计算示意图 5 参数示意图 起重臂坐标示意图 三、起重机核算 6 建立平面直角坐标系:以穿过起重臂铰链中心的水平线为X轴,以穿过吊装构件中心的竖直线为Y轴, A点坐标: xA=R+b3=9+2.67=11.67m yA=0m B点坐标: xB=S/2=2/2=1m yB=h3-hb=24.8-3.3=21.5m C点坐标: xC=0m yC=h1+h2+h3-hb=2+6.798+24.8-3.3=30.298m 直线AC的倾角: α 1=arctg(yC/xA)= arctg(30.298/11.67)=68.935° 经过点A与(以B点为圆心,f+d/2为半径的圆)相切的点形成的直线的倾角: α 2=arctg(yB/(xA-xB))+arcsin((f+d/2)/ (yB2+(xA-xB)2)0.5)=arctg(21.5/(11.67-1))+arcsin((1+1/2)/(21.52+(11.67-1)2)0.5)=67.189° 起重臂仰角:α=α 1=68.935° 最小臂长:L= xA /cosα=32.468 m 幅度:R=9m 7 液压汽车起重机智能选择计算书 计算依据: 1、《建筑施工起重吊装安全技术规范》JGJ276-2012 2、《起重吊装计算及安全技术》主编卜一德 3、《钢结构设计规范》GB50017-2003 一、基本参数 起重机种类 液压汽车起重机 最小幅度R(m) 9 最小臂长L(m) 32.468 构件...

1、当您付费下载文档后,您只拥有了使用权限,并不意味着购买了版权,文档只能用于自身使用,不得用于其他商业用途(如 [转卖]进行直接盈利或[编辑后售卖]进行间接盈利)。
2、本站所有内容均由合作方或网友上传,本站不对文档的完整性、权威性及其观点立场正确性做任何保证或承诺!文档内容仅供研究参考,付费前请自行鉴别。
3、如文档内容存在违规,或者侵犯商业秘密、侵犯著作权等,请点击“违规举报”。

碎片内容

汽车吊车计算书修订稿

小辰7+ 关注
实名认证
内容提供者

出售各种资料和文档

确认删除?
VIP
微信客服
  • 扫码咨询
会员Q群
  • 会员专属群点击这里加入QQ群
客服邮箱
回到顶部