电脑桌面
添加小米粒文库到电脑桌面
安装后可以在桌面快捷访问

汽车检测站设计

汽车检测站设计_第1页
1/15
汽车检测站设计_第2页
2/15
汽车检测站设计_第3页
3/15
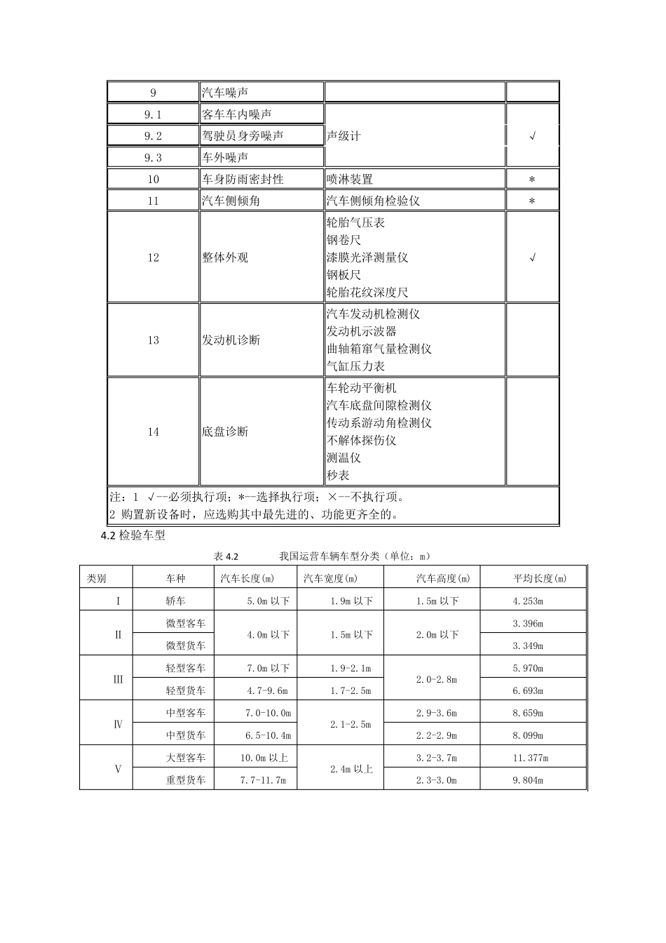
一、设计目的 随着我国汽车保有量的快速增加,汽车性能的检测日益重要。为了全面贯彻汽车技术管理中的“定期检测,强制维护,视情修理”的原则,以加强汽车的安全、节能、环保等方面的工作,为使汽车服务工程专业学生对汽车检测站工艺等方面的只是有较全面深入的了解,并将所学知识运用于实际,特进行二周的汽车检测站专题设计。 二、设计任务 利用所学的汽车专业知识,按大型或中型检测站要求考虑,至少设置两条检测线。其中一条为安全环保检测线,一条为综合检测线。 三、检车站概述 1.服务范围 检测站的仪器设备尽可能采用国外先进设备,是其检测水平达到国内领先水平。该站的服务面向社会,能接受公安、交通管理、环保、计量标准等部门的委托,承担社会车辆有关安全、环保节能等方面的检测。 具体服务范围包括以下五个方面: (1)安全检测。按照 交通部颁 布 的《 汽车制动 技术规 范》 及 其有关规 定,对车辆的安全可靠 性进行检测。 (2)环保检测。通过 对汽车尾 气 的测试 和 分 析 以及 对噪 音 的测定,尽量降 低 有害 排 放 ,减 少噪 音 ,贯彻国家 环保标准,保障 人 民 的身 体健 康 。 (3)保修质 量检测。按照 交通部颁 布 的《 汽车修理技术标准》 对维修车辆的维修质 量进行检测与 监 督 ,以保证 维修车辆的技术状 况 良 好 。 (4)节能检测。通过 检测,除 进行必 要的保修措 施 外,将车辆运行状 态 调 整 至最 佳 状态 ,使之 达到降 低 油 耗 之 目的。 (5)为科 研 服务。承担接受有关部门(商 检、计量、保险 )委托的检测任务。 2.检测站类 型 A 级 综合检测站。能承担在 用车辆的制动 、侧 滑 、灯 光 、转 向、前 轮 定位 、车速、车轮 动 平衡 、底 盘 输 出 功 率 、燃 料 消 耗 、发 动 机 功 率 和 点 火 系 状 况 ,及 异 响 、磨 损 、变 形 、裂纹 、噪 声 、废 气 排 放 等状 况 的检测任务。 3.综合检测站的组 成 业务大厅 、检测车间 、维修车间 、停 车场 、试 车道 及 辅 助 设施 等。 4.检测项 目 安全检测、环保检测、保修质 量监 测、节能检测和 有关部门委托检测任务。 4.1A 级 站所承担的检测项 目及 设备配 备要求见 表 1.1。 表1.1 序号 检测项目 检测设备 A 级站 1 动力性 1.1 发动机功率 汽车发动机...

1、当您付费下载文档后,您只拥有了使用权限,并不意味着购买了版权,文档只能用于自身使用,不得用于其他商业用途(如 [转卖]进行直接盈利或[编辑后售卖]进行间接盈利)。
2、本站所有内容均由合作方或网友上传,本站不对文档的完整性、权威性及其观点立场正确性做任何保证或承诺!文档内容仅供研究参考,付费前请自行鉴别。
3、如文档内容存在违规,或者侵犯商业秘密、侵犯著作权等,请点击“违规举报”。

碎片内容

汽车检测站设计

确认删除?
VIP
微信客服
  • 扫码咨询
会员Q群
  • 会员专属群点击这里加入QQ群
客服邮箱
回到顶部