电脑桌面
添加小米粒文库到电脑桌面
安装后可以在桌面快捷访问

2025年全套消防验收资料实例附消火栓系统

2025年全套消防验收资料实例附消火栓系统_第1页
1/52
2025年全套消防验收资料实例附消火栓系统_第2页
2/52
2025年全套消防验收资料实例附消火栓系统_第3页
3/52
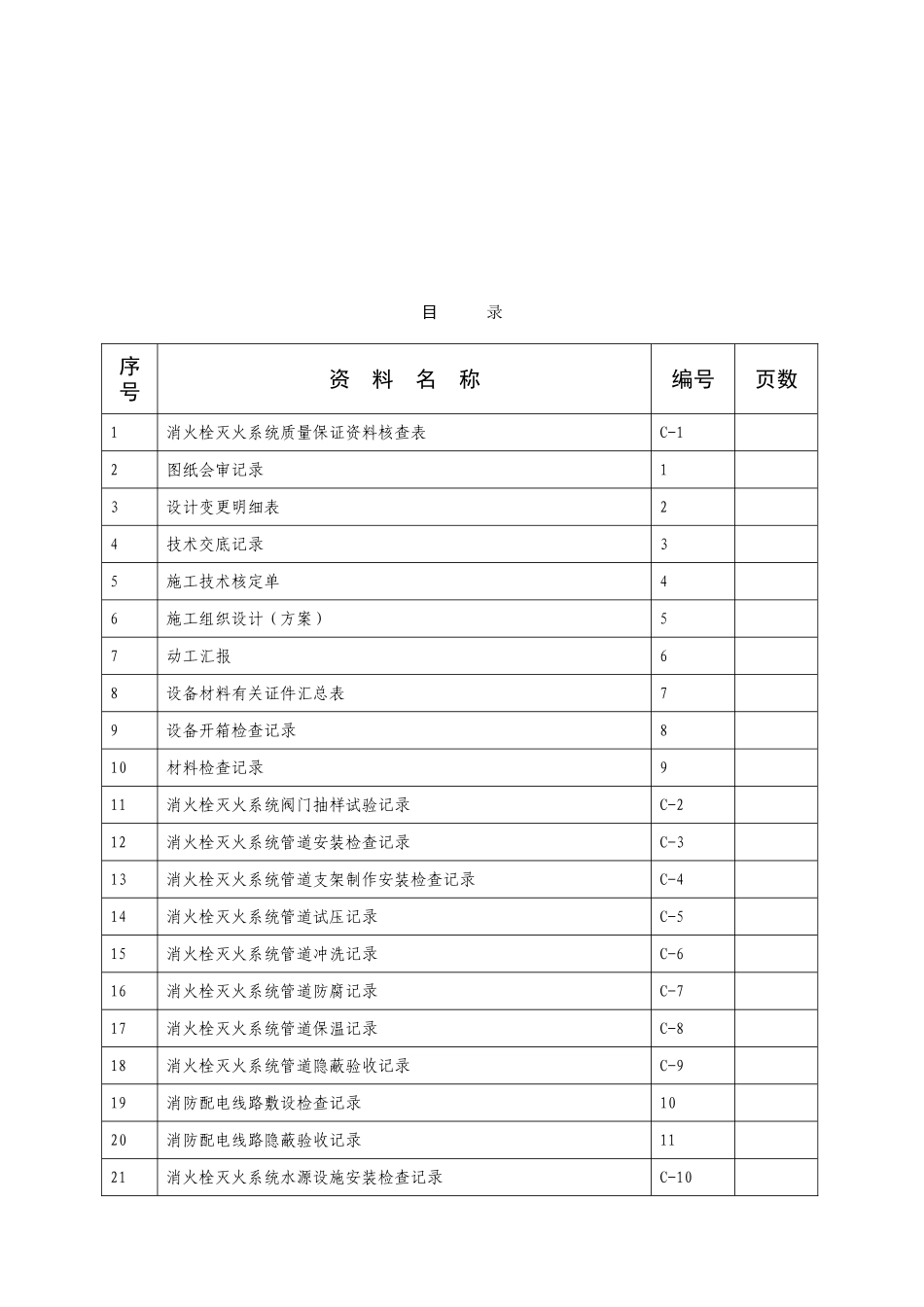
附录四—C消 火 栓 灭 火 系 统施 工 安 装质 量记录目 录序号资 料 名 称编号页数1消火栓灭火系统质量保证资料核查表C-12图纸会审记录13设计变更明细表24技术交底记录35施工技术核定单46施工组织设计(方案)57动工汇报68设备材料有关证件汇总表79设备开箱检查记录810材料检查记录911消火栓灭火系统阀门抽样试验记录C-212消火栓灭火系统管道安装检查记录C-313消火栓灭火系统管道支架制作安装检查记录C-414消火栓灭火系统管道试压记录C-515消火栓灭火系统管道冲洗记录C-616消火栓灭火系统管道防腐记录C-717消火栓灭火系统管道保温记录C-818消火栓灭火系统管道隐蔽验收记录C-919消防配电线路敷设检查记录1020消防配电线路隐蔽验收记录1121消火栓灭火系统水源设施安装检查记录C-1022消火栓灭火系统水泵安装检查记录C-1123消火栓灭火系统稳压装置安装检查记录C-1224消火栓灭火系统消火栓箱安装检查记录C-1325消火栓灭火系统水泵结合器安装检查记录C-14序号资 料 名 称编号页数26消火栓灭火系统水泵试验记录C-1527消火栓灭火系统稳压装置试验记录C-1628消火栓灭火系统启泵按钮启泵试验记录C-1729消火栓灭火系统屋顶放水试验记录C-1830消火栓灭火系统调试汇报C-1931消火栓灭火系统自检汇报C-2032竣工汇报1233设备移交清单13 消火栓灭火系统质量保证资料核查表 编号:C-1工程名称惠山区建设局综合楼建设单位无锡惠山区建设局施工单位无锡锡州工业设备安装有限企业核查日期 年 月 日类别项 目份数核 查 情 况前期图纸会审、技术交底记录5齐全设计变更、技术核定单施工组织设计(方案)1齐全动工汇报1齐全出厂检查设备(材料)有关证件汇总表1齐全设备(材料)检查记录1齐全隐蔽验收记录管道隐蔽验收记录1齐全消防配电线路隐蔽验收记录1齐全齐全施工检查试验记录各类安装检查记录7齐全各类测试、试验记录4齐全调试汇报1齐全自检汇报1齐全竣工汇报1齐全设备移交清单1齐全其他核查意见: 资料齐全,符合规定,合格。 技术负责人质 检 员 第 册第 页 图纸会审记录 编号:1工程名称惠山区建设局综合楼建设单位无锡惠山区建设局设计单位无锡泛亚联合建筑设计研究院施工单位无锡锡州工业设备安装有限企业会审地点会审日期 年 月 日会审主题图纸会审内容附后议定事项附后设 计 单 位 代 表建设(监理)单位代表施 工 单 位 代 表注:设计修改应由设计单位另发变更告知单。表内不够填写时,可附后。 第 册第 页 ...

1、当您付费下载文档后,您只拥有了使用权限,并不意味着购买了版权,文档只能用于自身使用,不得用于其他商业用途(如 [转卖]进行直接盈利或[编辑后售卖]进行间接盈利)。
2、本站所有内容均由合作方或网友上传,本站不对文档的完整性、权威性及其观点立场正确性做任何保证或承诺!文档内容仅供研究参考,付费前请自行鉴别。
3、如文档内容存在违规,或者侵犯商业秘密、侵犯著作权等,请点击“违规举报”。

碎片内容

2025年全套消防验收资料实例附消火栓系统

您可能关注的文档

确认删除?
VIP
微信客服
  • 扫码咨询
会员Q群
  • 会员专属群点击这里加入QQ群
客服邮箱
回到顶部