电脑桌面
添加小米粒文库到电脑桌面
安装后可以在桌面快捷访问

沉箱重力式码头课程设计计算书

沉箱重力式码头课程设计计算书_第1页
1/46
沉箱重力式码头课程设计计算书_第2页
2/46
沉箱重力式码头课程设计计算书_第3页
3/46
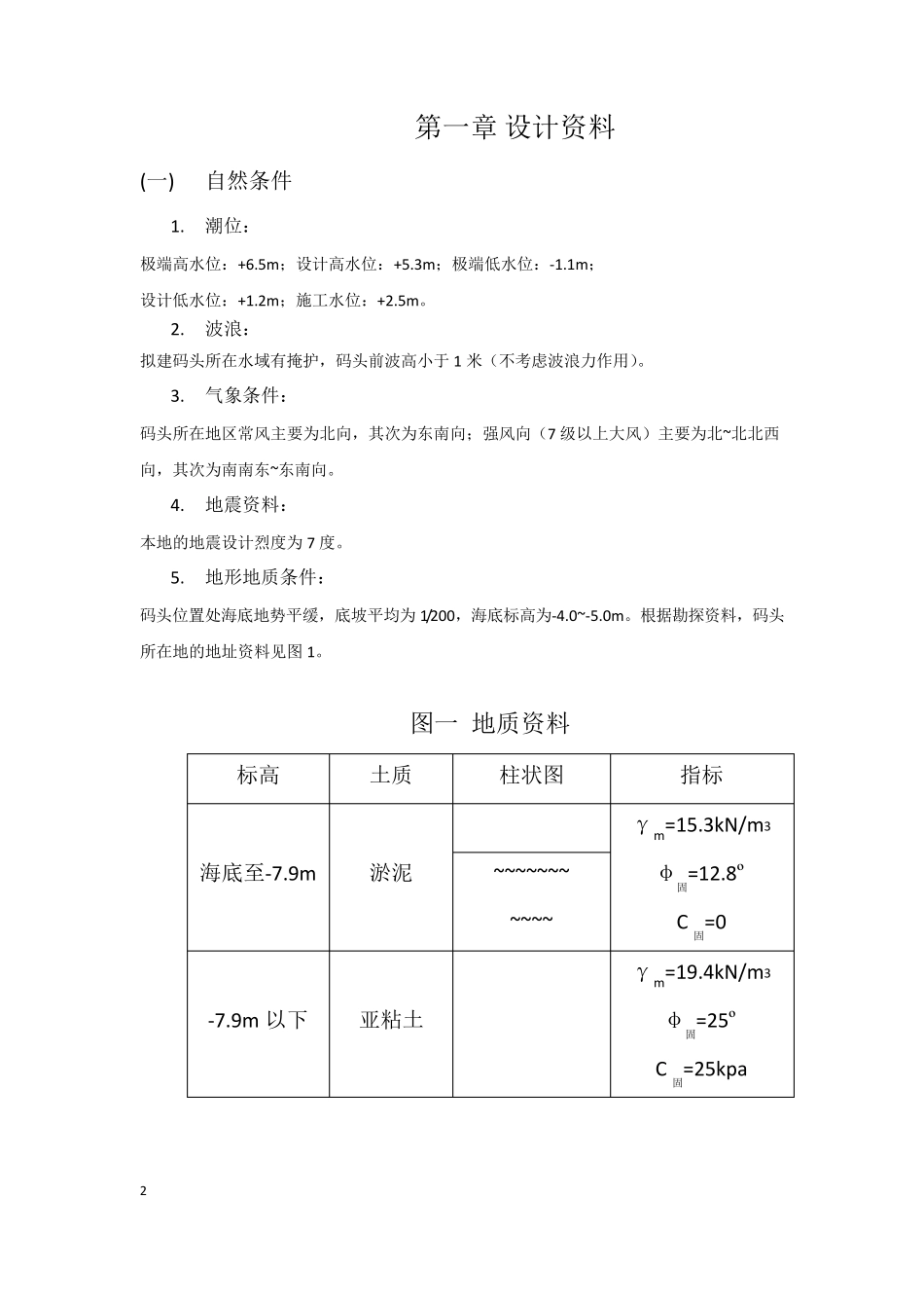
1 目录 第一章 设计资料------------------------------------- 3 第二章 码头标准断面设计------------------------ 5 第三章 沉箱设计------------------------------------- 11 第四章 作用标准值分类及计算----------------- 15 第五章 码头标准断面各项稳定性验算------- 44 2 第一章 设计资料 (一) 自然条件 1. 潮位: 极端高水位:+6.5m;设计高水位:+5.3m;极端低水位:-1.1m; 设计低水位:+1.2m;施工水位:+2.5m。 2. 波浪: 拟建码头所在水域有掩护,码头前波高小于1 米(不考虑波浪力作用)。 3. 气象条件: 码头所在地区常风主要为北向,其次为东南向;强风向(7 级以上大风)主要为北~北北西向,其次为南南东~东南向。 4. 地震资料: 本地的地震设计烈度为7 度。 5. 地形地质条件: 码头位置处海底地势平缓,底坡平均为1/200,海底标高为-4.0~-5.0m。根据勘探资料,码头所在地的地址资料见图1。 图一 地质资料 标高 土质 柱状图 指标 海底至-7.9m 淤泥 γm=15.3kN/m3 φ固=12.8º C固=0 ~~~~~~~ ~~~~ -7.9m 以下 亚 粘 土 γm=19.4kN/m3 φ固=25º C固=25kpa 3 (二) 码头前沿设计高程: 对于有掩护码头的顶标高,按照两种标准计算: 基本标准:码头顶标高=设计高水位+超高值(1.0~1.5m)=5.30+(1.0~1.5)=6.30~6.80m 复核标准:码头顶标高=极端高水位+超高值(0~0.5m)=6.50+(0~0.5)=6.50~7.00m (三) 码头结构安全等级及用途: 码头结构安全等级为二级,件杂货码头。 (四) 材料指标: 拟建码头所需部分材料及其重度、内摩擦角的标准值可按表1 选用。 材料名称 重度γ(kN/m3) 内摩擦角φ(度) 水上 水下 水上 水下 混凝土 23~24 13~14 / / 钢筋混凝土 24~25 14~15 / / 块石 17 10 45 45 渣石 18 10 29 29 表1 (五) 使用荷载: 1. 堆货荷载: 前沿q1=20kpa;前方堆场 q2=30kpa。 2. 门机荷载: 按《港口工程荷载规范》附录 C 荷载代号 Mh-10 -25 设计。 3. 铁路荷载: 港口通过机车类型为干线机车,按《港口工程荷载规范》表7.0.3-2 中的铁路竖向线荷载标准值设计。 4. 船舶系缆力: 按普通系缆力计算,设计风速 22m/s。 4 (六) 设计船型:万吨级杂货船 总长L×型宽 B×型深 H×满载吃水 T:146×22×13.1×8.7m 第二章 码头标准断面设计 第一节 码头各部分标高 (一) 码头(胸墙...

1、当您付费下载文档后,您只拥有了使用权限,并不意味着购买了版权,文档只能用于自身使用,不得用于其他商业用途(如 [转卖]进行直接盈利或[编辑后售卖]进行间接盈利)。
2、本站所有内容均由合作方或网友上传,本站不对文档的完整性、权威性及其观点立场正确性做任何保证或承诺!文档内容仅供研究参考,付费前请自行鉴别。
3、如文档内容存在违规,或者侵犯商业秘密、侵犯著作权等,请点击“违规举报”。

碎片内容

沉箱重力式码头课程设计计算书

确认删除?
VIP
微信客服
  • 扫码咨询
会员Q群
  • 会员专属群点击这里加入QQ群
客服邮箱
回到顶部