电脑桌面
添加小米粒文库到电脑桌面
安装后可以在桌面快捷访问

轻质抹灰石膏施工技术方案

轻质抹灰石膏施工技术方案_第1页
1/13
轻质抹灰石膏施工技术方案_第2页
2/13
轻质抹灰石膏施工技术方案_第3页
3/13
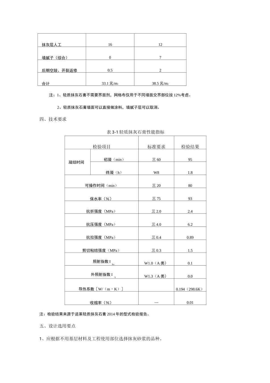
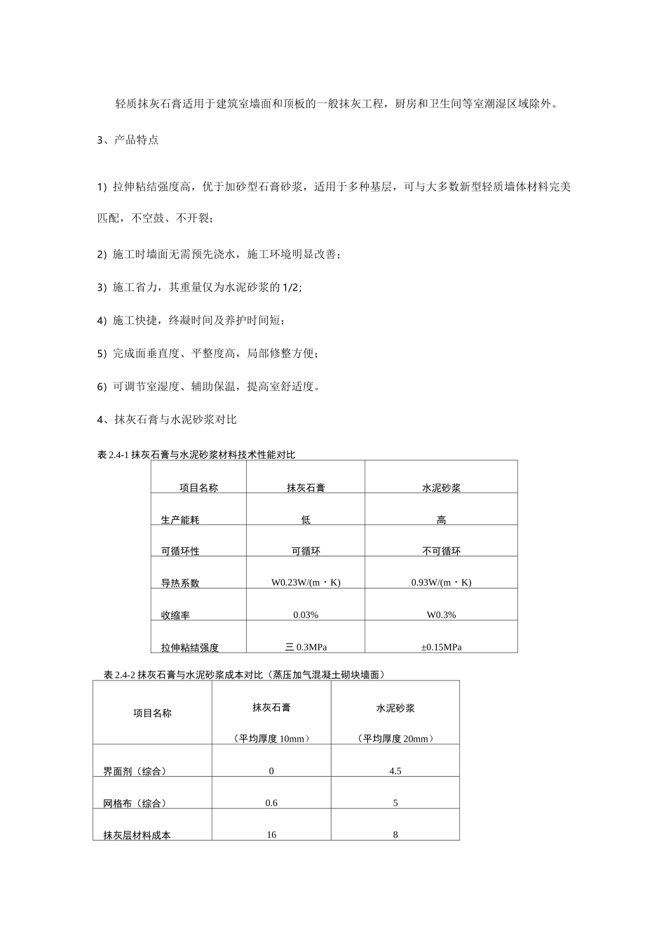
轻质抹灰石膏施工技术方案一、编制依据1、GB50210-2001《建筑装饰装修工程质量验收规》2、GB6566-2010《建筑材料放射性核素限量》3、GB/T28627-2012《抹灰石膏》4、JGJ/T220-2010《抹灰砂浆技术规程》5、JGJ/T17-2008《蒸压加气混凝土建筑应用技术规程》6、JC890-2001《蒸压加气混凝土用砌筑砂浆和抹面砂浆》二、工程概况1、东部新城核心区 B1 花园(维科•东院)项目地位于东部新城,东邻新木契河,北面为东泰街,南面为会展路,西面为河清路。项目建设用地面积为 68894.0 平方米,地上总建筑面积约145349.7 平方米,地下总建筑面积 61500 平方米。本工程 I 标段总建筑面积约为 94000 平方米,建筑结构型式为框架剪力墙结构,其中地上建筑 72000 平方米,地下建筑面积 22000 平方米,共有 18-22 层高层建筑 9 幢,具体楼幢为:7#楼、8#楼、11#楼、14#、15#、16#、17#、18#、19#楼,其它单体包括:1#配电房、2#配电房、门卫及本标段地下室等。建设单位:维科城东置业设计单位:市工业建筑设计研究院勘察单位:市工业建筑设计研究院监理单位:华胜工程建设科技施工单位:置华建设三、产品介绍1、产品说明轻质抹灰石膏是采用纯度大于 90%的脱硫石膏制成的室干燥区域找平材料。2、适用围轻质抹灰石膏适用于建筑室墙面和顶板的一般抹灰工程,厨房和卫生间等室潮湿区域除外。3、产品特点1)拉伸粘结强度高,优于加砂型石膏砂浆,适用于多种基层,可与大多数新型轻质墙体材料完美匹配,不空鼓、不开裂;2)施工时墙面无需预先浇水,施工环境明显改善;3)施工省力,其重量仅为水泥砂浆的 1/2;4)施工快捷,终凝时间及养护时间短;5)完成面垂直度、平整度高,局部修整方便;6)可调节室湿度、辅助保温,提高室舒适度。4、抹灰石膏与水泥砂浆对比表 2.4-1 抹灰石膏与水泥砂浆材料技术性能对比项目名称抹灰石膏水泥砂浆生产能耗低高可循环性可循环不可循环导热系数W0.23W/(m・K)0.93W/(m・K)收缩率0.03%W0.3%拉伸粘结强度三 0.3MPa±0.15MPa表 2.4-2 抹灰石膏与水泥砂浆成本对比(蒸压加气混凝土砌块墙面)项目名称抹灰石膏(平均厚度 10mm)水泥砂浆(平均厚度 20mm)界面剂(综合)04.5网格布(综合)0.65抹灰层材料成本168抹灰层人工1612墙腻子(综合)07后期空鼓、开裂返修0.52合计33.1 元/m238.5 元/m2注:1、轻质抹灰石膏不需要界面剂,网格布仅用于不同墙面交界部位按 12%考虑。2、轻质抹灰石膏墙面可以直接做涂料...

1、当您付费下载文档后,您只拥有了使用权限,并不意味着购买了版权,文档只能用于自身使用,不得用于其他商业用途(如 [转卖]进行直接盈利或[编辑后售卖]进行间接盈利)。
2、本站所有内容均由合作方或网友上传,本站不对文档的完整性、权威性及其观点立场正确性做任何保证或承诺!文档内容仅供研究参考,付费前请自行鉴别。
3、如文档内容存在违规,或者侵犯商业秘密、侵犯著作权等,请点击“违规举报”。

碎片内容

轻质抹灰石膏施工技术方案

您可能关注的文档

确认删除?
VIP
微信客服
  • 扫码咨询
会员Q群
  • 会员专属群点击这里加入QQ群
客服邮箱
回到顶部