电脑桌面
添加小米粒文库到电脑桌面
安装后可以在桌面快捷访问

液压考试复习题VIP专享

液压考试复习题_第1页
1/8
液压考试复习题_第2页
2/8
液压考试复习题_第3页
3/8
一、填空I、液压系统中的压力取决于—负 4,执行元件的运动速度取决于—流量一2•、液压与气压传动是以一流体—作为工作介质对能量进行传递和控制的一种一—形式。3、液体质点没有横向脉动,互不干扰作定向而不混杂的有层次的运动,称为—流运动;在液体流速等于某一数值后,液体除交错而义混乱的沿某一方向运动外,还有一个脉动的横向速度,这种运动称之为一流运动。4、液压传动系统是依靠液体在密封油腔容积变化中的——来实现运动和力传递的,液压传动装置从本质上讲是一种—能量—转换装置,它先将机械能转换为便于输送的——,然后再将一转换为机械能做功。5、不可压缩液体定常流动的总流伯努利方程中除去液体的位能、压力能利动能外,还应包括一项重要参数是液体沿总流一机械能损失—的平均值。6、液体受到外力作用而流动时,分子间的内聚力阻止分子间的相对运动而产生一种内摩擦力,这种产生内摩擦力的性质称为一粘性。一粘d 的大小用黏度来表示。常用的黏度表示方法有三种,即一动力粘度_、运动粘度和一相对粘度。7、液体流动时的压力损失可以分为两人类,即—沿稈压力损失和—局部压力损失。8、泵每转一弧度,由其儿何尺寸计算而得到的排山液体的体积,称为泵的—排量—。9、在液压传动中,能量损失主要变现为压力损失,压力损失可分为一—压力损失和—局部—压力损失。10、在泵的排油管路中,其绝对压力为 10Mpa,则表压力为一 9.9 一 Mpa;在泵的吸油管,绝对压力为 0.07Mpa,则真空度为 0.03Mpa。II、液压泵的功率损失有一容积损失和_—损失两部分。12、双作用叶片泵一般为一量泵;单作用叶片泵一般为—变—量泵。13、液压泵的种类很多,按其结构形式可分为__、_叶片泵_、柱塞泵__和螺杆泵等。14、•轴向柱塞泵主要由驱动轴、斜盘、柱塞、缸体和配油盘五大部分组成。—斜盘倾角可以改变油泵的排量。15、液压执行元件用来驱动工作机构做功,液压执行元件包括一—和液压马达—两大类,其中液压缸实现往复直线运动或摆动,一液压马达一实现旋转运动。16、液压缸是将——能转变为—机械—能,用来实现直线往复运动的执行元件。17、在液压系统中,用于控制液体的一_、一_、和一流量大小的元件称为液压控制阀。18、溢流阀调定的是■讲口压力,而减压阀调定的是出口压力:溢流阀采用_内—泄,而减压阀采用_—泄。19、液压调速回路按改变流量的方式不同可分为三类:方向控制回路、压力控制回路和速度控制回路。20、流量控制阀是通过改变节...

1、当您付费下载文档后,您只拥有了使用权限,并不意味着购买了版权,文档只能用于自身使用,不得用于其他商业用途(如 [转卖]进行直接盈利或[编辑后售卖]进行间接盈利)。
2、本站所有内容均由合作方或网友上传,本站不对文档的完整性、权威性及其观点立场正确性做任何保证或承诺!文档内容仅供研究参考,付费前请自行鉴别。
3、如文档内容存在违规,或者侵犯商业秘密、侵犯著作权等,请点击“违规举报”。

碎片内容

液压考试复习题

确认删除?
VIP
微信客服
  • 扫码咨询
会员Q群
  • 会员专属群点击这里加入QQ群
客服邮箱
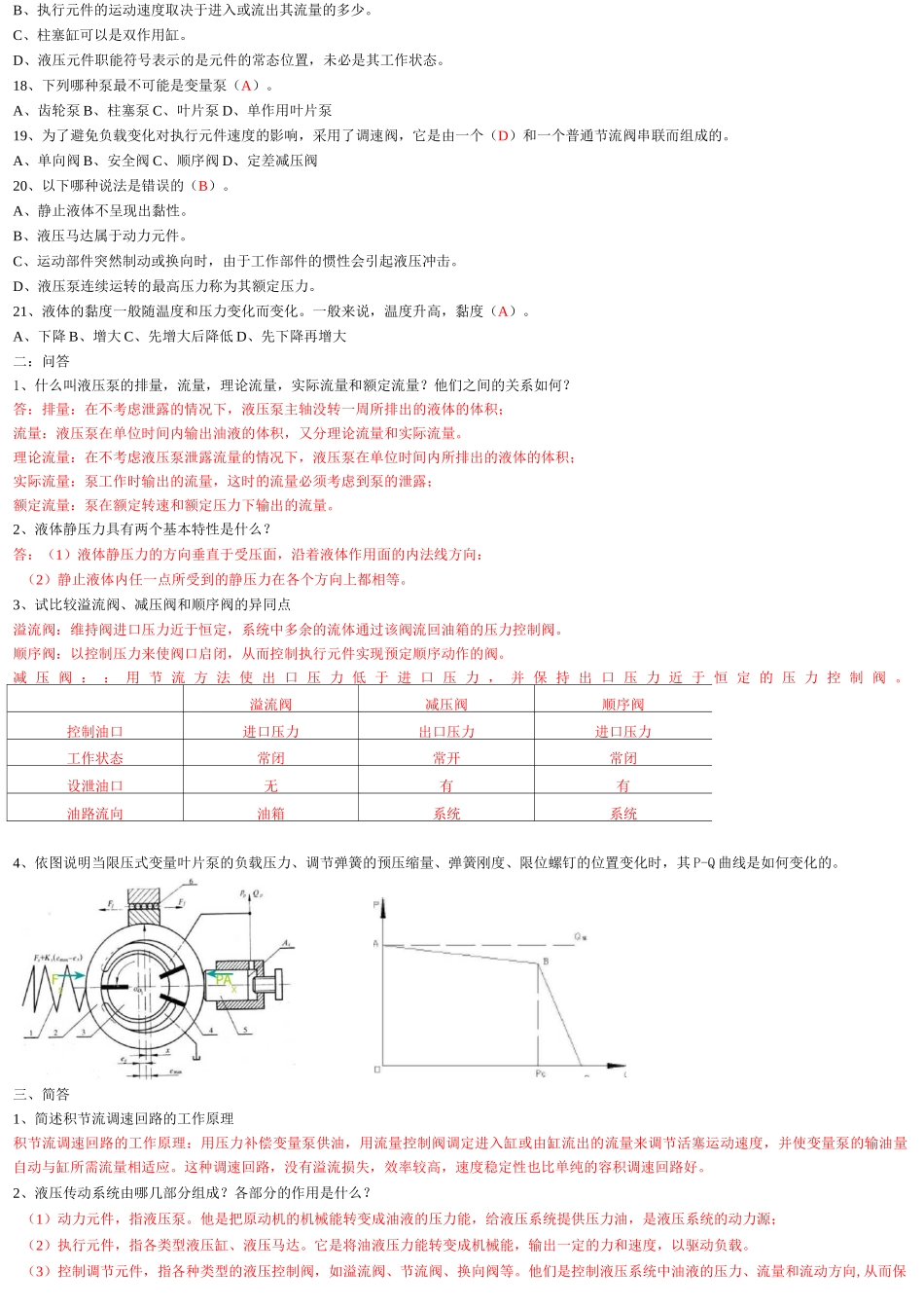
回到顶部