电脑桌面
添加小米粒文库到电脑桌面
安装后可以在桌面快捷访问

河北省建筑工程竣工验收报告填写范例

河北省建筑工程竣工验收报告填写范例_第1页
1/10
河北省建筑工程竣工验收报告填写范例_第2页
2/10
河北省建筑工程竣工验收报告填写范例_第3页
3/10
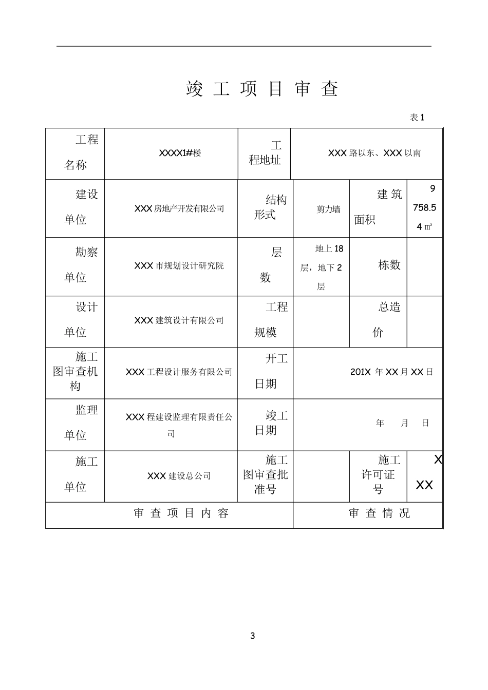
1 河 北 省 建设工程竣工验收报告 河北省住房和城乡建设厅制 2 填 报 说 明 1、竣工验收报告由建设单位负责填写。 2、竣工验收报告一式四份,一律用钢笔书写,字迹要清晰工整。建设单位、施工单位、城建档案管理部门、建设行政主管部门或其它有关专业工程主管部门各存一份。 3、报告内容必须真实可靠,如发现虚假情况,不予备案。 4、报告须经建设、勘察设计、施工图审查机构、施工监理单位法定代表人或委托代理人签字,并加盖单位公章后方为有效。 3 竣 工 项 目 审 查 表1 工程名称 XXXX1#楼 工程地址 XXX 路以东、XXX 以南 建设单位 XXX 房地产开发有限公司 结构形式 剪力墙 建 筑面积 9758.54 ㎡ 勘察单位 XXX 市规划设计研究院 层 数 地上 18层,地下 2层 栋数 设计单位 XXX 建筑设计有限公司 工程规模 总造价 施工图审查机构 XXX 工程设计服务有限公司 开工日期 201X 年 XX 月 XX 日 监理单位 XXX 程建设监理有限责任公司 竣工日期 年 月 日 施工单位 XXX 建设总公司 施工图审查批准号 施工许可证 号 XX X 审 查 项 目 内 容 审 查 情 况 4 一、完成设计项目情况 1、基础、主体、室内外装饰工程 2、给排水工程、燃气工程、消防工程 3、建筑电气安装工程 4、通风与空调工程 5、电梯、电扶梯安装工程 6、室外工程 7、市政道路、桥梁工程 已按合同约定期限完成了设计文件规定的内容,即地基与基础、主体结构;建筑装饰、装修;建筑屋面、建筑给水、排水及采暖;建筑电气。 二、完成合同约定情况 1、总包合同约定 2、分包合同约定 3、专业承包合同约定 已按合同的约定,完成了工程项目的内容和约定的工期。 该项目无分包和专业承包。 三、技术档案和施工管理资料 1、建设前期、施工图设计审查等技术档案 2、监理技术档案和管理资料 3、施工技术档案和管理资料 前期报建资料应 X 项,符合要求 X 项;监理资料应 Y 项,符合要求 Y 项。施工资料应 Z 项,符合要求Z 项。 四、试验报告 1、主要建筑材料 2、构配件 3、设备 主要建筑材料,构配件、设备报告已齐全、有效 五、质量合格文件 1、勘察单位 2、设计单位 3、施工图审查单位 4、施工单位 5、监理单位 勘查、设计、施工图审查均已出具了质量检查合格报告。 施工单位出具了竣工报告,自评质量等级为合格。 5 监理公司出具了质量评估报告,该工程质量等...

1、当您付费下载文档后,您只拥有了使用权限,并不意味着购买了版权,文档只能用于自身使用,不得用于其他商业用途(如 [转卖]进行直接盈利或[编辑后售卖]进行间接盈利)。
2、本站所有内容均由合作方或网友上传,本站不对文档的完整性、权威性及其观点立场正确性做任何保证或承诺!文档内容仅供研究参考,付费前请自行鉴别。
3、如文档内容存在违规,或者侵犯商业秘密、侵犯著作权等,请点击“违规举报”。

碎片内容

河北省建筑工程竣工验收报告填写范例

您可能关注的文档

小辰7+ 关注
实名认证
内容提供者

出售各种资料和文档

确认删除?
VIP
微信客服
  • 扫码咨询
会员Q群
  • 会员专属群点击这里加入QQ群
客服邮箱
回到顶部