电脑桌面
添加小米粒文库到电脑桌面
安装后可以在桌面快捷访问

油库自评得分表1

油库自评得分表1_第1页
1/8
油库自评得分表1_第2页
2/8
油库自评得分表1_第3页
3/8
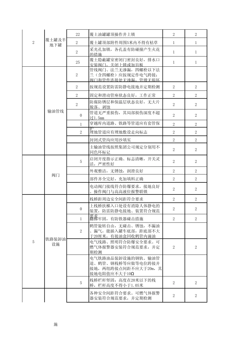
序号 项目 编号考核标准分值自评得分1油罐之间以及 油罐区与周边设施的安全距离符合规定。汽油罐区可燃气体报警器安装符合规范要求,并定期检测222排水阀门灵活无堵塞、无渗漏,处于常关状态,责任落实到人333山区油库设有防火隔离墙,内有防火带、消防水等有效消防措施224罐基础及护坡完好,无沉陷、倾斜、裂缝,整体沉降和不均匀沉降不超过标准,油罐底座周边无积水225油罐体无变形,各部位无渗漏226油罐进出管线上的主要阀门上锁337罐体无大片脱漆和锈蚀(注:每个油罐脱漆面积每处不大于5平方厘米,累计不大于20平方厘米)228储罐上罐扶梯入口处设消除人体静电装置229防雷、防静电接地符合要求并定期测试 3310钢质油罐防雷接地每30米一组,且不少于二 组,电阻 值应 小 于10欧 姆 。设接地电阻 检测断 接卡 ,断 接卡 连 接螺 栓 为 不锈钢2211建 立 清 洗 油罐档 案 ,立 式 罐要有年 度 清洗 计划 ,并按 清 罐规程 清 洗 油罐2212油罐喷 淋 设施安装合理 、有效、无盲区,定期冲 洗 、排渣 ( 注:每半 年 一次维 护一次 且有台 账 记 录 ,管线无排渣 口扣 全分)2213呼 吸 阀、透 气孔 、阻 火器、量 油口等齐全有效,并定期维 护、保 养 、检查3314储罐阻 火器为 波 纹 板 式 阻 火器,旋 梯、扶手 、栏 杆 、平台 、防滑 踏 步 牢 固 完好2215排污 阀畅 通 、进出口阀门和人孔 无渗漏、浮 盘 运 行 正 常2216油罐上安装的信 息 系 统 装置,其 金 属 外壳 应 与罐体做 电气连 接;仪 器、仪 表 安装及配 线符合防爆 要求2217防火堤 容 积、高 度 、人行 踏 步 和隔堤 设置符合油库设计规范要求2218防火堤 内地坪 平整、无杂 草 、杂 物 ,草坪 高 度 不超过15厘米2219防火堤 无漏洞 、无破 损 ; 防火堤 与消防通 道 之间不应 种 树4420管道 穿 越 防火堤 处应 加 套 管并采 用 非 燃烧 材 料 严 密 填 实4421覆 土 隐 蔽 库的罐室 及巷 道 无崩 裂危 险 ,设施定期维 护保 养 、通 风 良 好11第 二 部分 设备 设施运 行 好( 300分)1油罐区地下 罐22覆土油罐罐顶操作井上锁2223覆土罐顶部附件周围5米内不得有枯草 1124采光孔加锁,各孔盖有防碰撞产生火花的措施1125覆土隐蔽罐室密闭门密封良好,排水口安装阀门,关闭上锁或加盲板1126管线阀门、法兰无渗...

1、当您付费下载文档后,您只拥有了使用权限,并不意味着购买了版权,文档只能用于自身使用,不得用于其他商业用途(如 [转卖]进行直接盈利或[编辑后售卖]进行间接盈利)。
2、本站所有内容均由合作方或网友上传,本站不对文档的完整性、权威性及其观点立场正确性做任何保证或承诺!文档内容仅供研究参考,付费前请自行鉴别。
3、如文档内容存在违规,或者侵犯商业秘密、侵犯著作权等,请点击“违规举报”。

碎片内容

油库自评得分表1

您可能关注的文档

确认删除?
VIP
微信客服
  • 扫码咨询
会员Q群
  • 会员专属群点击这里加入QQ群
客服邮箱
回到顶部