电脑桌面
添加小米粒文库到电脑桌面
安装后可以在桌面快捷访问

油气输送管道和油库检查表

油气输送管道和油库检查表_第1页
1/6
油气输送管道和油库检查表_第2页
2/6
油气输送管道和油库检查表_第3页
3/6
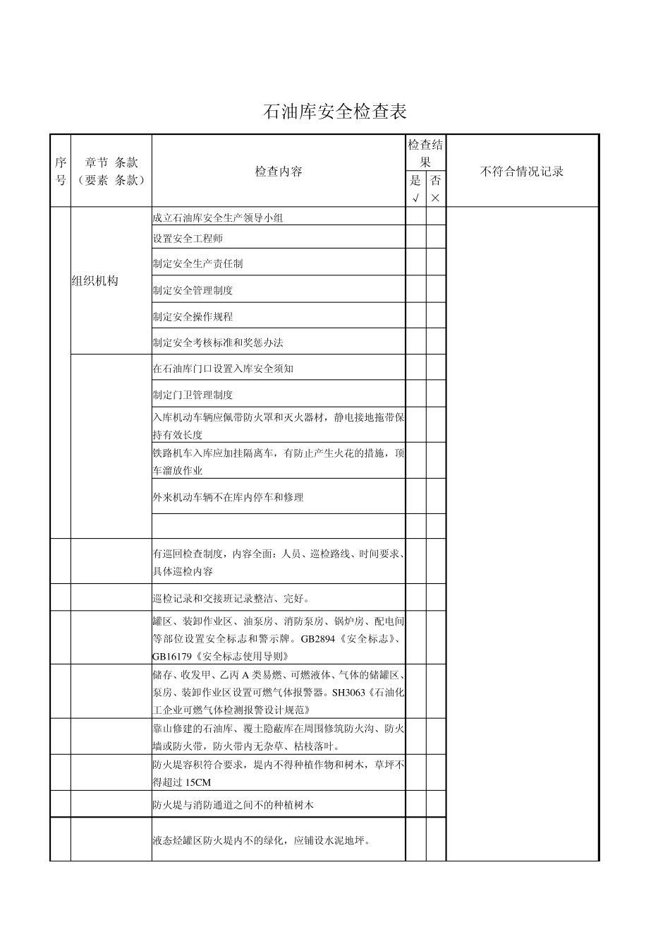
油气管道输送安全检查表 序号 章节/条款 (要素/条款) 检查内容 检查 结果 不符合情况记录 是√ 否× 1 运行管理 油气管道投产前制订投产方案 投产方案内容要包括:组织机构、具体计划、投产程序、各阶段要求、工艺运行参数、安全措施、应急预案 投产前进行试运行 整体试运行在系统试运合格后进行;液体输送管道以水为介质;天然气管道以气体为介质。 建立安全技术操作规程,内容:工艺流程图、工艺指标、开停作业程序、异常情况处理措施、防冻防凝安全要求、清管操作程序。 建立巡检制度 SY/T5922《天然气输送管道运行管理规范》 SY6457《含硫天然气管道安全规程》 SY6506《含硫气田干气输送安全生产管理规定》 混油头处理 原油及蜡油输送管道,清管有规程、有方案,清管周期合理。 需封存油气管道的处理:排除油气,采取管道内防腐和阴极保护措施。 报废油气管道处理:彻底清理 高、低压泄压伐完好投用,定期检验。 工艺管线涂色符合标准 管线防静电连接符合规范要求 电动阀门符合防爆要求,限位开关及零部件灵活好用,有编号、无渗漏。 转动设备的联轴器防护罩完好、设备接地良好。 输油气泵定期润滑、维护保养。 加热炉 加热炉安全附件完好,安全阀每年检验一次,压力表每半年校验一次。 加热炉装设火星熄灭报警装置及安全联锁保护装置 重新点炉前,按规定进行炉膛吹扫。 安全装置 管道泄漏检测报警、可燃气体泄漏检测报警、火灾报警;系统和检测仪每年进行一次校验。 超温和压力异常报警 自动停泵和压力泄放 水击保护 阴极防护 应急管理 成立抢险应急队伍,制定应急预案,人员和设备的配备符合要求。 应急预案要包括:管线断裂、设备故障、可燃物质泄漏、火灾与爆炸、人员中毒、地震和洪水、人员撤离和疏散等内容。 2 管道检测 有油气管道定期检测计划 建立完善的检测档案 检测单位取得政府行政部门认定的资质 一般检测:管道损伤及变形、防腐层和绝热层、管道附件和安全装置、管道防护带和覆土、管道标志桩、锚固墩、测试桩、围栅、拉索、标志牌、电法保护系统。 3 全面检测:管道测厚、土壤腐蚀性参数测试、杂散电流测试、管道监控系统检查、管内腐蚀介质测定。 站场安全 生产区与生活区分开,实行封闭化管理。 有明显的防火警示标志 灯具、电气设备、仪表、控制系统、测试仪器等,符合防爆等级要求。 石油库安全检查表 序号 章节/条款 (要素/条款) 检查内容 检查结果 不...

1、当您付费下载文档后,您只拥有了使用权限,并不意味着购买了版权,文档只能用于自身使用,不得用于其他商业用途(如 [转卖]进行直接盈利或[编辑后售卖]进行间接盈利)。
2、本站所有内容均由合作方或网友上传,本站不对文档的完整性、权威性及其观点立场正确性做任何保证或承诺!文档内容仅供研究参考,付费前请自行鉴别。
3、如文档内容存在违规,或者侵犯商业秘密、侵犯著作权等,请点击“违规举报”。

碎片内容

油气输送管道和油库检查表

您可能关注的文档

确认删除?
VIP
微信客服
  • 扫码咨询
会员Q群
  • 会员专属群点击这里加入QQ群
客服邮箱
回到顶部