电脑桌面
添加小米粒文库到电脑桌面
安装后可以在桌面快捷访问

油浸式电力变压器技术参数和要求

油浸式电力变压器技术参数和要求_第1页
1/65
油浸式电力变压器技术参数和要求_第2页
2/65
油浸式电力变压器技术参数和要求_第3页
3/65
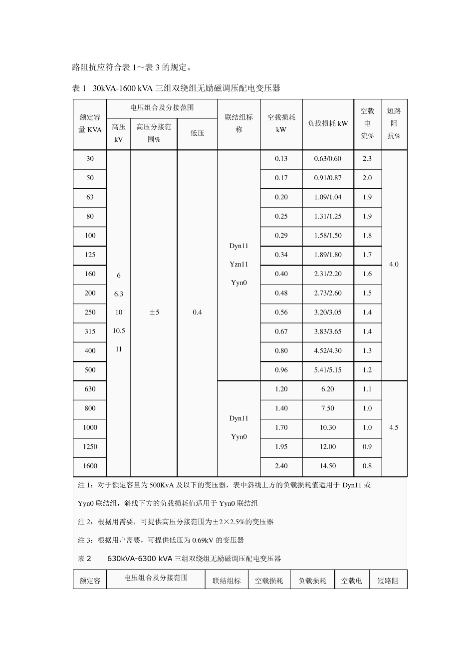
油浸式电力变压器 技术参数和要求 GB/T 6451--2008 1 范围 本标准规定了额定容量为 30 kVA 及以上,电压等级为 6 kV、10 kV、20 kV、35 kV、66 kV、110 kV、220 kV、330 kV 和 500 kV 三相及 500 kV 单相油浸式电力变压器的性能参数,技术要求,测试项目及标志、起吊、安装、运输和贮存。 本标准适用于电压等级为 6 kV,--500 kV、额定容量为 30 kVA 及以上、额定频率为 50 Hz的油浸式电力变压器. 2 规范性引用文件 下列文件中的条款通过本标准的引用而成为本标准的条款。凡是注日期的引用文件,其随后所有的修改单(不包括勘误的内容)或修订版均不适用于本标准,然而,鼓励根据本标准达成协议的各方研究是否可使用这些文件的最新版本。凡是不注日期的引用文件,其最新版本适用于本标准。 GB 1094.1 电力变压器第 1 部分:总则(GB 1094.1--1996,eqv IEC 60076-1:1993) GB 1094.2 电力变压器第 2 部分:温升(GB 1094.2--1996,eqv IEC 60076-2,1993) GB 1094.3 电力变压器第 3 部分:绝缘水平、绝缘试验和外绝缘空气间隙(GB 1094.3--2003,IEC 60076-3:2000,MOD) GB 1094.5 电 力 变 压 器 第 5 部 分 : 承受短路的 能 力 (GB 1094. 5--2003,IEC 60076-5:2000,MOD) GB/T 2900.15--1997 电工术语 变压器、互感器、调压器和电抗器(neq IEC50(421):1990;IEC50(321),1986) GB/T 15164 油浸式电力变压器负载导则(GB/T 15164--1994,idt IEC 60354:1991) JB/T 10088--2004 6 kV—-500 kV 级电力变压器声级 3 术语和定义 GB 1094.1 和 GB/T2900.15 中确立的术语和定义适用于本标准. 4 6kV、10 kV 电压等级 4.1 性能参数 4.1.1 额定容量、电压组合、分接范围、联结组标号、空载损耗、负载损耗、空载电流及短路阻抗应符合表1~表3 的规定。 表1 30kVA-1600 kVA 三组双绕组无励磁调压配电变压器 额定容量KVA 电压组合及分接范围 联结组标称 空载损耗kW 负载损耗kW 空载电流% 短路阻抗% 高压kV 高压分接范围% 低压 30 6 6.3 10 10.5 11 ±5 0.4 Dyn11 Yzn11 Yyn0 0.13 0.63/0.60 2.3 4.0 50 0.17 0.91/0.87 2.0 63 0.20 1.09/1.04 1.9 80 0.25 1.31/1.25 1.9 100 0.29 1.58/1.50 1.8 125 0.34 1.89/1.80 1.7 160 0.40 2.31/2.20 1.6 200 0.48 2.73/2.60 1.5 250 0.56 3....

1、当您付费下载文档后,您只拥有了使用权限,并不意味着购买了版权,文档只能用于自身使用,不得用于其他商业用途(如 [转卖]进行直接盈利或[编辑后售卖]进行间接盈利)。
2、本站所有内容均由合作方或网友上传,本站不对文档的完整性、权威性及其观点立场正确性做任何保证或承诺!文档内容仅供研究参考,付费前请自行鉴别。
3、如文档内容存在违规,或者侵犯商业秘密、侵犯著作权等,请点击“违规举报”。

碎片内容

油浸式电力变压器技术参数和要求

确认删除?
VIP
微信客服
  • 扫码咨询
会员Q群
  • 会员专属群点击这里加入QQ群
客服邮箱
回到顶部