电脑桌面
添加小米粒文库到电脑桌面
安装后可以在桌面快捷访问

电动机回路电缆截面选择表

电动机回路电缆截面选择表_第1页
1/6
电动机回路电缆截面选择表_第2页
2/6
电动机回路电缆截面选择表_第3页
3/6
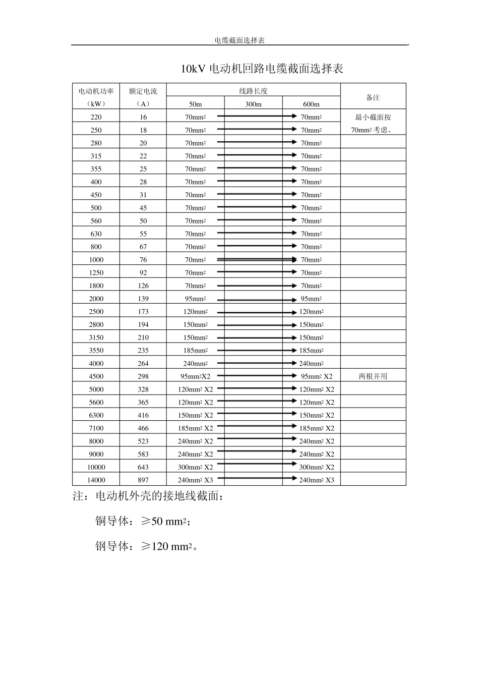
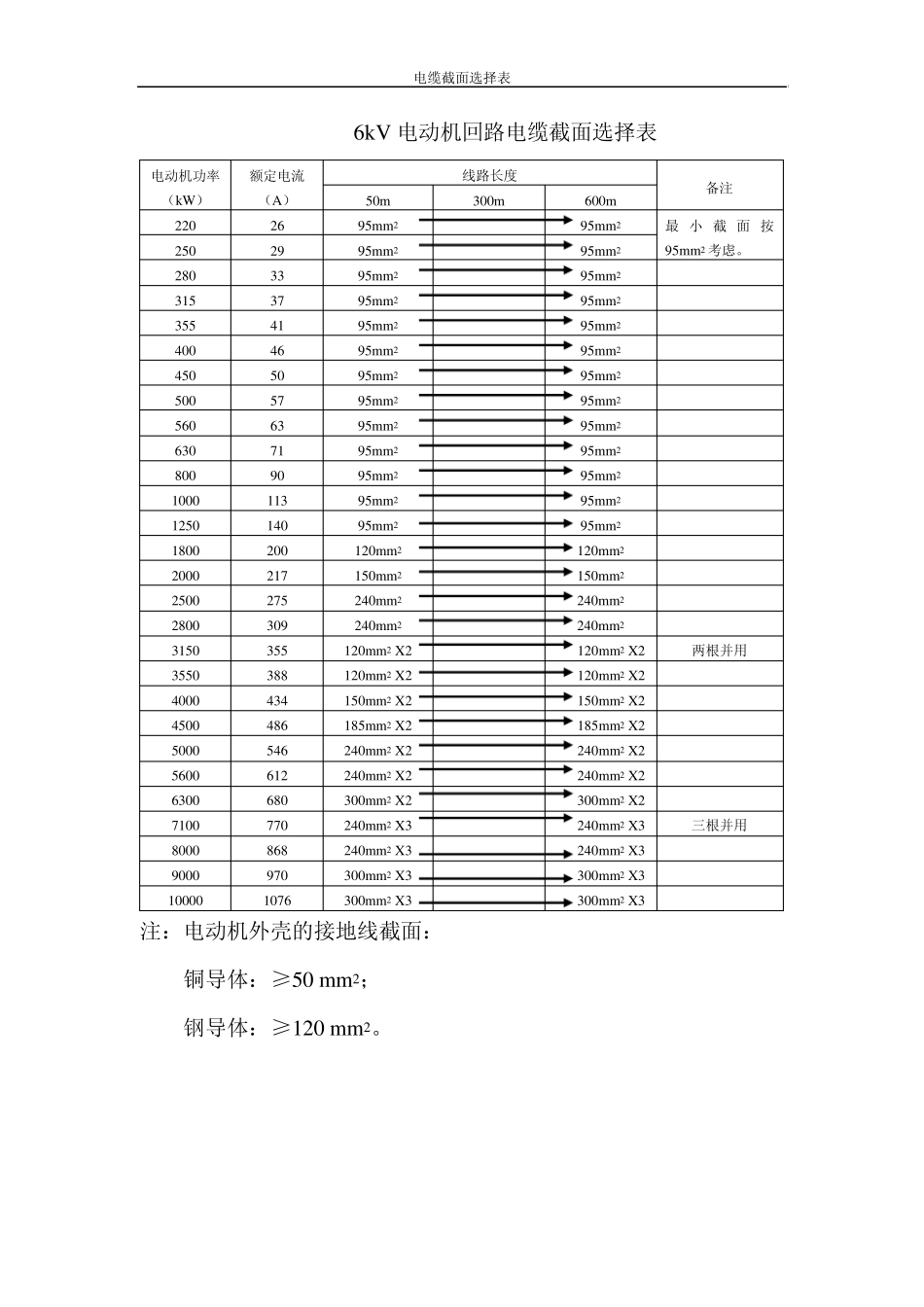
电缆截面选择表 6kV 电动机回路电缆截面选择表 电动机功率(kW) 额定电流 (A) 线路长度 备注 50m 300m 600m 220 26 95m m 2 95m m 2 最小截面按95m m 2 考虑。 250 29 95m m 2 95m m 2 280 33 95m m 2 95m m 2 315 37 95m m 2 95m m 2 355 41 95m m 2 95m m 2 400 46 95m m 2 95m m 2 450 50 95m m 2 95m m 2 500 57 95m m 2 95m m 2 560 63 95m m 2 95m m 2 630 71 95m m 2 95m m 2 800 90 95m m 2 95m m 2 1000 113 95m m 2 95m m 2 1250 140 95m m 2 95m m 2 1800 200 120m m 2 120m m 2 2000 217 150m m 2 150m m 2 2500 275 240m m 2 240m m 2 2800 309 240m m 2 240m m 2 3150 355 120m m 2 X2 120m m 2 X2 两根并用 3550 388 120m m 2 X2 120m m 2 X2 4000 434 150m m 2 X2 150m m 2 X2 4500 486 185m m 2 X2 185m m 2 X2 5000 546 240m m 2 X2 240m m 2 X2 5600 612 240m m 2 X2 240m m 2 X2 6300 680 300m m 2 X2 300m m 2 X2 7100 770 240m m 2 X3 240m m 2 X3 三根并用 8000 868 240m m 2 X3 240m m 2 X3 9000 970 300m m 2 X3 300m m 2 X3 10000 1076 300m m 2 X3 300m m 2 X3 注:电动机外壳的接地线截面: 铜导体:≥50 m m 2; 钢导体:≥120 m m 2。 电缆截面选择表 10kV 电动机回路电缆截面选择表 电动机功率(kW) 额定电流 (A) 线路长度 备注 50m 300m 600m 220 16 70m m 2 70m m 2 最小截面按70m m 2 考虑。 250 18 70m m 2 70m m 2 280 20 70m m 2 70m m 2 315 22 70m m 2 70m m 2 355 25 70m m 2 70m m 2 400 28 70m m 2 70m m 2 450 31 70m m 2 70m m 2 500 45 70m m 2 70m m 2 560 50 70m m 2 70m m 2 630 55 70m m 2 70m m 2 800 67 70m m 2 70m m 2 1000 76 70m m 2 70m m 2 1250 92 70m m 2 70m m 2 1800 126 70m m 2 70m m 2 2000 139 95m m 2 95m m 2 2500 173 120m m 2 120m m 2 2800 194 150m m 2 150m m 2 3150 210 150m m 2 150m m 2 3550 235...

1、当您付费下载文档后,您只拥有了使用权限,并不意味着购买了版权,文档只能用于自身使用,不得用于其他商业用途(如 [转卖]进行直接盈利或[编辑后售卖]进行间接盈利)。
2、本站所有内容均由合作方或网友上传,本站不对文档的完整性、权威性及其观点立场正确性做任何保证或承诺!文档内容仅供研究参考,付费前请自行鉴别。
3、如文档内容存在违规,或者侵犯商业秘密、侵犯著作权等,请点击“违规举报”。

碎片内容

电动机回路电缆截面选择表

小辰4+ 关注
实名认证
内容提供者

出售各种资料和文档

确认删除?
VIP
微信客服
  • 扫码咨询
会员Q群
  • 会员专属群点击这里加入QQ群
客服邮箱
回到顶部