电脑桌面
添加小米粒文库到电脑桌面
安装后可以在桌面快捷访问

电子元器件材料检验规范标准书

电子元器件材料检验规范标准书_第1页
1/13
电子元器件材料检验规范标准书_第2页
2/13
电子元器件材料检验规范标准书_第3页
3/13
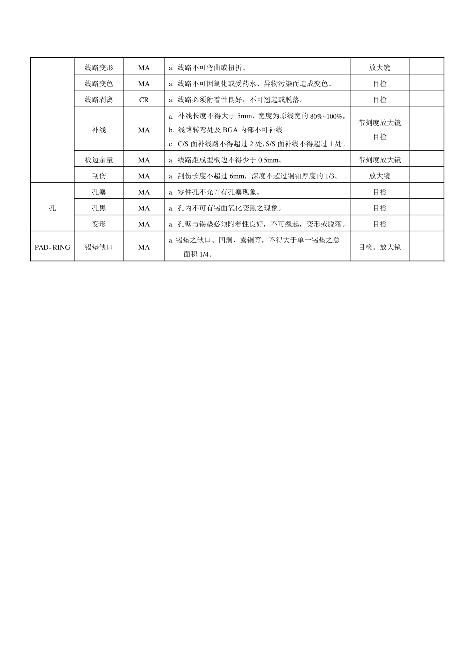
文件类别: 文件编号 XX-IQC-XX-01 物料检验规范 文件版本 1.0 制定部门 品质部 制定日期 XX-XX-22 制定人员 XX 修改日期 / 页 次 1 o f 13 元 器 件 检 验 规 范 批 准 记 录 拟制 XX 审核 批准 修 改 记 录 次数 版 本 升级 记 录 修 改 时 间 修 改类 别 修 改页 次 修 改 内 容 简 述 修 改 人员 审 核 批 准 1 生效时 间 2 生效时 间 3 生 效 时 间 4 生 效 时 间 5 生 效 时 间 (一) PCB 检验规范 1. 目的 作为IQC 检验PCB 物料之依据 。 2. 适用范围 适用于本公司所有之PCB 检验。 3. 抽样计划 依MIL-STD-105E,LEVEL II 正常单次抽样计划;具体抽样方式请参考《抽样计划》。 4. 职责 供应商负责PCB 品质之管制执行及管理,IQC 负责供应商之管理及进料检验。 5. 允收水准(AQL) 严重缺点(CR): 0; 主要缺点(MA): 0.4; 次要缺点(MI): 1.5. 6. 参考文件 1. IPC – A - 600E, Acceptability of Printed Circuits Boards. 2. IPC – R -700C, Rework Methods & Quality Conformance. 7. 检验标准定义: 检验项目 缺点名称 缺点定义 检验标准 检验方式 备注 线 路 线路凸出 MA a. 线路凸出部分不得 大于成品最小间距30%。 带刻度放大镜 残铜 MA a. 两线路间不允许有残铜。 b. 残铜距线路或锡垫不得小于0.1mm。 c. 非线路区残铜不可大于2.5mm×2.5mm,且不可露铜。 带刻度放大镜 线路缺口、凹洞 MA a. 线路缺口、凹洞部分不可大于最小线宽的30%。 带刻度放大镜 断路与短路 CR a. 线路或锡垫之间绝不容许有断路或短路之现象。 放大镜、万用表 线路裂痕 MA a. 在线路或线路终端部分的裂痕,不可超过原线宽 1/3。 带刻度放大镜 线路不良 MA a. 线路因蚀铜不良而呈锯齿状部分不可超过原线宽的 1/3。 带刻度放大镜 线路变形 MA a. 线路不可弯曲或扭折。 放大镜 线路变色 MA a. 线路不可因氧化或受药水、异物污染而造成变色。 目检 线路剥离 CR a. 线路必须附着性良好,不可翘起或脱落。 目检 补线 MA a. 补线长度不得大于 5mm,宽度为原线宽的 80%~100%。 b. 线路转弯处及 BGA 内部不可补线。 c. C/S 面补线路不得超过 2 处,S/S 面补线不得超过 1 处。 带刻度放大镜 目检 板边余量 MA a. 线路距成型板边不...

1、当您付费下载文档后,您只拥有了使用权限,并不意味着购买了版权,文档只能用于自身使用,不得用于其他商业用途(如 [转卖]进行直接盈利或[编辑后售卖]进行间接盈利)。
2、本站所有内容均由合作方或网友上传,本站不对文档的完整性、权威性及其观点立场正确性做任何保证或承诺!文档内容仅供研究参考,付费前请自行鉴别。
3、如文档内容存在违规,或者侵犯商业秘密、侵犯著作权等,请点击“违规举报”。

碎片内容

电子元器件材料检验规范标准书

您可能关注的文档

确认删除?
VIP
微信客服
  • 扫码咨询
会员Q群
  • 会员专属群点击这里加入QQ群
客服邮箱
回到顶部