电脑桌面
添加小米粒文库到电脑桌面
安装后可以在桌面快捷访问

电子公司物料新编码原则

电子公司物料新编码原则_第1页
1/35
电子公司物料新编码原则_第2页
2/35
电子公司物料新编码原则_第3页
3/35
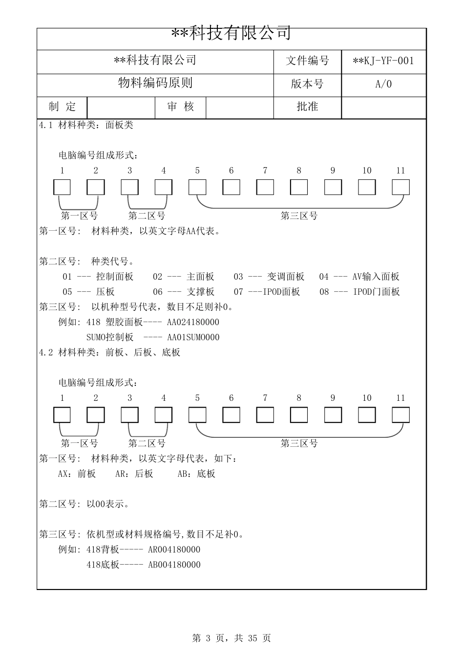
第 1 页,共 35 页1234567891011**科技有限公司制 定审 核 **科技有限公司物料编码原则1.目的: 物料编码采用统一的编码规则,以便于明确区分物料的分类与性质,使达到有效之管理。文件编号版本号批准**KJ-YF-001A/0第二区号至第六区号:材料的特性,规格用数字0-9或英文字母代替。 第一区号:材料种类,以2个英文字母代表。第一区号 第二区号----至----第六区号2.范围: 本公司开发的机种之所有物料。3.内容: 系统物料编码规则组成如下:第 2 页 , 共 35 页**科 技 有 限 公 司制 定审 核**科 技 有 限 公 司物 料 编 码 原 则文 件 编 号版 本 号批 准**KJ-YF-001A/0 AU上 盖 AI-麦 克 风 本 体PU滑 轮 类4.30.8 SL-线 材 固 定 夹 AW收 音 盒 AZ铁 质 类 素 材4.22.1 PE塑 胶 袋 类4.10 FP成 品 类 PI-输 入 变 压 器4.32 ST-贴 标 纸 类4.11 JH耳 机 插 座 类 PO-输 出 变 压 器4.8.6 AC木 箱 类 AD刻 度 板4.22 PL指 针 类 PM云 母 片 类4.30.6 SI-CD门4.30.9 SN-弹 簧4.9.3 FU保 险 丝 类4.26 PT-电 源 变 压 器4.31 SH-开 关 类AE塑 胶 素 材 类 AG遥 控 器PN基 板 插 针 ,短 路 插 针 类4.30.7 SK-木 箱 配 件4.8.4 AP喇 叭 类4.20 NW螺 母 类4.30.4 SG-海 棉 类4.8.5 AN音 头 类4.21 OM装 饰 板 框 类4.30.5 SJ-插 片4.8.2 AK激 光 头4.18 MN说 明 书 类4.30.2 SC-喇 叭 接 线 夹4.8.3 AF解 码 板4.19 NP铭 牌 类4.30.3 SE-消 耗 品 类4.7.2 DD显 示 屏4.16 KB旋 纽 类 、 按 钮 类 SF-调 谐 轴 类4.8.1 AJ机 芯 架4.17 LF磁 质 滤 波 器4.30.1 SA-插 座 SD-插 针4.7 DD二 极 体 类4.15.2 LT中周4.29 RV可变 电 阻类4.7.1 DD发光 管4.15.3 LD天线4.30 SB-屏 蔽板 类4.5 AH散热器 类4.15.1 LB棒型天线CQ-盒 式电 容 CS-聚已稀电 容4.6 CF薄片 半固 定 可变 电 容类 LC电 感线 圈类CU-贴 片 电 容 CY-高压 电 容4.3 CD电 源 线 类4.14.2 JA电 源 插 座CL-低杂音 电 容 CM-麦 拉电 容4.4 AS侧面板4.14.3 JP-RCA型插 座CN-无极 电 容 CP-聚丙稀电 容4.2 AX前板 、 AR后板 、 AB底板 JX卡侬插 头CE-电 解 电 容 CI-云 母 电 容4.1 AA面板 类4.14.1 J...

1、当您付费下载文档后,您只拥有了使用权限,并不意味着购买了版权,文档只能用于自身使用,不得用于其他商业用途(如 [转卖]进行直接盈利或[编辑后售卖]进行间接盈利)。
2、本站所有内容均由合作方或网友上传,本站不对文档的完整性、权威性及其观点立场正确性做任何保证或承诺!文档内容仅供研究参考,付费前请自行鉴别。
3、如文档内容存在违规,或者侵犯商业秘密、侵犯著作权等,请点击“违规举报”。

碎片内容

电子公司物料新编码原则

您可能关注的文档

确认删除?
VIP
微信客服
  • 扫码咨询
会员Q群
  • 会员专属群点击这里加入QQ群
客服邮箱
回到顶部