电脑桌面
添加小米粒文库到电脑桌面
安装后可以在桌面快捷访问

电工进网作业许可考试实操评分标准080322(高压类修改稿)

电工进网作业许可考试实操评分标准080322(高压类修改稿)_第1页
1/18
电工进网作业许可考试实操评分标准080322(高压类修改稿)_第2页
2/18
电工进网作业许可考试实操评分标准080322(高压类修改稿)_第3页
3/18
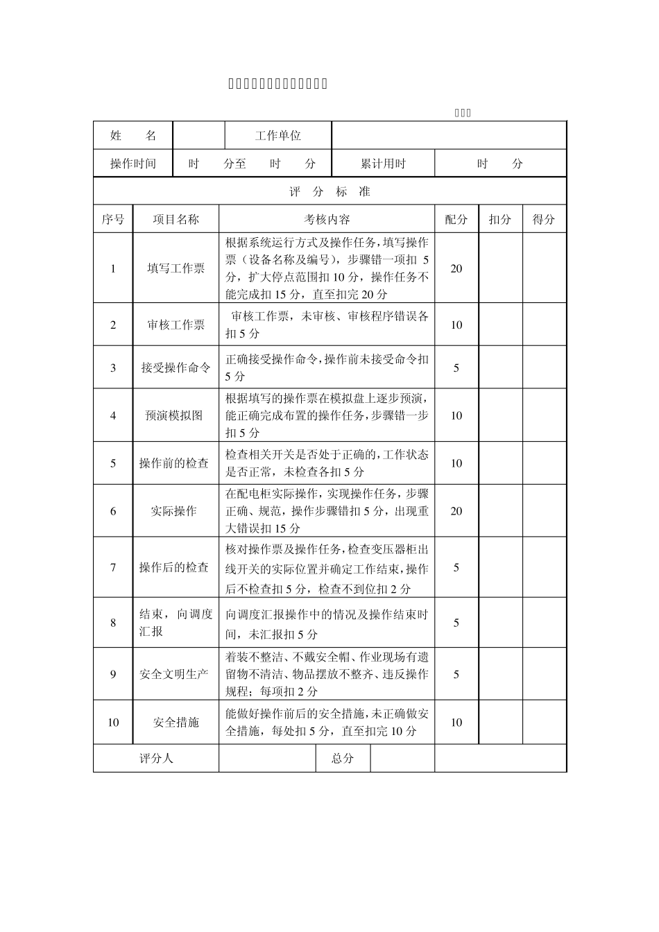
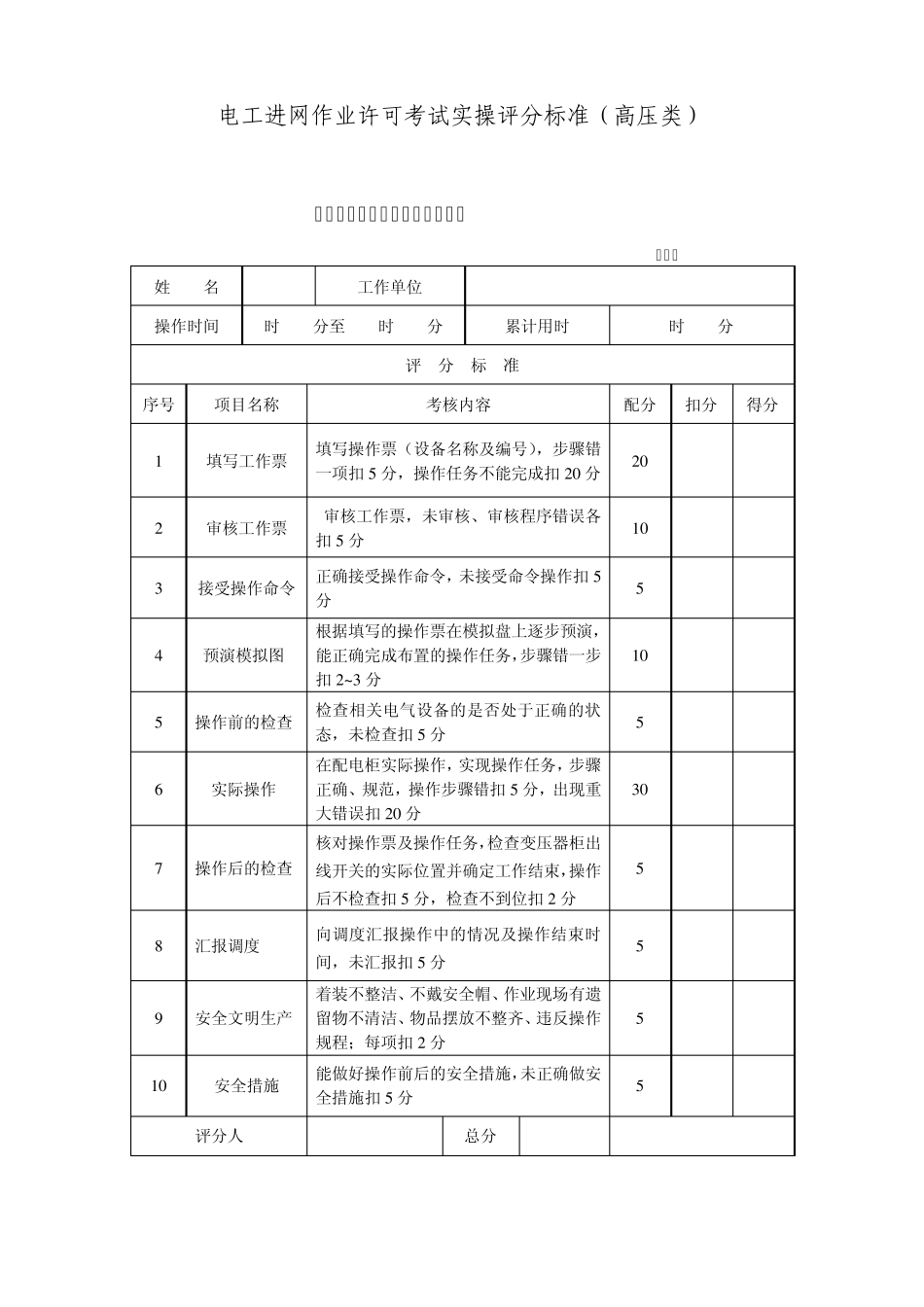
电工进网作业许可考试实操评分标准(高压类) 输电线路停送电操作考核评分表 编号: 姓 名 工作单位 操作时间 时 分至 时 分 累计用时 时 分 评 分 标 准 序号 项目名称 考核内容 配分 扣分 得分 1 填写工作票 填写操作票(设备名称及编号),步骤错一项扣5 分,操作任务不能完成扣20 分 20 2 审核工作票 审核工作票,未审核、审核程序错误各扣5 分 10 3 接受操作命令 正确接受操作命令,未接受命令操作扣5分 5 4 预演模拟图 根据填写的操作票在模拟盘上逐步预演,能正确完成布置的操作任务,步骤错一步扣2~3 分 10 5 操作前的检查 检查相关电气设备的是否处于正确的状态,未检查扣5 分 5 6 实际操作 在配电柜实际操作,实现操作任务,步骤正确、规范,操作步骤错扣5 分,出现重大错误扣20 分 30 7 操作后的检查 核对操作票及操作任务,检查变压器柜出线开关的实际位置并确定工作结束,操作后不检查扣5 分,检查不到位扣2 分 5 8 汇报调度 向调度汇报操作中的情况及操作结束时间,未汇报扣5 分 5 9 安全文明生产 着装不整洁、不戴安全帽、作业现场有遗留物不清洁、物品摆放不整齐、违反操作规程;每项扣2 分 5 10 安全措施 能做好操作前后的安全措施,未正确做安全措施扣5 分 5 评分人 总分 母线停送电操作考核评分表 编号: 姓 名 工作单位 操作时间 时 分至 时 分 累计用时 时 分 评 分 标 准 序号 项目名称 考核内容 配分 扣分 得分 1 填写工作票 根据提供的一次系统图及操作任务,正确填写操作票(设备名称及编号),步骤错一项扣2~5 分,操作任务不能完成扣15 分 15 2 审核工作票 审核工作票,未审核、审核程序错误扣5分 5 3 接受操作命令 正确接受操作命令,未接受命令操作扣5 分 5 4 预演模拟图 根据填写的操作票在模拟盘上逐步预演,能正确完成布置的操作任务,步骤错一步扣2分,关键步骤错误扣10 分 15 5 操作前的检查 检查相关开关是否处于正确的,工作状态是否正常,未检查各扣5 分 10 6 实际操作 在配电柜实际操作,实现操作任务,步骤正确、规范,操作步骤错扣5 分,出现重大错误扣20 分 25 7 操作后的检查 核对操作票及操作任务,检查变压器柜出线开关的实际位置并确定工作结束,操作后不检查扣5 分,检查不到位扣2 分 5 8 结束,向调度汇报 向调度汇报操作中的情况及操作结束时间,...

1、当您付费下载文档后,您只拥有了使用权限,并不意味着购买了版权,文档只能用于自身使用,不得用于其他商业用途(如 [转卖]进行直接盈利或[编辑后售卖]进行间接盈利)。
2、本站所有内容均由合作方或网友上传,本站不对文档的完整性、权威性及其观点立场正确性做任何保证或承诺!文档内容仅供研究参考,付费前请自行鉴别。
3、如文档内容存在违规,或者侵犯商业秘密、侵犯著作权等,请点击“违规举报”。

碎片内容

电工进网作业许可考试实操评分标准080322(高压类修改稿)

确认删除?
VIP
微信客服
  • 扫码咨询
会员Q群
  • 会员专属群点击这里加入QQ群
客服邮箱
回到顶部