电脑桌面
添加小米粒文库到电脑桌面
安装后可以在桌面快捷访问

电气安装自检表格

电气安装自检表格_第1页
1/29
电气安装自检表格_第2页
2/29
电气安装自检表格_第3页
3/29
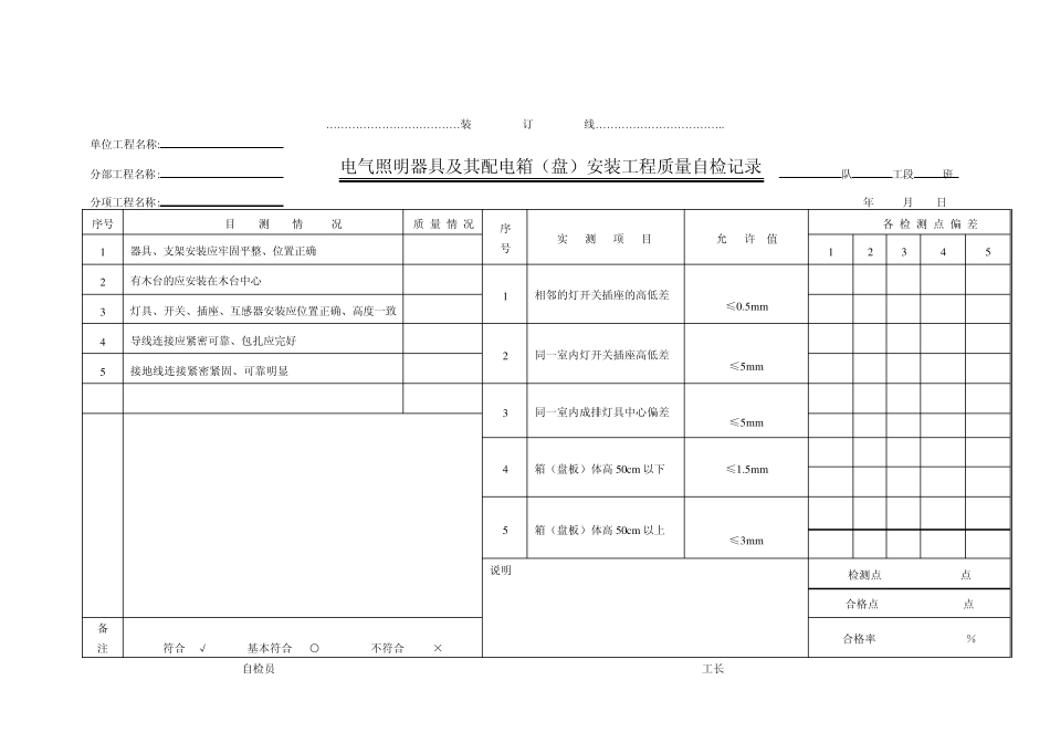
………………………………装 订 线…………………………….. 单位工程名称: 分部工程名称: 电气照明器具及其配电箱(盘)安装工程质量自检记录 队 工段 班 分项工程名称: 年 月 日 序号 目 测 情 况 质 量 情 况 序 号 实 测 项 目 允 许 值 各 检 测 点 偏 差 1 器具、支架安装应牢固平整、位置正确 1 2 3 4 5 2 有木台的应安装在木台中心 1 相邻的灯开关插座的高低差 ≤0.5m m 3 灯具、开关、插座、互感器安装应位置正确、高度一致 4 导线连接应紧密可靠、包扎应完好 2 同一室内灯开关插座高低差 ≤5m m 5 接地线连接紧密紧固、可靠明显 3 同一室内成排灯具中心偏差 ≤5m m 4 箱(盘板)体高50cm 以下 ≤1.5m m 5 箱(盘板)体高50cm 以上 ≤3m m 说明 检测点 点 合格点 点 备 注 符合 √ 基本符合 ○ 不符合 × 合格率 % 自检员 工长 ………………………………装 订 线…………………………….. 单位工程名称: 分部工程名称: 电气照明器具及其配电箱(盘)安装工程质量自检记录 队 工段 班 分项工程名称: 年 月 日 序号 目 测 情 况 质 量 情 况 序 号 实 测 项 目 允 许 值 各 检 测 点 偏 差 1 器具、支架安装应牢固平整、位置正确 1 2 3 4 5 2 有木台的应安装在木台中心 1 相邻的灯开关插座的高低差 ≤0.5m m 3 灯具、开关、插座、互感器安装应位置正确、高度一致 4 导线连接应紧密可靠、包扎应完好 2 同一室内灯开关插座高低差 ≤5m m 5 接地线连接紧密紧固、可靠明显 3 同一室内成排灯具中心偏差 ≤5m m 4 箱(盘板)体高50cm 以下 ≤1.5m m 5 箱(盘板)体高50cm 以上 ≤3m m 说明: 检测点 点 合格点 点 备 注 符合 √ 基本符合 ○ 不符合 × 合格率 % 自检员 : 工长: ………………………………装 订 线…………………………….. 单位工程名称: 分部工程名称: 电力变压器(互感器)安装工程质量自检记录 队 工段 班 分项工程名称: 年 月 日 序号 目 测 情 况 质 量 情 况 序 号 实 测 项 目 允 许 值 各 检 测 点 偏 差 1 型号规格及安装位置应符合设计 1 2 3 4 5 2 部件安装连接应紧密牢固 1 变压器中心线的偏差 ≤10mm 3 绝缘套管应清洁无裂纹,损伤. 4 温度计的软管应无压扁,扭曲 ...

1、当您付费下载文档后,您只拥有了使用权限,并不意味着购买了版权,文档只能用于自身使用,不得用于其他商业用途(如 [转卖]进行直接盈利或[编辑后售卖]进行间接盈利)。
2、本站所有内容均由合作方或网友上传,本站不对文档的完整性、权威性及其观点立场正确性做任何保证或承诺!文档内容仅供研究参考,付费前请自行鉴别。
3、如文档内容存在违规,或者侵犯商业秘密、侵犯著作权等,请点击“违规举报”。

碎片内容

电气安装自检表格

您可能关注的文档

小辰5+ 关注
实名认证
内容提供者

出售各种资料和文档

确认删除?
VIP
微信客服
  • 扫码咨询
会员Q群
  • 会员专属群点击这里加入QQ群
客服邮箱
回到顶部