电脑桌面
添加小米粒文库到电脑桌面
安装后可以在桌面快捷访问

电气控制与PLC应用习题答案

电气控制与PLC应用习题答案_第1页
1/24
电气控制与PLC应用习题答案_第2页
2/24
电气控制与PLC应用习题答案_第3页
3/24
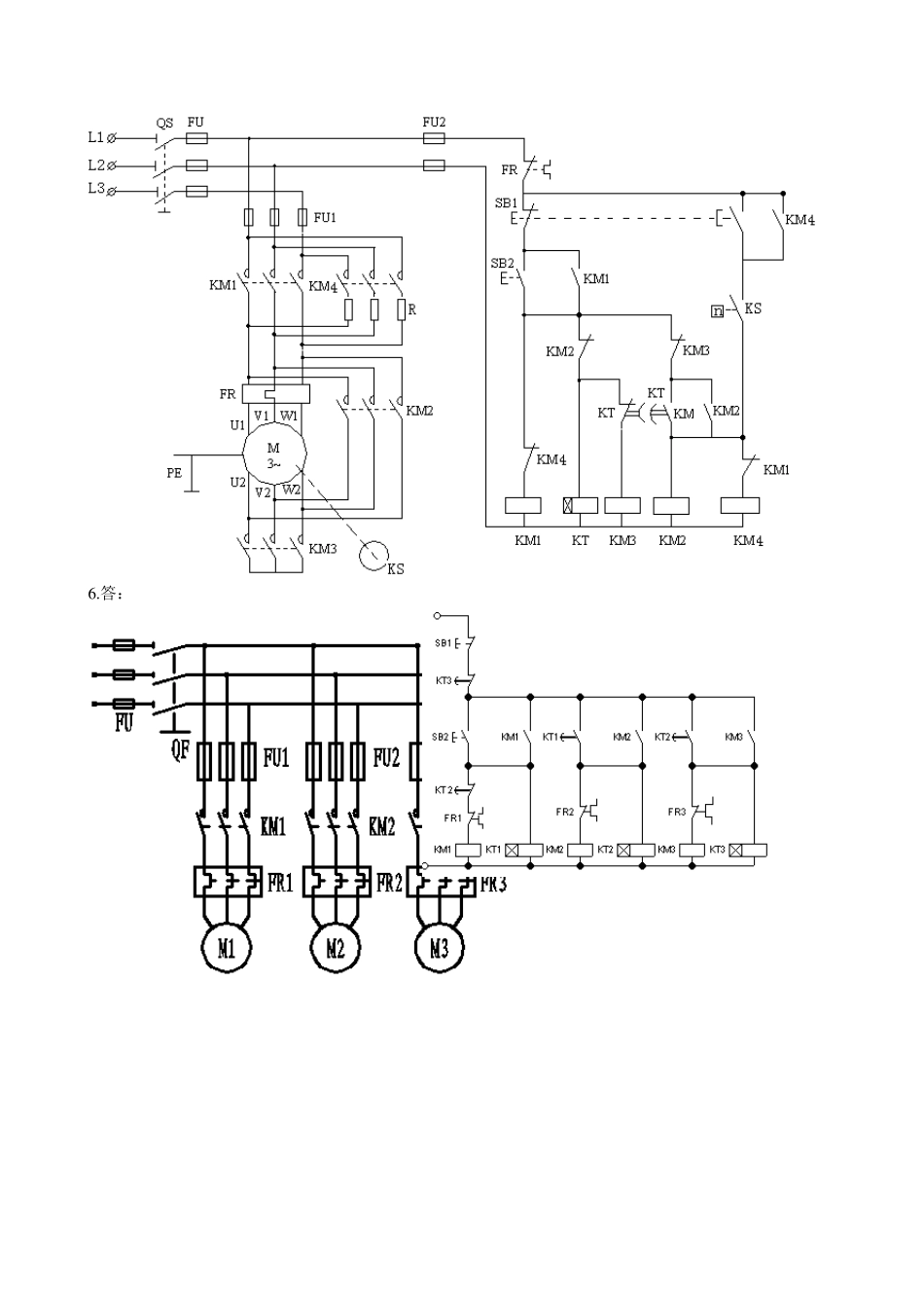
习题答案 项目一 习题及思考题 1.答:① 用于照明或电热负载时,负荷开关的额定电流等于或大于被控制电路中各负载额定电流之和。② 用于电动机负载时,开启式负荷开关的额定电流一般为电动机额定电流的 3 倍;封闭式负荷开关的额定电流一般为电动机额定电流的 1.5 倍。 2.答:熔断器主要由熔体、安装熔体的熔管和熔座三部分组成。当被保护电路的电流超过规定值,并经过一定时间后,由熔体自身产生的热量熔断熔体,使电路断开,从而起到保护的作用。 熔管用于安放熔体。 3.答:① 根据使用场合,选择按钮的型号和型式。② 按工作状态指示和工作情况的要求,选择按钮和指示灯的颜色。③ 按控制回路的需要,确定按钮的触点形式和触点的组数。④ 按钮用于高温场合时,易使塑料变形老化而导致松动,引起接线螺钉间相碰短路,可在接线螺钉处加套绝缘塑料管来防止短路。⑤ 带指示灯的按钮因灯泡发热,长期使用易使塑料灯罩变形,应降低灯泡电压,延长使用寿命。 4.答:交流接触器有电磁机构、触点机构和灭弧系统等组成。 5.答:中间继电器:用于继电保护与自动控制系统中,以增加触点的数量及容量。它用于在控制电路中传递中间信号。中间继电器的结构和原理与交流接触器基本相同,与接触器的主要区别在于:接触器的主触头可以通过大电流,而中间继电器的触头只能通过小电流。所以,它只能用于控制电路中。 它一般是没有主触点的,因为过载能力比较小。所以它用的全部都是辅助触头,数量比较多。 6.答: 热继电器是利用电流热效应原理进行工作的保护电器,可用作电动机长期过载、断相及电流不均衡的运行保护,但它由于热惯性,当电路短路时不能立即使电路断开,因此不能作短路保护。 7.答:其图形符号如下: 熔断器FU , 复合按钮 通电延时型时间继电器: 接触器: 中间继电器: 8. 答: 组合开关:额定电压380V;控制电动机则额定电流 IN ≥(1.5~2.5)IDN,故可取 25A 或 40A。 接触器:额定电压380V;接触器的额定电流应大于或等于所控制电路的额定电流。对于电动机负载可按经验公式NNcKUPI 计算:故额定电流可选 20A,吸引线圈工作电压220V 或 380V。 熔断器:额定电压380V;额定电流25A 或 32A,保护一台异步电动机时,考虑电动机冲击电流的影响,熔体的额定电流可按下式计算 IfN≥(1.5~2.5)IN,故熔体额定电流为 25A 热继电器:额定电压380V;额定电流20A,热元件额定电流一般可按下式MNN)05.1~95...

1、当您付费下载文档后,您只拥有了使用权限,并不意味着购买了版权,文档只能用于自身使用,不得用于其他商业用途(如 [转卖]进行直接盈利或[编辑后售卖]进行间接盈利)。
2、本站所有内容均由合作方或网友上传,本站不对文档的完整性、权威性及其观点立场正确性做任何保证或承诺!文档内容仅供研究参考,付费前请自行鉴别。
3、如文档内容存在违规,或者侵犯商业秘密、侵犯著作权等,请点击“违规举报”。

碎片内容

电气控制与PLC应用习题答案

您可能关注的文档

小辰7+ 关注
实名认证
内容提供者

出售各种资料和文档

确认删除?
VIP
微信客服
  • 扫码咨询
会员Q群
  • 会员专属群点击这里加入QQ群
客服邮箱
回到顶部