电脑桌面
添加小米粒文库到电脑桌面
安装后可以在桌面快捷访问

电流互感器试验报告(正式)

电流互感器试验报告(正式)_第1页
1/10
电流互感器试验报告(正式)_第2页
2/10
电流互感器试验报告(正式)_第3页
3/10
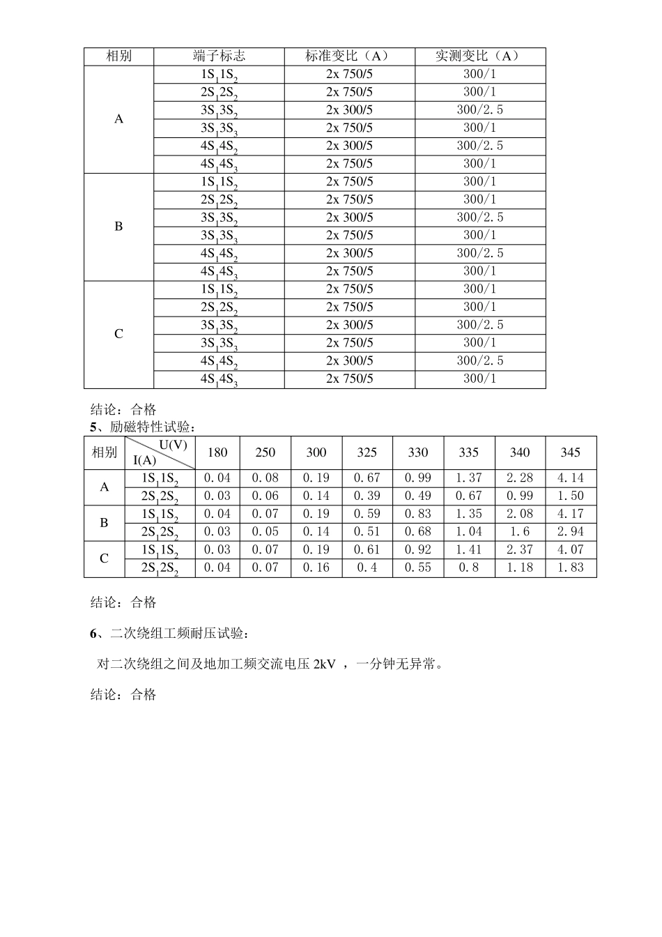
电 流 互 感 器 试 验 报 告 一、工程概况: 安装位置: 110kV 电铁线 试验日期: 2006 年10 月29 日 试验人员: 二、铭牌数据: A 相编号:06L05304-17 B 相编号:06L05304-19 C 相编号:06L05304-11 产品型号:LB6-110W2 额定电压:110 kV 额定频率:50HZ 出线端子 1S1-1S2 2S1-2S2 3S1-3S3 4S1-4S3 3S1-3S2 4S1-4S2 电流比(A) 2x 750/5 2x 300/5 额定输出(VA) 60 50 50 30 30 准确级 10P20 0.5 0.2S 0.5 0.2S 大连第一互感器有限责任公司 2006 年7 月 三、试验数据 1、绝缘电阻:(MΩ) 试验设备:2500V 兆欧表 t= 20°C s= 67 % 相别 一次对二次及地 二次之间 二次对地 末屏对二次及地 A 2500 2500 2500 2500 B 2500 2500 2500 2500 C 2500 2500 2500 2500 规程标准:末屏对二次及地的绝缘电阻不宜小于 1000 MΩ。 结论:合格 2、极性检查: 一次 二次 端子 A B C P1 S1 减 减 减 结论:合格 3、介损及电容量测试: 试验设备:上海思创 HV9001 型介损测试仪 t= 20°C s= 67 % 相别 tgδ%出厂值 tgδ%测量值 CX 出厂值 (pF) CX 测量值(pF) 误差(%) A 0.26 0.33 855.7 854.3 -0.16 B 0.25 0.30 817.6 815.8 -0.22 C 0.26 0.27 848.0 847.1 -0.10 规程标准:油纸电容式 63—220kV, tgδ(%)不应大于 1.0。 220kV 及以上主绝缘电容值,实测值与出厂试验值相比,其差值宜在+10%范围内 结论:合格 4、变比试验: 相别 端子标志 标准变比(A) 实测变比(A) A 1S11S2 2x 750/5 300/1 2S12S2 2x 750/5 300/1 3S13S2 2x 300/5 300/2.5 3S13S3 2x 750/5 300/1 4S14S2 2x 300/5 300/2.5 4S14S3 2x 750/5 300/1 B 1S11S2 2x 750/5 300/1 2S12S2 2x 750/5 300/1 3S13S2 2x 300/5 300/2.5 3S13S3 2x 750/5 300/1 4S14S2 2x 300/5 300/2.5 4S14S3 2x 750/5 300/1 C 1S11S2 2x 750/5 300/1 2S12S2 2x 750/5 300/1 3S13S2 2x 300/5 300/2.5 3S13S3 2x 750/5 300/1 4S14S2 2x 300/5 300/2.5 4S14S3 2x 750/5 300/1 结论:合格 5 、励磁特性试验: 相别 U(V) I(A) 180 250 300 325 330 335 340 345 A 1S11S2 0.04 0.08 0.19 0.67 0.99 1.37 2.28 4.14 2S12S2 0.03 0.06 0.14...

1、当您付费下载文档后,您只拥有了使用权限,并不意味着购买了版权,文档只能用于自身使用,不得用于其他商业用途(如 [转卖]进行直接盈利或[编辑后售卖]进行间接盈利)。
2、本站所有内容均由合作方或网友上传,本站不对文档的完整性、权威性及其观点立场正确性做任何保证或承诺!文档内容仅供研究参考,付费前请自行鉴别。
3、如文档内容存在违规,或者侵犯商业秘密、侵犯著作权等,请点击“违规举报”。

碎片内容

电流互感器试验报告(正式)

确认删除?
VIP
微信客服
  • 扫码咨询
会员Q群
  • 会员专属群点击这里加入QQ群
客服邮箱
回到顶部