电脑桌面
添加小米粒文库到电脑桌面
安装后可以在桌面快捷访问

电线、电缆穿管和线槽敷设隐蔽工程验收记录

电线、电缆穿管和线槽敷设隐蔽工程验收记录_第1页
1/12
电线、电缆穿管和线槽敷设隐蔽工程验收记录_第2页
2/12
电线、电缆穿管和线槽敷设隐蔽工程验收记录_第3页
3/12
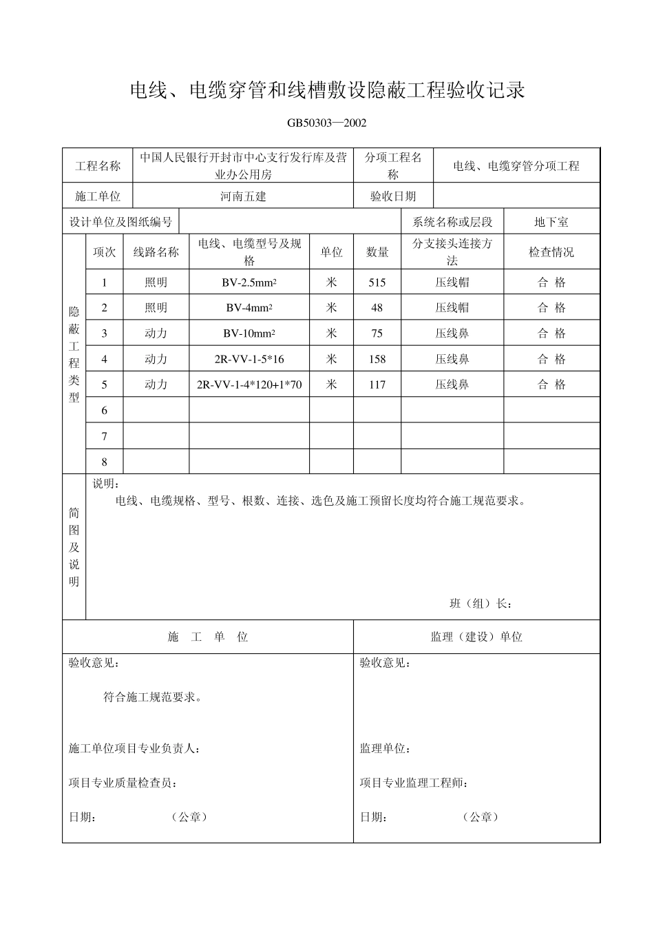
电线、电缆穿管和线槽敷设隐蔽工程验收记录 GB50303—2002 工程名称 中国人民银行开封市中心支行发行库及营业办公用房 分项工程名称 电线、电缆穿管分项工程 施工单位 河南五建 验收日期 设计单位及图纸编号 系统名称或层段 地下室 隐蔽工程类型 项次 线路名称 电线、电缆型号及规格 单位 数量 分支接头连接方法 检查情况 1 照明 BV-2.5mm2 米 515 压线帽 合 格 2 照明 BV-4mm2 米 48 压线帽 合 格 3 动力 BV-10mm2 米 75 压线鼻 合 格 4 动力 2R-VV-1-5*16 米 158 压线鼻 合 格 5 动力 2R-VV-1-4*120+1*70 米 117 压线鼻 合 格 6 7 8 简图及说明 说明: 电线、电缆规格、型号、根数、连接、选色及施工预留长度均符合施工规范要求。 班(组)长: 施 工 单 位 监理(建设)单位 验收意见: 符合施工规范要求。 施工单位项目专业负责人: 项目专业质量检查员: 日期: (公章) 验收意见: 监理单位: 项目专业监理工程师: 日期: (公章) 电线、电缆穿管和线槽敷设隐蔽工程验收记录 GB50303—2002 工程名称 中国人民银行开封市中心支行发行库及营业办公用房 分项工程名称 电线、电缆穿管分项工程 施工单位 河南五建 验收日期 设计单位及图纸编号 系统名称或层段 一层 隐蔽工程类型 项次 线路名称 电线、电缆型号及规格 单位 数量 分支接头连接方法 检查情况 1 照明 BV-2.5mm2 米 2250 压线帽 合 格 2 照明 BV-6mm2 米 385 压线帽 合 格 3 动力 BV-4mm2 米 292 压线帽 合 格 4 动力 2R-VV22-1-4*50+1*25 米 185 压线鼻 合 格 5 动力 2R-VV22-1-5*16 米 158 压线鼻 合 格 6 动力 BV-10mm2 米 180 压线鼻 合 格 7 8 简图及说明 说明: 电线、电缆规格、型号、根数、连接、选色及施工预留长度均符合施工规范要求。 班(组)长: 施 工 单 位 监理(建设)单位 验收意见: 符合施工规范要求。 施工单位项目专业负责人: 项目专业质量检查员: 日期: (公章) 验收意见: 监理单位: 项目专业监理工程师: 日期: (公章) 电线、电缆穿管和线槽敷设隐蔽工程验收记录 GB50303—2002 工程名称 中国人民银行开封市中心支行发行库及营业办公用房 分项工程名称 电线、电缆穿管分项工程 施工单位 河南五建 验收日期 设计单位及图纸编号 系统名称或层段 二层 ...

1、当您付费下载文档后,您只拥有了使用权限,并不意味着购买了版权,文档只能用于自身使用,不得用于其他商业用途(如 [转卖]进行直接盈利或[编辑后售卖]进行间接盈利)。
2、本站所有内容均由合作方或网友上传,本站不对文档的完整性、权威性及其观点立场正确性做任何保证或承诺!文档内容仅供研究参考,付费前请自行鉴别。
3、如文档内容存在违规,或者侵犯商业秘密、侵犯著作权等,请点击“违规举报”。

碎片内容

电线、电缆穿管和线槽敷设隐蔽工程验收记录

确认删除?
VIP
微信客服
  • 扫码咨询
会员Q群
  • 会员专属群点击这里加入QQ群
客服邮箱
回到顶部