电脑桌面
添加小米粒文库到电脑桌面
安装后可以在桌面快捷访问

电线电缆载流量表

电线电缆载流量表_第1页
1/42
电线电缆载流量表_第2页
2/42
电线电缆载流量表_第3页
3/42
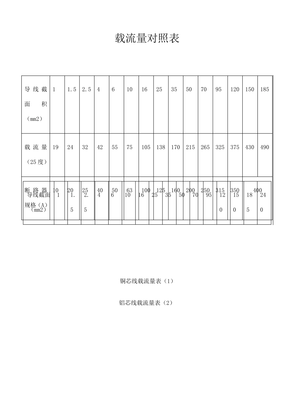
载流量对照表 铜芯线载流量表(1) 铝芯线载流量表(2) 导线截面积(mm2) 1 1.5 2.5 4 6 10 16 25 35 50 70 95 120 150 185 载流量(25 度) 19 24 32 42 55 75 105 138 170 215 265 325 375 430 490 断路器规格(A) 10 20 25 40 50 63 100 125 160 200 250 315 350 400 导线截面(mm2) 1 1.5 2.5 4 6 10 16 25 35 50 70 95 120 150 185 240 注 线径选择一般为设备额定电流的 1.7 倍,由于断路器需要保护线路,所以断路器的额定电流应小于导线所能承受的电流 I 线=In*1.7 In 为设备额定电流 I 断=I 线/1.2 I 线为线径所承受的电流,I 断为断路器额定电流 In< I 断< I 线 裸导线的许用电流可提高 50% 载流是截面倍数 9 8 7 6 5 4 3.5 3 2.5 2 1.5 载流量(A) 9 14 23 32 48 60 90 100 123 150 210 237.5 300 300 370 360 断路器规格(A) 6 10 16 20 25 32 40 50 63 80 100 125 160 200 250 315 序铜电线单芯载流量 (A) 电压降品字型电紧挨一字间距一字两芯载电压降三心载电压降四心载电压降号 型号 mV/m 压降mV/M 型电压降mV/m 型电压降mV/m 流量(A) mV/m 流量(A) mV/m 流量(A) mV/m 0.95 0.85 0.7 VV YJV VV YJV VV YJV VV YJV 1 1.5mm2 20 25 30.86 26.73 26.73 26.73 16 16 13 18 30.86 13 13 30.86 2 2.5mm2 28 35 18.9 18.9 18.9 18.9 23 35 18.9 18 22 18.9 18 30 18.9 3 4mm2 38 50 11.76 11.76 11.76 11.76 34 38 11.76 23 34 11.76 28 40 11.76 4 6mm 2 48 60 7.86 7.86 7.86 7.86 40 55 7.86 32 40 7.86 35 55 7.86 5 10mm2 65 85 4.67 4.04 4.04 4.05 55 75 4.67 45 55 4.67 48 80 4.67 6 16mm2 90 110 2.95 2.55 2.56 2.55 70 108 2.9 60 75 2.6 65 65 2.6 7 25mm2 115 150 1.87 1.62 1.62 1.63 100 140 1.9 80 100 1.6 86 105 1.6 8 35mm2 145 180 1.35 1.17 1.17 1.19 125 175 1.3 105 130 1.2 108 130 1.2 9 50mm2 170 230 1.01 0.87 0.88 0.9 145 210 1 130 160 0.87 138 165 0.87 10 70mm2 220 285 0.71 0.61 0.62 0.65 190 265 0.7 165 210 0.61 175 210 0.61 11 95mm...

1、当您付费下载文档后,您只拥有了使用权限,并不意味着购买了版权,文档只能用于自身使用,不得用于其他商业用途(如 [转卖]进行直接盈利或[编辑后售卖]进行间接盈利)。
2、本站所有内容均由合作方或网友上传,本站不对文档的完整性、权威性及其观点立场正确性做任何保证或承诺!文档内容仅供研究参考,付费前请自行鉴别。
3、如文档内容存在违规,或者侵犯商业秘密、侵犯著作权等,请点击“违规举报”。

碎片内容

电线电缆载流量表

您可能关注的文档

确认删除?
VIP
微信客服
  • 扫码咨询
会员Q群
  • 会员专属群点击这里加入QQ群
客服邮箱
回到顶部