电脑桌面
添加小米粒文库到电脑桌面
安装后可以在桌面快捷访问

电缆沟及电缆施工技术交底

电缆沟及电缆施工技术交底_第1页
1/18
电缆沟及电缆施工技术交底_第2页
2/18
电缆沟及电缆施工技术交底_第3页
3/18
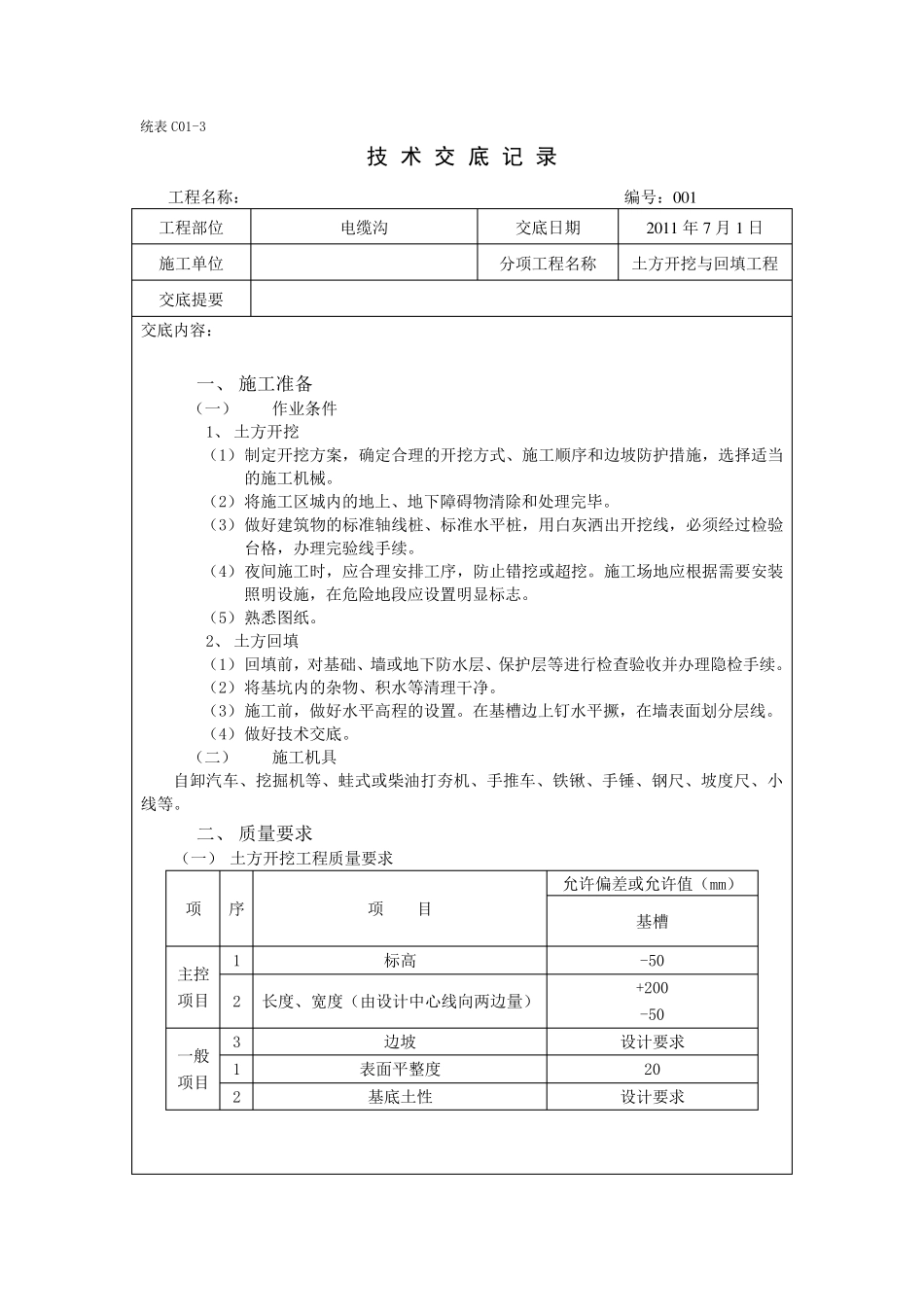
统表C01-3 技 术 交 底 记 录 工程名称: 编号:0 0 1 工程部位 电缆沟 交底日期 2 0 1 1 年7 月1 日 施工单位 分项工程名称 土方开挖与回填工程 交底提要 交底内容: 一、 施工准备 (一) 作业条件 1、 土方开挖 (1) 制定开挖方案,确定合理的开挖方式、施工顺序和边坡防护措施,选择适当的施工机械。 (2) 将施工区城内的地上、地下障碍物清除和处理完毕。 (3) 做好建筑物的标准轴线桩、标准水平桩,用白灰洒出开挖线,必须经过检验台格,办理完验线手续。 (4) 夜间施工时,应合理安排工序,防止错挖或超挖。施工场地应根据需要安装照明设施,在危险地段应设置明显标志。 (5) 熟悉图纸。 2、 土方回填 (1) 回填前,对基础、墙或地下防水层、保护层等进行检查验收并办理隐检手续。 (2) 将基坑内的杂物、积水等清理干净。 (3) 施工前,做好水平高程的设置。在基槽边上钉水平撅 ,在墙表面 划 分层线。 (4) 做好技 术 交底。 (二 ) 施工机具 自 卸 汽 车 、挖掘 机等、蛙 式或柴 油 打 夯 机、手推 车 、铁 锹 、手锤 、钢 尺 、坡度 尺 、小线等。 二 、 质 量 要求 (一) 土方开挖工程质 量 要求 项 序 项 目 允 许 偏 差 或允 许 值 (mm) 基槽 主 控项目 1 标高 -50 2 长 度 、宽 度 (由 设计 中 心 线向 两 边量 ) +200 -50 一般项目 3 边坡 设计 要求 1 表面 平整 度 20 2 基底土性 设计 要求 (二) 土方回填工程质量要求 项 序 项 目 允许偏差或允许值(mm) 基槽 主控项目 1 标高 -50 2 分层压实系数 设计要求 一般项目 1 回填土料 设计要求 2 分层厚度及含水量 设计要求 3 表面平整度 20 三、 工艺流程 (一) 土方开挖 确定开挖的顺序和坡度→沿灰线切出槽边轮廓线→分层开挖→修整槽边→清底 (二) 土方回填 基坑(槽)底地坪上清理→检验土质→分层铺土、耙平→夯打密实→检验密实度→修整找平验收 四、 操作工艺 (一) 土方开挖 1、 人工开挖浅基础、管沟等 测量放线→切线分层开挖→修坡→整平 挖土自上而下水平分段进行,每层0.3m 左右,边挖边检查槽宽,至设计标高后,统一进行修坡清底。相邻基坑开挖时,要按照先深后浅或同时进行开挖的原则施工。 2、 机械开挖 3、 采用挖掘机开挖,人工铲平的施工方法,机械...

1、当您付费下载文档后,您只拥有了使用权限,并不意味着购买了版权,文档只能用于自身使用,不得用于其他商业用途(如 [转卖]进行直接盈利或[编辑后售卖]进行间接盈利)。
2、本站所有内容均由合作方或网友上传,本站不对文档的完整性、权威性及其观点立场正确性做任何保证或承诺!文档内容仅供研究参考,付费前请自行鉴别。
3、如文档内容存在违规,或者侵犯商业秘密、侵犯著作权等,请点击“违规举报”。

碎片内容

电缆沟及电缆施工技术交底

您可能关注的文档

确认删除?
VIP
微信客服
  • 扫码咨询
会员Q群
  • 会员专属群点击这里加入QQ群
客服邮箱
回到顶部