电脑桌面
添加小米粒文库到电脑桌面
安装后可以在桌面快捷访问

电网技术改造工程预算定额编制说明第二册送电线路工程

电网技术改造工程预算定额编制说明第二册送电线路工程_第1页
1/29
电网技术改造工程预算定额编制说明第二册送电线路工程_第2页
2/29
电网技术改造工程预算定额编制说明第二册送电线路工程_第3页
3/29
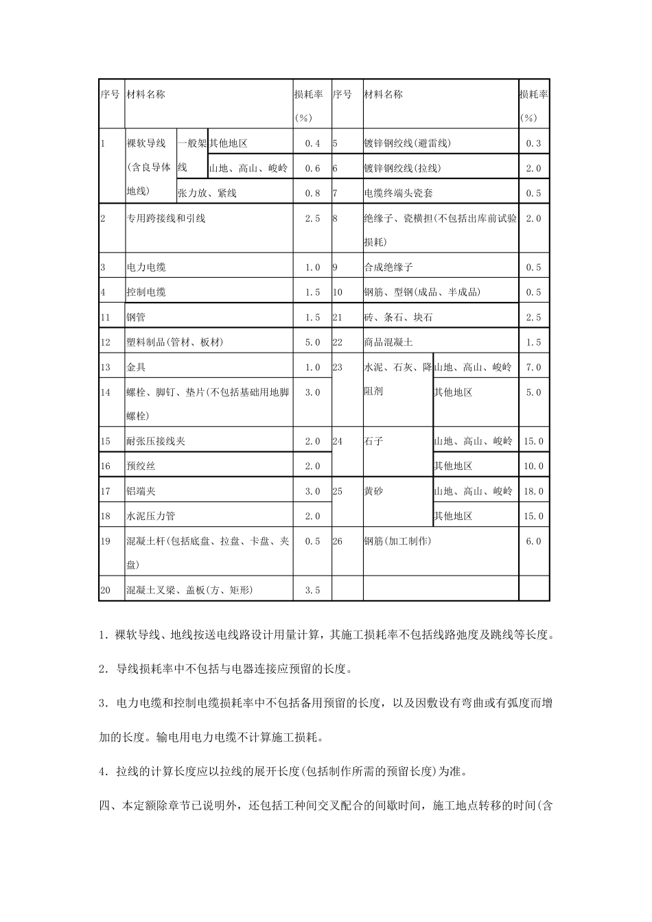
电网技术改造工程预算定额编制说明 第二册 送电线路工程 册说明 一、《电网技术改造工程预算定额 第二册 送电线路工程》(试行)(以下简称本定额)适用于由送电端变电站(或发电厂)构架的引出线起至受电端变电站(构架或穿墙套管)的引入线止的35~750kV 交流电力架空线路、±500kV 直流电力架空线路和 35~220kV 电力电缆线路的技术改造工程。 二、本定额是根据国家和国家有关部门发布的设计标准、技术规程、规范、质量评定标准和安全技术操作规程,按技术改造工程的施工条件及施工组织设计进行编制的: 1.GB 50217-1994 电力工程电缆设计规范 2.GB 50173-1992 电气装置安装工程35kV 及以下架空电力线路施工及验收规范 3.GB 50233-2005 110~500kV 架空送电线路施工及验收规范 4.GB 50168-2006 电气装置安装工程电缆线路施工及验收规范 5.DL/T5146-2001 35kV~220kV 架空送电线路测量技术规程 6.DL/T5122-2000 500kV 架空送电线路勘测技术规程 7.DL/T5219-2005 架空送电线路基础设计技术规定 8.DL/T5154-2002 架空送电线路杆塔结构设计技术规定 9.DL/T5130-2001 架空送电线路钢管杆设计技术规定 10.DL/T 5092-1999 110~500kV 架空送电线路设计技术规程 11.DL/T 5217-2005 220kV~500kV 紧凑型架空送电线路设计技术规定 12.DL/T 5049-2006 架空送电线路大跨越工程勘测技术规程 13.DL/T 5221-2005 城市电力电缆线路设计技术规定 14.DL/T 5168-2002 110kV~500kV 架空电力线路工程施工质量及评定规程 15.DL/T 436-2005 高压直流架空送电线路技术导则 16.DL/T 621-1997 交流电气装置的接地 17.DL/T 832-2003 光纤复合架空地线 18.DL/T 5161.5-2002 电气装置安装工程质量检验及评定规程第5 部分:电缆线路施工质量检验 19.DL/T 5161.10-2002 电气装置安装工程质量检验及评定规程第10 部分:35kV 及以下架空电力线路施工质量检验 20.DL 5033-2006 输电线路对电信线路危险和干扰影响防护设计规程 21.DL 5009.2-2004 电力建设安全工作规程第2 部分:架空电力线路 22.DL 453-1991 高压充油电缆施工工艺规程 23.DL 409-1991 电业安全工作规程(电力线路部分) 24.SDJ 226-1987 架空送电线路导线及避雷线液压施工工艺规程 25.SDJJS 2-1987 超高压架空输电线路张力架线施工工艺导则 26.Q/GDW 102-2003 750kV 架空送...

1、当您付费下载文档后,您只拥有了使用权限,并不意味着购买了版权,文档只能用于自身使用,不得用于其他商业用途(如 [转卖]进行直接盈利或[编辑后售卖]进行间接盈利)。
2、本站所有内容均由合作方或网友上传,本站不对文档的完整性、权威性及其观点立场正确性做任何保证或承诺!文档内容仅供研究参考,付费前请自行鉴别。
3、如文档内容存在违规,或者侵犯商业秘密、侵犯著作权等,请点击“违规举报”。

碎片内容

电网技术改造工程预算定额编制说明第二册送电线路工程

您可能关注的文档

确认删除?
VIP
微信客服
  • 扫码咨询
会员Q群
  • 会员专属群点击这里加入QQ群
客服邮箱
回到顶部