电脑桌面
添加小米粒文库到电脑桌面
安装后可以在桌面快捷访问

电袋教材电袋复合除尘器总体设计

电袋教材电袋复合除尘器总体设计_第1页
1/11
电袋教材电袋复合除尘器总体设计_第2页
2/11
电袋教材电袋复合除尘器总体设计_第3页
3/11
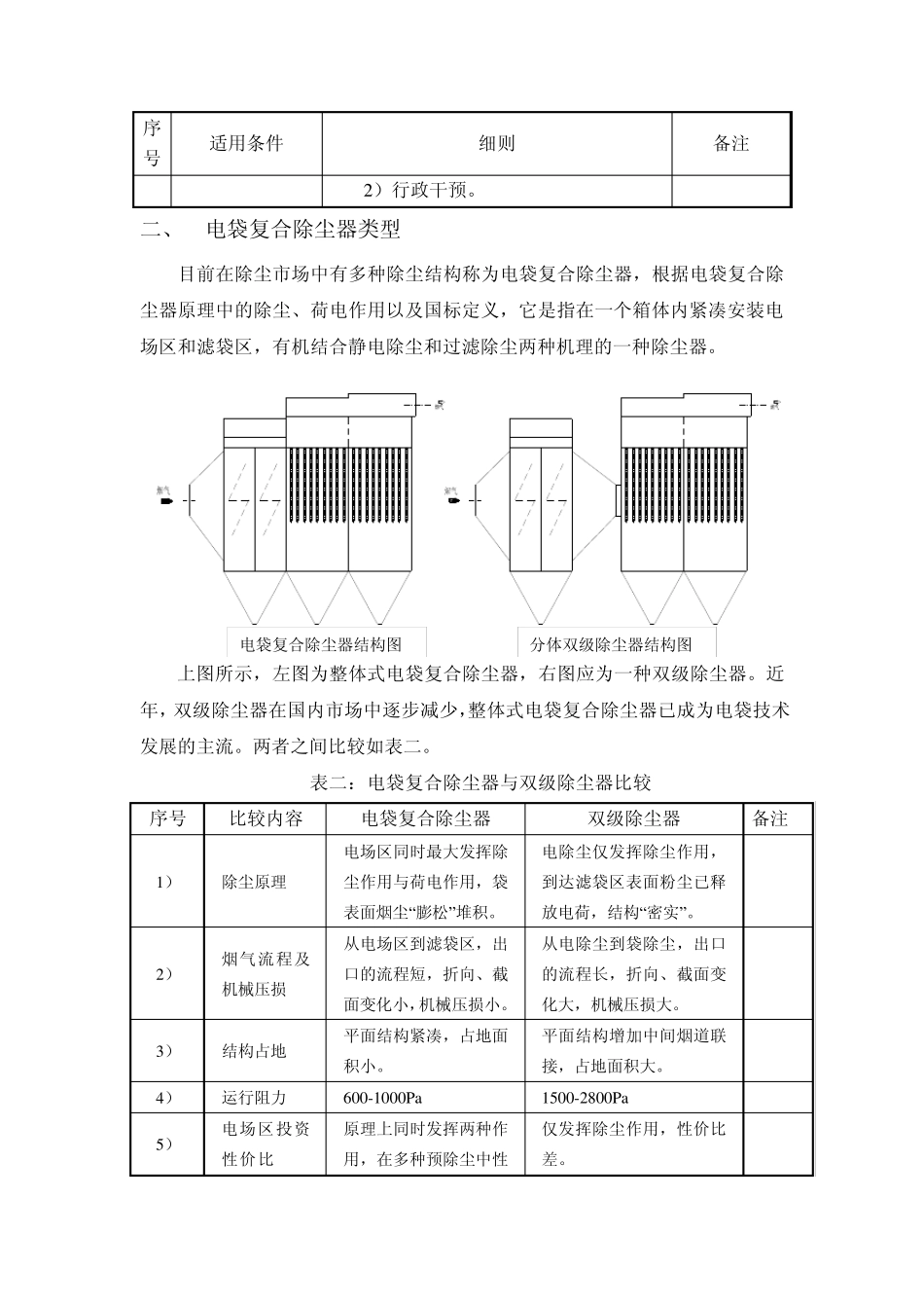
电 袋 复 合 除 尘 器 的 总 体 设 计 电 袋 复 合 除 尘 器 是 指 在 一 个 箱 体 内 紧 凑 安 装 电 场 区 和 滤 袋 区 ,有 机 结 合 静 电除 尘 和 过 滤 除 尘 两 种 机 理 的 一 种 新 型 除 尘 器 。电 袋 复 合 除 尘 器 是 提 高 除 尘 效 率 和降 低 除 尘 器 能 耗 的 新 一 代 产 品 ,该 产 品 将 成 为 我 国 燃 煤 电 厂 及 其 它 工 业 烟 气 实 现新 标 准 ( ≤ 30mg/Nm3) 达 标 排 放 的 可 靠 的 新 型 除 尘 设 备 。 电 袋 复 合 除 尘 器 属 非 标 产 品 , 其 工 况 条 件 、 设 备 所 需 达 到 的 性 能 要 求 及 用 户需 求 不 同 , 除 尘 器 的 总 体 设 计 方 案 亦 有 所 不 同 。 以 下 就 电 袋 复 合 除 尘 器 的 适 用 条件 、 基 本 参 数 设 计 、 滤 袋 选 择 及 其 他 附 属 设 备 选 择 等 做 简 要 说 明 。 一 、 电 袋 复 合 除 尘 器 适 用 条 件 针 对 燃 煤 电 厂 , 电 袋 复 合 除 尘 器 适 用 条 件 如 表 一 所 示 : 表 一 : 电 袋 复 合 除 尘 器 适 用 条 件 细 则 序号 适 用 条 件 细 则 备 注 1. 排 放 要 求 ≤50mg/Nm3 或 ≤30mg/Nm3 2. 细 微 颗粒排 放 控制要 求 PM10级及 以 下 细 微 颗粒排 放 控制要求 时 3. 烟 气 温度 ≤240℃( 下 限≥ 露点温度20℃) 4. 电 厂 位置 1) 地处人口密集城市中心; 2) 地处名胜、 名迹风景区 ; 3) 城市重要 窗口; 4) 高 新 技术经济区 ; 5) 其 它 排 放 要 求 较严格的 地区 。 5. 煤 灰细 度小、 浓度高 的 工 况 1) CFB 锅炉烟 尘 工 况 2) 燃 用 煤 矸石或 炉内 脱硫烟 尘 工 况 6. 煤 灰成 份、 特性 1) SiO2≥ 50%或 SiO2、 Al2O3、 Fe2O3总 含量≥ 85%; 2) Na2O<1.0%; 3) 比电 阻值 ρ≥ 1011(Ώ -cm ) 7. 老厂 电 除 尘 器 改造 1) 除 尘 器 场 地限制; 2) 燃 用 煤 质下 降 。 8. 其 它 1) 环评因素; 序号 适用条件 细则 备注 2)行政干预。 二、 电袋复合除...

1、当您付费下载文档后,您只拥有了使用权限,并不意味着购买了版权,文档只能用于自身使用,不得用于其他商业用途(如 [转卖]进行直接盈利或[编辑后售卖]进行间接盈利)。
2、本站所有内容均由合作方或网友上传,本站不对文档的完整性、权威性及其观点立场正确性做任何保证或承诺!文档内容仅供研究参考,付费前请自行鉴别。
3、如文档内容存在违规,或者侵犯商业秘密、侵犯著作权等,请点击“违规举报”。

碎片内容

电袋教材电袋复合除尘器总体设计

小辰2+ 关注
实名认证
内容提供者

出售各种资料和文档

确认删除?
VIP
微信客服
  • 扫码咨询
会员Q群
  • 会员专属群点击这里加入QQ群
客服邮箱
回到顶部