电脑桌面
添加小米粒文库到电脑桌面
安装后可以在桌面快捷访问

监控系统技术参数清单VIP专享

监控系统技术参数清单_第1页
1/17
监控系统技术参数清单_第2页
2/17
监控系统技术参数清单_第3页
3/17
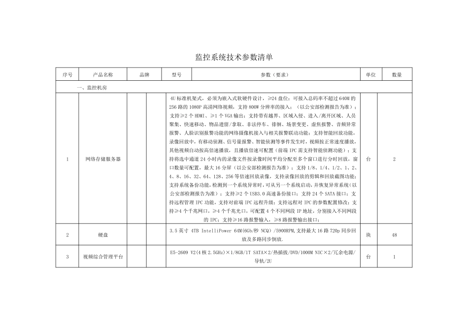
监 控 系 统 技 术 参 数 清 单 序 号 产 品 名 称 品 牌 型 号 参 数 ( 要 求 ) 单 位 数 量 一 、 监 控 机 房 1 网 络 存 储 服 务 器 4U 标 准 机 架 式 , 必 须 为 嵌 入 式 软 硬 件 设 计 , ≥ 24 盘 位 ; 可 接 入 总 码 率 不 超 过 640M 的256 路 的 1080P 高 清 网 络 视 频 , 支 持 800W 分 辨 率 的 接 入 ; ( 以 公 安 部 检 测 报 告 为 准 ) ;支 持 ≥ 2 个 HDMI、 ≥ 1 个 VGA 输 出 ; 支 持 带 有 越 界 、 区 域 入 侵 、 进 入 /离 开 区 域 、 人 员聚 集 、 快 速 移 动 、 物 品 遗 留 /拿 取 、 非 法 停 车 、 徘 徊 、 场 景 变 更 、 虚 焦 报 警 、 音 频 异 常报 警 、 人 脸 识 别 报 警 功 能 的 网 络 摄 像 机 接 入 与 相关报 警 联动 功 能 ; 支 持 智能 回放功 能 ,录像 回放中, 有 移 动 侦测 、 信号 量 报 警 、 智能 侦测 等事件 发生时, 视 频 按正常 速 度播放,其他视 频 自动 按高 倍速 播放, 且播放倍速 可 配置( 前端IPC 需支 持 智能 侦测 功 能 ) ; 支持 将选中通道24 小时内的 录像 文件 按录像 时间平均分 配至多个 窗口进 行分 时回放, 窗口数 量 可 配置, 最大16 分 屏( 以 公 安 部 检 测 报 告 为 准 ) ; 支 持 1/8、 1/4、 1/2、 1、 2、4、 8、 16、 32、 64、 128、 256 等倍速 回放录像 , 支 持 录像 回放的 剪辑和回放截图功 能 ;支 持 系 统 备份功 能 ,检 测 到一 个 系 统 异 常 时,可 从另一 个 系 统 启动 ,并恢复异 常 系 统( 以公 安 部 检 测 报 告 为 准 ) ; 支 持 ≥ 2 个 USB3.0 高 速 备份接 口; 支 持 24 个 SATA 接 口; 支持 远程管理IPC 功 能 , 支 持 对前端IPC 远程升级; 支 持 远程对IPC 的 参 数 配置修改; 支持 ≥ 4 个 千兆网 口, ≥ 4 个 千兆光口, 可 配置4 个 不 同网 段IP 地址, 分 别 接 入 不 同网 段的 IPC; 支 持 ≥ 16 路 报 警 输 入 , ≥ 8 路 报 警 输 出 接 口...

1、当您付费下载文档后,您只拥有了使用权限,并不意味着购买了版权,文档只能用于自身使用,不得用于其他商业用途(如 [转卖]进行直接盈利或[编辑后售卖]进行间接盈利)。
2、本站所有内容均由合作方或网友上传,本站不对文档的完整性、权威性及其观点立场正确性做任何保证或承诺!文档内容仅供研究参考,付费前请自行鉴别。
3、如文档内容存在违规,或者侵犯商业秘密、侵犯著作权等,请点击“违规举报”。

碎片内容

监控系统技术参数清单

确认删除?
VIP
微信客服
  • 扫码咨询
会员Q群
  • 会员专属群点击这里加入QQ群
客服邮箱
回到顶部