电脑桌面
添加小米粒文库到电脑桌面
安装后可以在桌面快捷访问

球罐热处理方案

球罐热处理方案_第1页
1/15
球罐热处理方案_第2页
2/15
球罐热处理方案_第3页
3/15
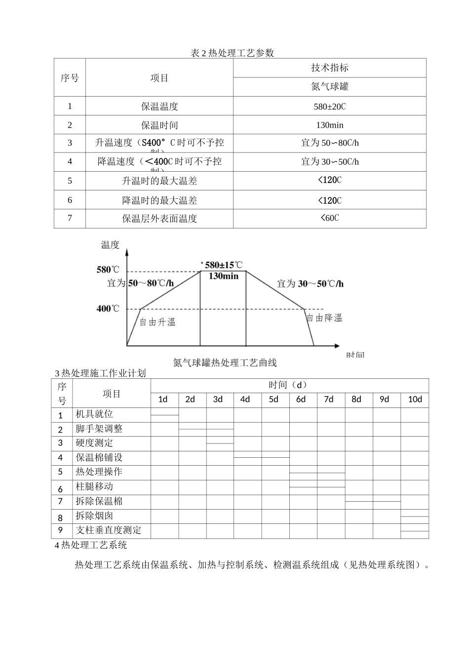
中国石化达州天然气净化有限公司净化厂空分空压站氮气球罐(734-T-002)维修热处理专项方案编制:审核:批准:上海蓝滨石化设备有限责任公司2018 年 12 月 31 日TSG21-2016GB150-2011GB12337-2014GB50094-20101 工程概况中国石油化达州天然气净化有限公司净化厂空风空压站 1 台 400m3氮气球罐(734-T-002)维修项目,项目内容包含:焊缝返修、无损检测、整体热处理、水压试验。根据球罐返修技术条件和国家现行压力容器制造技术法规、标准要求,需进行焊后整体热处理。采用内部燃油法对球罐进行焊后整体热处理。为确保热处理质量满足设计规定的要求,特制定本方案。1.1 球罐主要设计参数(见表 1)表 1 球罐主要设计参数序号项目参数球罐规格①9200设计壁厚54mm公称容积400m3球罐材质15MnNbR操作介质氮气金属质量-125500kg1.2 热处理施工依据《固定式压力容器安全技术监察规程》《钢制压力容器》《钢制球形储罐》《球形储罐施工规范》修补技术要求2 热处理方法及工艺规程 2.1 热处理方法采用球罐内部燃油法进行整体热处理,用球罐腔体为炉膛,球罐外侧用保温材料进行绝热保温作为炉体,选用霍克燃烧器进行加热,随着燃油不断燃烧,产生的高温气流在球罐内进行对流传导和辐射,使球罐升温到热处理所需的温度。2.2 热处理工艺规范根据国家现行压力容器制造技术法规、标准要求,选择如下热处理工艺参数(表 2)和工艺曲线。时间表 2 热处理工艺参数序号项目技术指标氮气球罐1保温温度580±20C2保温时间130min3升温速度(S400°C 时可不予控制)宜为 50〜80C/h4降温速度(<400C 时可不予控制)宜为 30〜50C/h5升温时的最大温差<120C6降温时的最大温差<120C7保温层外表面温度<60C3 热处理施工作业计划序号项目时间(d)1d2d3d4d5d6d7d8d9d10d1机具就位2脚手架调整3硬度测定4保温棉铺设5热处理操作6柱腿移动7拆除保温棉8拆除烟囱9支柱垂直度测定4 热处理工艺系统热处理工艺系统由保温系统、加热与控制系统、检测温系统组成(见热处理系统图)。烟囱4.2.2 燃油储备及供应氮气球罐预计热处理耗油量 S2 吨,总用油量应保证球罐热处理全周期所需油量的 1.5倍,故应有 3 吨的燃油储备。油桶放在地面,用供油泵将油送入燃烧器供油箱。4.2.3 烟道烟囱安放在上人孔法兰上,烟囱总高 1.2 米,主体由① 500x4x1200 钢管 1 节组成。4.2.4 温度控制设备由微电脑及执行机构组成。在微电脑上设定加热程序,由执行机构自动完成加...

1、当您付费下载文档后,您只拥有了使用权限,并不意味着购买了版权,文档只能用于自身使用,不得用于其他商业用途(如 [转卖]进行直接盈利或[编辑后售卖]进行间接盈利)。
2、本站所有内容均由合作方或网友上传,本站不对文档的完整性、权威性及其观点立场正确性做任何保证或承诺!文档内容仅供研究参考,付费前请自行鉴别。
3、如文档内容存在违规,或者侵犯商业秘密、侵犯著作权等,请点击“违规举报”。

碎片内容

球罐热处理方案

您可能关注的文档

确认删除?
VIP
微信客服
  • 扫码咨询
会员Q群
  • 会员专属群点击这里加入QQ群
客服邮箱
回到顶部