电脑桌面
添加小米粒文库到电脑桌面
安装后可以在桌面快捷访问

直螺纹操作规程及规范

直螺纹操作规程及规范_第1页
1/11
直螺纹操作规程及规范_第2页
2/11
直螺纹操作规程及规范_第3页
3/11
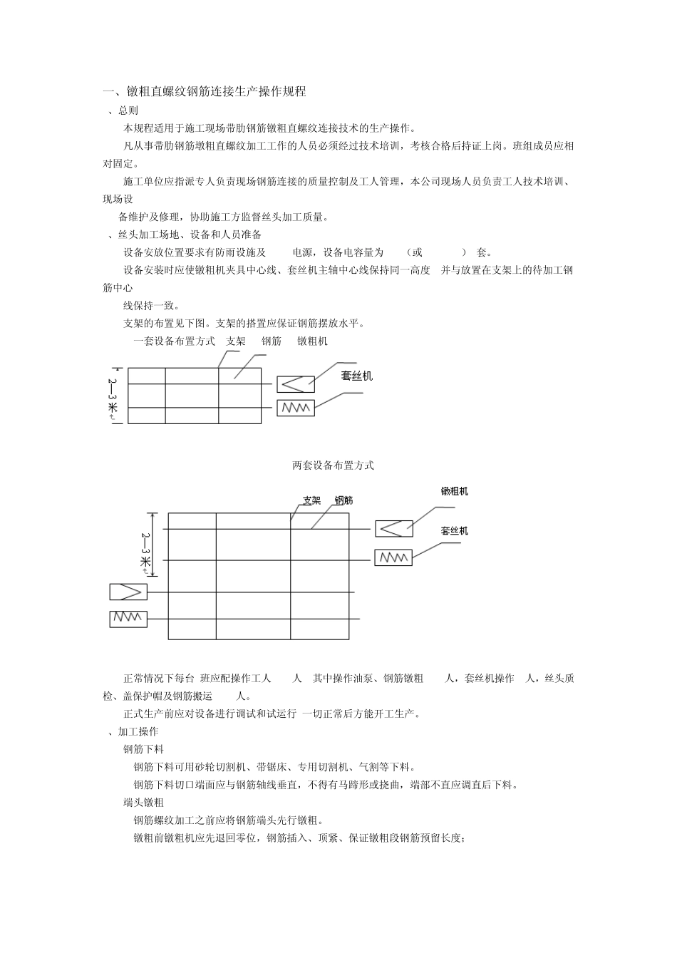
一、镦粗直螺纹钢筋连接生产操作规程 1、总则 1.1 本规程适用于施工现场带肋钢筋镦粗直螺纹连接技术的生产操作。 1.2 凡从事带肋钢筋墩粗直螺纹加工工作的人员必须经过技术培训,考核合格后持证上岗。班组成员应相对固定。 1.3 施工单位应指派专人负责现场钢筋连接的质量控制及工人管理,本公司现场人员负责工人技术培训、现场设 备维护及修理,协助施工方监督丝头加工质量。 2、丝头加工场地、设备和人员准备 2.1 设备安放位置要求有防雨设施及 380V电源,设备电容量为 7KW(或 11.5 KW)/套。 2.2 设备安装时应使镦粗机夹具中心线、套丝机主轴中心线保持同一高度, 并与放置在支架上的待加工钢筋中心 线保持一致。 2.3 支架的布置见下图。支架的搭置应保证钢筋摆放水平。 一套设备布置方式: 支架 钢筋 镦粗机 两套设备布置方式: 2.4 正常情况下每台.班应配操作工人 4~5人, 其中操作油泵、钢筋镦粗 1~2人,套丝机操作 1人,丝头质检、盖保护帽及钢筋搬运 2~3人。 2.5 正式生产前应对设备进行调试和试运行,一切正常后方能开工生产。 3、加工操作 3.1 钢筋下料 3.1.1 钢筋下料可用砂轮切割机、带锯床、专用切割机、气割等下料。 3.1.2 钢筋下料切口端面应与钢筋轴线垂直,不得有马蹄形或挠曲,端部不直应调直后下料。 3.2 端头镦粗 3.2.1 钢筋螺纹加工之前应将钢筋端头先行镦粗。 3.2.2 镦粗前镦粗机应先退回零位,钢筋插入、顶紧、保证镦粗段钢筋预留长度; 3.2.3不同规格钢筋的镦粗压力、镦粗基圆直径、钢筋镦粗缩短尺寸和镦粗长度详见表1: 表1 镦粗工艺参数表 镦粗机型号 1200 型 1800 型 钢筋规格 Φ 16 Φ 18 Φ 20 Φ 22 Φ 25 Φ 28 Φ 32 Φ 32 Φ 36 Φ 40 参数项目 公差 镦粗压力 MPa ± 1 11.0 12.0 13.0 15.0 18.0 23.0 28.0 21.0 25.0 28.0 墩粗基圆直径 mm ± 0.5 17.5 19.0 21.0 23.0 26.5 29.5 33.0 33.0 37.0 41.0 镦粗缩短尺寸 mm ± 3 8 8 8 8 8 8 8 8 8 8 剥肋基圆直径 mm +0.2 -0.1 16.70 18.38 20.38 22.38 25.55 28.55 32.05 32.05 36.05 40.05 镦粗长度 mm ± 1 38.0 43.5 47.5 51.5 59.0 65.0 73.0 73.0 81.0 89.0 表注:镦粗压力及镦粗缩短尺寸仅为参考值。在每批钢筋进场加工前,均应做镦粗试验,并以镦粗基圆合格来确定最佳的镦粗压力及缩短量的最终值。 3....

1、当您付费下载文档后,您只拥有了使用权限,并不意味着购买了版权,文档只能用于自身使用,不得用于其他商业用途(如 [转卖]进行直接盈利或[编辑后售卖]进行间接盈利)。
2、本站所有内容均由合作方或网友上传,本站不对文档的完整性、权威性及其观点立场正确性做任何保证或承诺!文档内容仅供研究参考,付费前请自行鉴别。
3、如文档内容存在违规,或者侵犯商业秘密、侵犯著作权等,请点击“违规举报”。

碎片内容

直螺纹操作规程及规范

您可能关注的文档

确认删除?
VIP
微信客服
  • 扫码咨询
会员Q群
  • 会员专属群点击这里加入QQ群
客服邮箱
回到顶部