电脑桌面
添加小米粒文库到电脑桌面
安装后可以在桌面快捷访问

盾构隧道转弯环管片在曲线上的排版

盾构隧道转弯环管片在曲线上的排版_第1页
1/7
盾构隧道转弯环管片在曲线上的排版_第2页
2/7
盾构隧道转弯环管片在曲线上的排版_第3页
3/7
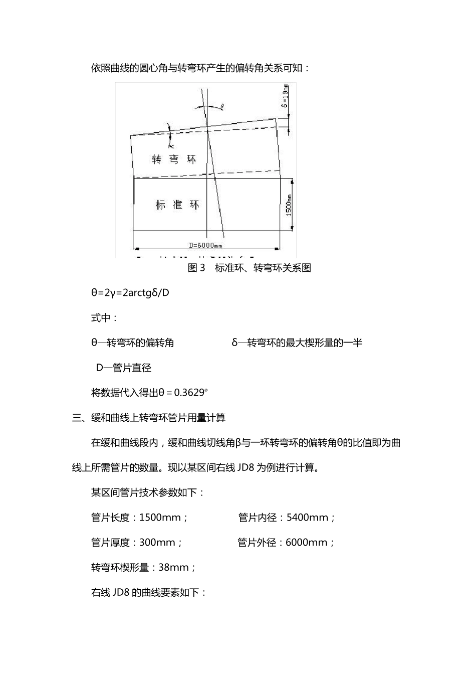
盾构隧道转弯环管片在曲线上的排版 【东莞地铁R2 线盾构前言】:盾构施工在缓和曲线上的管片选型排版直接关系到在圆曲线上盾构机的姿态控制,现以某区间缓和曲线段管片的选型排版为例,对管片在缓和区线段的选型排版方法进行总结介绍,以便在今后盾构施工进行借鉴和指导。一般排版设计的管环宽是 1.5 米就考虑 1.502 米-1.503 米我考虑的是 1.503 米排版情况很好。 一 、引言 目前盾构工程在地下铁路施工中应用越来越多,由于曲线的存在就要用标准环与转弯环配合使用,以适应线路的走势。曲线是由一 条圆曲线和两条缓和曲线组成。对于圆曲线的管片排版已有了相对较为成熟的理论。而缓和曲线上的管片排版以往通常是根据盾构机 VMT 来选择,没有成型的理论支持,为此,结合测量理论和弯环管片的实际探索出在缓和曲线上准确选择弯环管片理论排版的方法,介绍给大家,供参考和借鉴。 二、缓和曲线理论 按线路的前进方向,直线与缓和曲线的连接点称为直缓点,依次类推其余各点分别为缓圆点、圆缓点、缓直点,分别记为 ZH、HY、YH、HZ。其相对关系见图 1 及图 2。 图 1 曲 线 要 素 示 意 图 图 2 缓 和 曲 线 图 由 可 得 β― ― 为 缓 和 曲 线 上 任 一 点 P 处 的 切 线 角 ; LS― ― 任 一 点 P 所 对 应 的 切 线 长 当 LS=L 时 , 即 可 得 出 β=L/2R (rad) 。 2.1.弯环管片偏转角 计算 依 照 曲 线 的 圆 心 角 与 转 弯 环 产 生 的 偏 转 角 关 系 可 知 : 图 3 标 准 环 、转 弯 环 关 系 图 θ=2γ=2arctgδ/D 式 中 : θ—转 弯 环 的 偏 转 角 δ—转 弯 环 的 最 大 楔 形 量 的 一 半 D—管 片 直 径 将 数 据 代 入 得 出 θ= 0.3629º 三 、缓 和 曲 线 上 转 弯 环 管 片 用 量 计 算 在 缓 和 曲 线 段 内 , 缓 和 曲 线 切 线 角 β与 一 环 转 弯 环 的 偏 转 角 θ的 比 值 即 为 曲线 上 所 需 管 片 的 数 量 。 现 以 某 区 间 右 线 JD8 为 例 进 行 计 算 。 某 区 间 管 片 技 术 参 数 如 下 : 管 片 长 度 : 1500m m ; 管 片 内 径 : 5400m m ; 管 片 厚 度 : 300m m ; 管 片 外 径 : 6000m m ; 转 弯 环...

1、当您付费下载文档后,您只拥有了使用权限,并不意味着购买了版权,文档只能用于自身使用,不得用于其他商业用途(如 [转卖]进行直接盈利或[编辑后售卖]进行间接盈利)。
2、本站所有内容均由合作方或网友上传,本站不对文档的完整性、权威性及其观点立场正确性做任何保证或承诺!文档内容仅供研究参考,付费前请自行鉴别。
3、如文档内容存在违规,或者侵犯商业秘密、侵犯著作权等,请点击“违规举报”。

碎片内容

盾构隧道转弯环管片在曲线上的排版

您可能关注的文档

确认删除?
VIP
微信客服
  • 扫码咨询
会员Q群
  • 会员专属群点击这里加入QQ群
客服邮箱
回到顶部