电脑桌面
添加小米粒文库到电脑桌面
安装后可以在桌面快捷访问

矩形水池池顶设计

矩形水池池顶设计_第1页
1/30
矩形水池池顶设计_第2页
2/30
矩形水池池顶设计_第3页
3/30
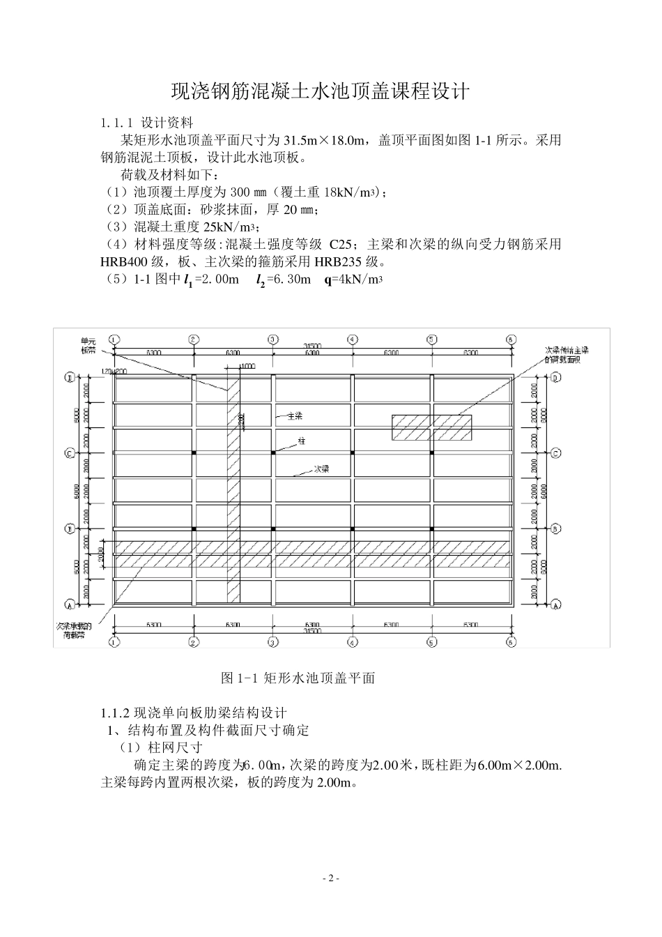
- 1 - 给水排水工程结构课程 设计计算书 学 校: 院 系: 专 业:给排水科学与工程 年 级:2010 级 姓 名: 学 号: 指导教师: 分组号码: 二○一二年十二月三十日 - 2 - 现浇钢筋混凝土水池顶盖课程设计 1.1.1 设计资料 某矩形水池顶盖平面尺寸为31.5m ×18.0m ,盖顶平面图如图 1-1 所示。采用钢筋混泥土顶板,设计此水池顶板。 荷载及材料如下: (1)池顶覆土厚度为300 ㎜(覆土重 18kN/m 3); (2)顶盖底面:砂浆抹面,厚 20 ㎜; (3)混凝土重度 25kN/m 3; (4)材料强度等级:混凝土强度等级 C25;主梁和次梁的纵向受力钢筋采用HRB400 级,板、主次梁的箍筋采用 HRB235 级。 (5)1-1 图中 l1 =2.00m l2 =6.30m q=4kN/m 3 图 1-1 矩形水池顶盖平面 1.1.2 现浇单向板肋梁结构设计 1、结构布置及构件截面尺寸确定 (1)柱网尺寸 确定主梁的跨度为6.00m ,次梁的跨度为2.00米,既柱距为6.00m ×2.00m .主梁每跨内置两根次梁,板的跨度为2.00m 。 - 3 - (2)板的厚度h 对于有覆土的水池顶盖,板厚mmlh802000251251,所以取板厚mmh100。 (3)主梁界面尺寸hb 根据刚度要求,5.787~450630081~14181~1412lh,取 mmh700,截面宽度hb21~31,取 mmb300。 (4)次梁界面尺寸hb 根据刚度要求,500~3336000121~181121~1811lh,取 mmh500,截面宽度hb21~31,取 mmb200。 2、板的设计 根据《混凝土结构设计规范》(GB 50010 - 2002)规定,本设计中板区格长边与短边之比为:326 ,介于3~2之间,易用双向板进行设计。但也可按短边方向受力的单向板计算,在沿长边方向布置足够数量的构造钢筋来处理。 (1)材料指示及梁、板截面尺寸 C25 混凝土: 2422/108.2,/27.1,/9.11mmNEmmNfmmNfctc HRB235 钢筋: 252'/101.2,/210mmNEmmNffsyy HRB400 钢筋: 252'/100.2,/360mmNEmmNffsyy 混凝土重度标准值为3/25mkN,覆土重度标准值为3/18mkN,砂浆抹面层重度标准值为3/20mkN。板厚采用 100 ㎜,次梁采用mmmmhb500200,主梁采用mmmmhb800400。 (2)荷载设计值 恒荷载分项系数2.1G;因为2/4mkNqk ,故活荷载分项系数4.1Q。 - 4 - 永久荷载标准值kg 覆土重 2/4.53.018mkN...

1、当您付费下载文档后,您只拥有了使用权限,并不意味着购买了版权,文档只能用于自身使用,不得用于其他商业用途(如 [转卖]进行直接盈利或[编辑后售卖]进行间接盈利)。
2、本站所有内容均由合作方或网友上传,本站不对文档的完整性、权威性及其观点立场正确性做任何保证或承诺!文档内容仅供研究参考,付费前请自行鉴别。
3、如文档内容存在违规,或者侵犯商业秘密、侵犯著作权等,请点击“违规举报”。

碎片内容

矩形水池池顶设计

确认删除?
VIP
微信客服
  • 扫码咨询
会员Q群
  • 会员专属群点击这里加入QQ群
客服邮箱
回到顶部