电脑桌面
添加小米粒文库到电脑桌面
安装后可以在桌面快捷访问

石油成品油损耗定额

石油成品油损耗定额_第1页
1/6
石油成品油损耗定额_第2页
2/6
石油成品油损耗定额_第3页
3/6
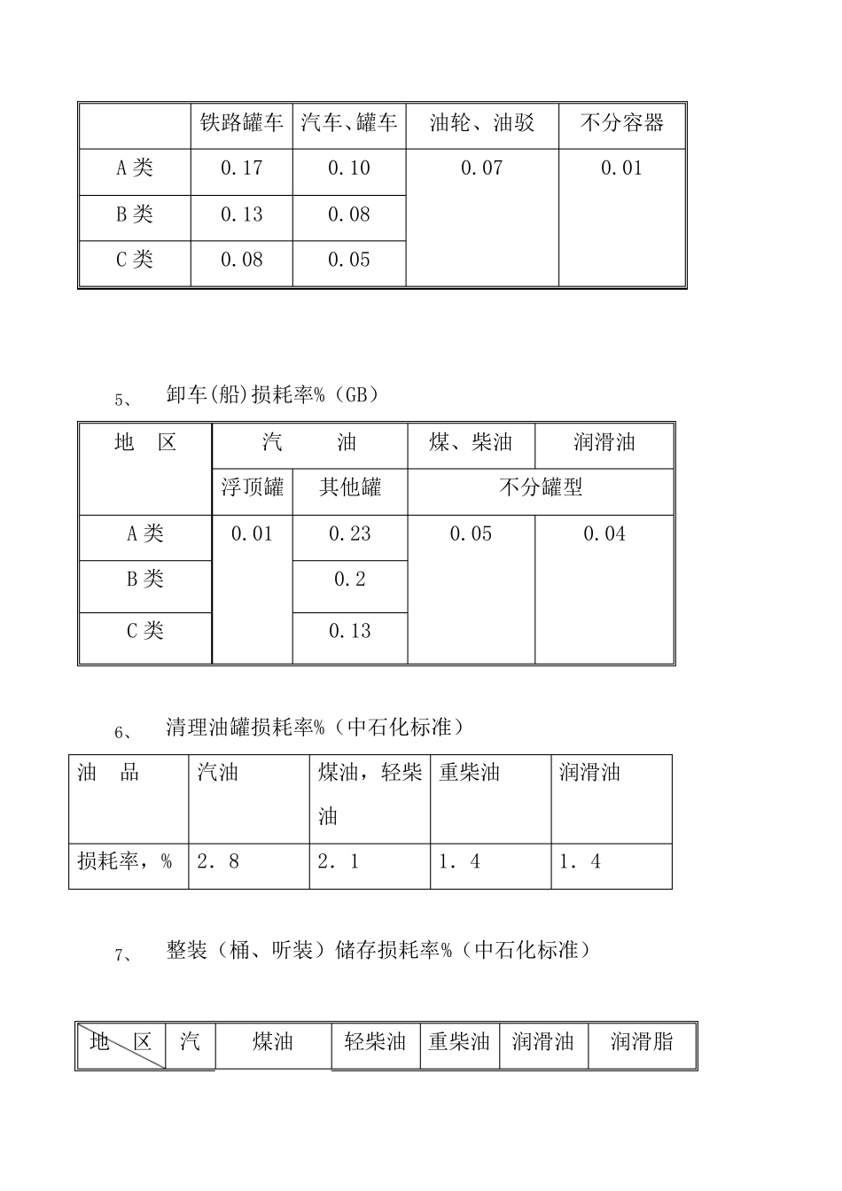
石油成品油损耗定额 • 中华人民共和国国家标准 GB11085-89《散装液体石油产品损耗》以及中国石化销售公司现行的有关损耗率。 • 计算各项损耗量时,容量、量具必须经过检定合格、计量测定必须符合有关操作方法的规定。 一、地区划分: • A 类地区:江西、福建、广东、海南、云南、四川、湖南、贵州、台湾省和广西壮族自治区 • B 类地区:河北、山西、陕西、山东、江苏、浙江、安徽、河南、湖北、甘肃省、宁夏回族自治区、北京、天津、上海市 • C 类地区:辽宁、吉林、黑龙江、青海省、内蒙古自治区、新疆维吾尔自治区、西藏自治区 二、季节的划分: A、B 类地区,每年 1~3 月,10~12 月为冬季,4~9 月为夏秋季。 C 类地区,每年 1~4 月,11~12 月为冬季,5~10 月为夏秋季。 1、 储存损耗率%(按月计算)(GB) 地区 立式金属罐 隐蔽罐、浮顶罐 汽油 其他油 不分油品、季节 春冬季 夏、秋季 不分季节 A 类 0.11 0.21 0.01 0.01 B 类 0.05 0.12 C 类 0.03 0.09 高原地区,根据油库所在地海拔高度按以下幅度修正储存损耗率 海拔高度,M 增加损耗,% 1001~2000 21 2001~3000 37 3001~4000 55 4001 以上 76 2、 灌桶损耗率%(GB) 油品 汽油 其它油 损耗率 0.18 0.01 3、 输转损耗率%(GB) 地区 汽 油 其他油 春冬季 夏秋季 不分季节、罐型 浮顶罐 其他罐 浮顶罐 其他罐 A 类 0.01 0.15 0.01 0.22 0.01 B 类 0.12 0.18 C 类 0.06 0.12 4、 装船(车)损耗率%(GB) 地 区 汽 油 其它油 铁路罐车 汽车、罐车 油轮、油驳 不分容器 A 类 0.17 0.10 0.07 0.01 B 类 0.13 0.08 C 类 0.08 0.05 5、 卸车(船)损耗率%(GB) 地 区 汽 油 煤、柴油 润滑油 浮顶罐 其他罐 不分罐型 A 类 0.01 0.23 0.05 0.04 B 类 0.2 C 类 0.13 6、 清理油罐损耗率%(中石化标准) 油 品 汽油 煤油,轻柴油 重柴油 润滑油 损耗率,% 2.8 2.1 1.4 1.4 7、 整装(桶、听装)储存损耗率%(中石化标准) 地 区 汽 煤油 轻柴油 重柴油 润滑油 润滑脂 油 铁桶 方听 春冬季 夏秋季 0.18 0.22 0.11 0.15 0.15 0.18 0.09 0.13 0.05 0.07 0.07 0.10 0.05 0.08 8、 倒桶损耗率%(中石化标准) 油 品 汽油 煤油,轻柴油 润滑油 润滑脂 薄 厚 损耗率,% 0.22 0.21 0....

1、当您付费下载文档后,您只拥有了使用权限,并不意味着购买了版权,文档只能用于自身使用,不得用于其他商业用途(如 [转卖]进行直接盈利或[编辑后售卖]进行间接盈利)。
2、本站所有内容均由合作方或网友上传,本站不对文档的完整性、权威性及其观点立场正确性做任何保证或承诺!文档内容仅供研究参考,付费前请自行鉴别。
3、如文档内容存在违规,或者侵犯商业秘密、侵犯著作权等,请点击“违规举报”。

碎片内容

石油成品油损耗定额

确认删除?
VIP
微信客服
  • 扫码咨询
会员Q群
  • 会员专属群点击这里加入QQ群
客服邮箱
回到顶部