电脑桌面
添加小米粒文库到电脑桌面
安装后可以在桌面快捷访问

矿物绝缘电缆施工工法

矿物绝缘电缆施工工法_第1页
1/10
矿物绝缘电缆施工工法_第2页
2/10
矿物绝缘电缆施工工法_第3页
3/10
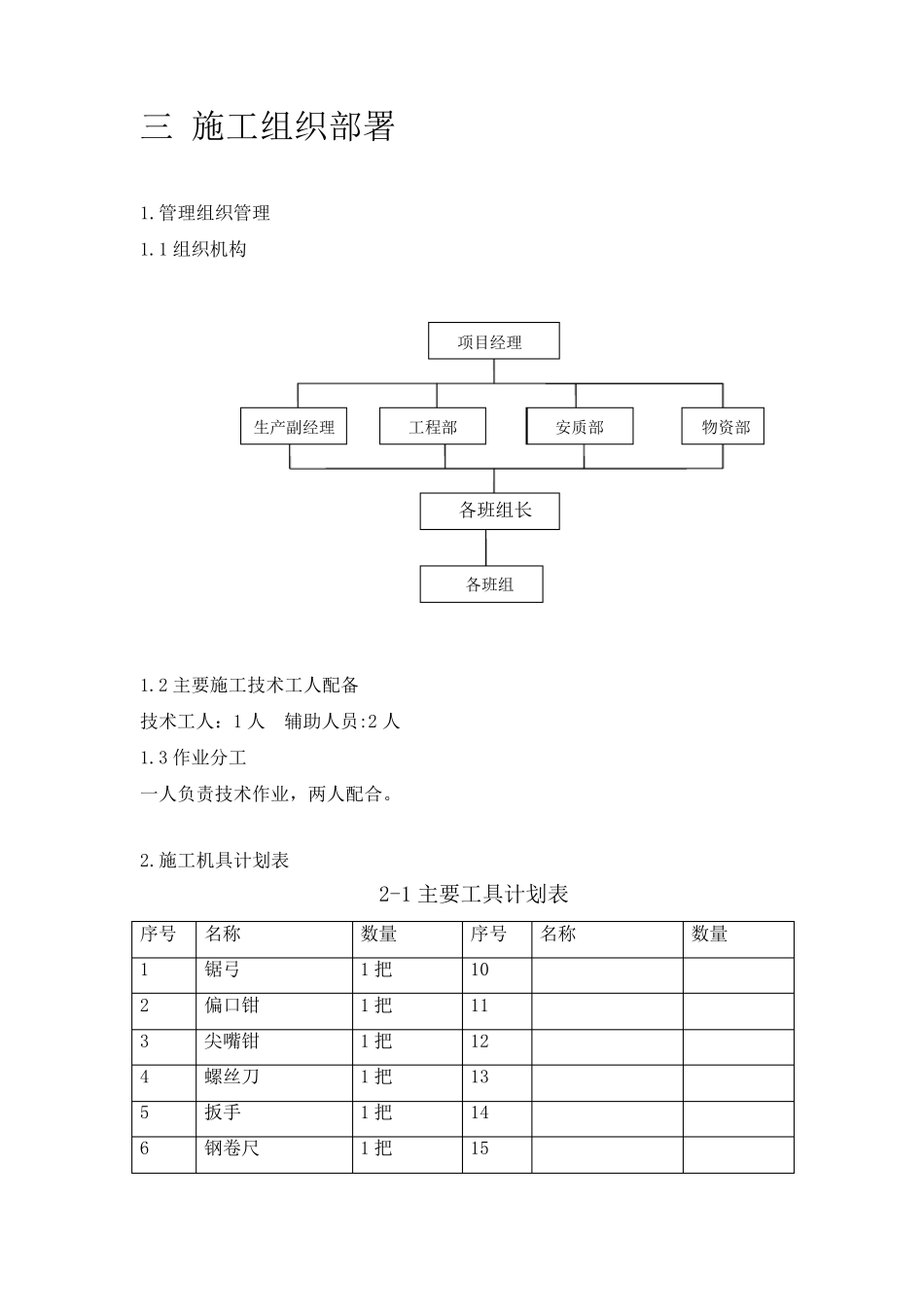
杭州地铁一号线YTTW 金属护套无机矿物绝缘电缆施工工法 一 前言 杭州地铁一号线站弄口车站共用YTTW 金属护套无机矿物绝缘电缆共十二组,其中区间隧道风机变频柜到区间隧道风机四组共380 米,电控室低压柜到区间隧道风机变频柜三组共150 米,低压配电柜到细水雾泵配电箱一组共400 米,低压配电柜到消防泵配电柜一组共230 米,电控低压柜到区间隧道风机变频柜一组共50 米。 二 YTTW 金属护套无机矿物绝缘电缆特点: 1:矿物绝缘电缆具有耐高温,耐火作用; 2:矿物绝缘电缆具有防爆性作用; 3:矿物绝缘电缆具有寿命长性能; 4:矿物绝缘电缆不具有防水功能; 5:矿物绝缘电缆载流量大; 6:抗辐射能力强 7: 环保 三 施工组织部署 1.管理组织管理 1.1 组织机构 1.2 主要施工技术工人配备 技术工人:1 人 辅助人员:2 人 1.3 作业分工 一人负责技术作业,两人配合。 2.施工机具计划表 2-1 主要工具计划表 序号 名称 数量 序号 名称 数量 1 锯弓 1 把 10 2 偏口钳 1 把 11 3 尖嘴钳 1 把 12 4 螺丝刀 1 把 13 5 扳手 1 把 14 6 钢卷尺 1 把 15 项目经理 各班组长 生产副经理 工程部 物资部 安质部 各班组 7 摇表 1 把 16 8 喷灯 1 台 17 9 18 2-2 终端头 无机矿物绝缘电缆(即柔性防火电缆)在持续高温燃烧的条件下,作为绝缘和耐火作用的云母会呈粉末状脱落,玻璃丝布会变硬变脆,而由于YTTW电缆结构的特点,护套和绝缘层之间有相当大的空隙,为脱落的云母粉末提供了空间,这样在外力的冲击作用下非常容易造成电气短路。而这种电缆的绝缘层不像BTTZ电缆那样呈密实的氧化镁绝缘层,所以它的防爆性能也欠佳,可燃气体、汽油、蒸汽等都会通过电缆护套与绝缘层的空隙传播到电缆连接的电器设备或者其它有防爆要求的区域,所以在一些重要的场所(如消防系统等),应谨慎选择。 电缆使用过程中如果意外产 生 过电压 ,电缆被 击穿 时 ,BTTZ电缆绝缘层被 损坏 ,是 由于击穿 处 的空气电离 作用使氧化镁局 部 熔 化所致 ,但 融 化后 其成分 不会改 变,依 然 是 致 密的氧化镁,因 此 电缆仍 可恢 复 原 来 的电气性能。而YTTW电缆一旦 被 击穿 就 再 也无法 恢 复 其电气性能,只 能报 废 。 四 、 主 要 施 工 方 法 及 技 术 措 施 1 工 艺 流 程 施 工 准 备 → ...

1、当您付费下载文档后,您只拥有了使用权限,并不意味着购买了版权,文档只能用于自身使用,不得用于其他商业用途(如 [转卖]进行直接盈利或[编辑后售卖]进行间接盈利)。
2、本站所有内容均由合作方或网友上传,本站不对文档的完整性、权威性及其观点立场正确性做任何保证或承诺!文档内容仅供研究参考,付费前请自行鉴别。
3、如文档内容存在违规,或者侵犯商业秘密、侵犯著作权等,请点击“违规举报”。

碎片内容

矿物绝缘电缆施工工法

确认删除?
VIP
微信客服
  • 扫码咨询
会员Q群
  • 会员专属群点击这里加入QQ群
客服邮箱
回到顶部