电脑桌面
添加小米粒文库到电脑桌面
安装后可以在桌面快捷访问

硫酸厂工艺操作规程

硫酸厂工艺操作规程_第1页
1/22
硫酸厂工艺操作规程_第2页
2/22
硫酸厂工艺操作规程_第3页
3/22
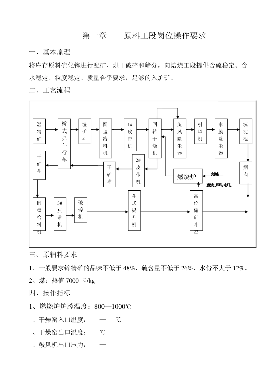
硫酸厂工艺操作规程 一、工艺流程及基本原理 1 、基本原理 以硫化锌为原料的硫酸生产过程是将破碎处理好的硫化锌矿在沸腾炉内进行沸腾焙烧,烧出的二氧化硫烟气经过水洗或酸洗净化、浓硫酸干燥。再经过钒触媒将二氧化硫氧化为三氧化硫,最后用浓硫酸吸收,吸收酸用水稀释得到产品硫酸。 2 、工艺流程 第一章 原料工段岗位操作要求 一、基本原理 将库存原料硫化锌进行配矿、烘干破碎和筛分,向焙烧工段提供含硫稳定、含水稳定、粒度稳定、质量合乎要求,足够的入炉矿。 二、工艺流程 三、原辅料要求 1 、一般要求锌精矿的品味不低于4 8 %,硫含量不低于2 6 %,水份不大于1 2 %。 2 、煤:热值7 0 0 0 卡/k g 四、操作指标 1 、燃烧炉炉膛温度:8 0 0 —1 0 0 0 ℃ 2、干燥窑入口温度:550—650℃ 3、干燥窑出口温度:120℃ 4、鼓风机出口压力:200—210mm 湿精矿旋风除尘器 回转干燥机 桥 式 抓斗行车 燃烧炉 湿矿斗 干矿堆烟囱 沉淀池 引风机 2 # 皮带机 水膜除尘器 斗式提升机 破碎机 圆盘给料机 1 #皮带机 干矿斗 圆盘给料机 3 #皮带机 高位储矿斗2 2 5、炉膛压力: -5—0mm 五、操作要求 1 、精心配矿:高低品位矿搭配,干湿矿搭配,使入炉矿含硫稳定、含水稳定。 2 、精心破碎使物料粒度稳定。 3 、经常注意储矿斗情况,做的不断矿、不溢矿。 第二章 焙烧工段岗位操作法 一、基本原理 将原料工段送来的合格锌精矿,通过沸腾炉焙烧出含有二氧化硫的炉气供后段工序加工制成硫酸,烧出合格焙砂供电解锌系统,操作中要做到:一稳:气浓稳定,二勤:勤调节,三不:不产生升华硫、不出黑焙砂、不冒正压,四及时:操作变化及时联系、气浓波动及时调节,跑冒滴漏及时处理、下料口堵塞及时疏通。 二、工艺流程 三、原辅料要求 入炉矿达到要求 1、含锌大于48%以上; 2、含硫大于26 以上; 3、含水6——7%; 4、粒度小于或等于3m m ,无铁钉、螺丝、螺帽、砖块等杂物; 四、操作指标: 油 缸 油 泵 沸腾炉 鼓风机 喷油嘴 4#皮带 储矿斗 炉前风机 冷却滚筒 螺旋运输机 斗提机 旋风除尘器 焙砂仓 电收尘 1、温度 ⑪沸腾层:860——900℃; ⑫沸腾炉顶:高于沸腾层30℃,890——930℃; 2、压力 ⑪炉底压力:1100——1200H2Omm ⑫炉气出口压力:-3——-8H2Omm 3、炉气出口二氧化硫浓度:9.2——9.6% 4、烧出率:98% 五、主要岗位操作法 1、...

1、当您付费下载文档后,您只拥有了使用权限,并不意味着购买了版权,文档只能用于自身使用,不得用于其他商业用途(如 [转卖]进行直接盈利或[编辑后售卖]进行间接盈利)。
2、本站所有内容均由合作方或网友上传,本站不对文档的完整性、权威性及其观点立场正确性做任何保证或承诺!文档内容仅供研究参考,付费前请自行鉴别。
3、如文档内容存在违规,或者侵犯商业秘密、侵犯著作权等,请点击“违规举报”。

碎片内容

硫酸厂工艺操作规程

您可能关注的文档

确认删除?
VIP
微信客服
  • 扫码咨询
会员Q群
  • 会员专属群点击这里加入QQ群
客服邮箱
回到顶部