电脑桌面
添加小米粒文库到电脑桌面
安装后可以在桌面快捷访问

碳纤维粘贴加固方案

碳纤维粘贴加固方案_第1页
1/10
碳纤维粘贴加固方案_第2页
2/10
碳纤维粘贴加固方案_第3页
3/10
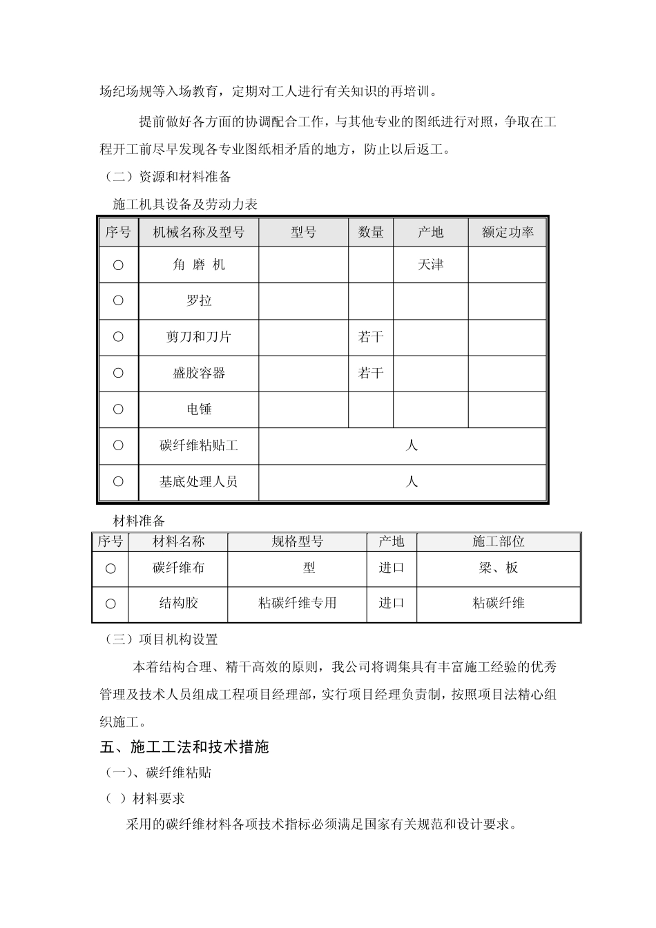
加固方案 一、编制依据: 1 、相关的施工图纸; 2 、有关规范和技术规程: 《建筑结构荷载规范》 (GB50009-2002) 《混凝土结构加固设计规范》 (GB50367-2006) 《碳纤维片材加固修复混凝土结构技术规程》 (CECS146-2003)。 二、编制范围: 局部因使用功能改变而使部分梁下部钢筋受力不足进行的粘贴碳纤维加固。 三、工程概况: 1 、工程名称:* * * * * 2 、建设单位:* * * * * * 3 、设计单位:* * * * * * * 4 、施工单位:* * * * * * * * 5 、工程性质:局部使用功能变更、粘贴碳纤维加固。 6 、说明: 因使用功能改变,部分混凝土梁底部配筋不能满足受力要求;加固采用粘贴碳纤维布加固法。 四、施工准备 (一)技术准备: 1.工程开工之前,详细了解原建筑结构形式和现场范围内各种管线的走向及分布情况,配合总包对管道进行保护或改线,确保工程如期顺利进行。 2.根据设计图纸,对原结构表面进行清理,并进行结构放线。 3.组织技术员、施工员、对施工图纸进行认真地熟悉审核,摸清设计意图,了解设计要求,对设计图上的差错和不明之处,提前上交给总包进行解决,以免造成质量隐患和延误工期。 4.项目部有关人员仔细研究施工流程,由技术员、施工员对施工班组,做好施工前的技术交底工作,交代清楚工艺操作要求、工序搭接、质量标准以及安全生产等事项。以达到每个施工人员心中有数的目的,杜绝不应发生的质量和安全事故。 5.根据工程的需要培训操作工人,对工人进行针对安全、消防、文明施工、场纪场规等入场教育,定期对工人进行有关知识的再培训。 6.提前做好各方面的协调配合工作,与其他专业的图纸进行对照,争取在工程开工前尽早发现各专业图纸相矛盾的地方,防止以后返工。 (二)资源和材料准备 1.施工机具设备及劳动力表 序号 机械名称及型号 型号 数量 产地 额定功率 ○1 角 磨 机 RA6-GF30 6 天津 0.5Kw ○2 罗拉 / 5 / / ○3 剪刀和刀片 / 若干 / / ○4 盛胶容器 / 若干 / / ○5 电锤 / 1 / / ○6 碳纤维粘贴工 14人 ○7 基底处理人员 14人 2.材料准备 序号 材料名称 规格型号 产地 施工部位 ○1 碳纤维布 300型 进口 梁、板 ○2 结构胶 粘碳纤维专用 进口 粘碳纤维 (三)项目机构设置 本着结构合理、精干高效的原则,我公司将调集具有丰富施工经验的优秀管理及技术人员组成工程项目经理部,实...

1、当您付费下载文档后,您只拥有了使用权限,并不意味着购买了版权,文档只能用于自身使用,不得用于其他商业用途(如 [转卖]进行直接盈利或[编辑后售卖]进行间接盈利)。
2、本站所有内容均由合作方或网友上传,本站不对文档的完整性、权威性及其观点立场正确性做任何保证或承诺!文档内容仅供研究参考,付费前请自行鉴别。
3、如文档内容存在违规,或者侵犯商业秘密、侵犯著作权等,请点击“违规举报”。

碎片内容

碳纤维粘贴加固方案

您可能关注的文档

确认删除?
VIP
微信客服
  • 扫码咨询
会员Q群
  • 会员专属群点击这里加入QQ群
客服邮箱
回到顶部