电脑桌面
添加小米粒文库到电脑桌面
安装后可以在桌面快捷访问

刀盘刀具检查作业指导书(更改)

刀盘刀具检查作业指导书(更改)_第1页
1/6
刀盘刀具检查作业指导书(更改)_第2页
2/6
刀盘刀具检查作业指导书(更改)_第3页
3/6
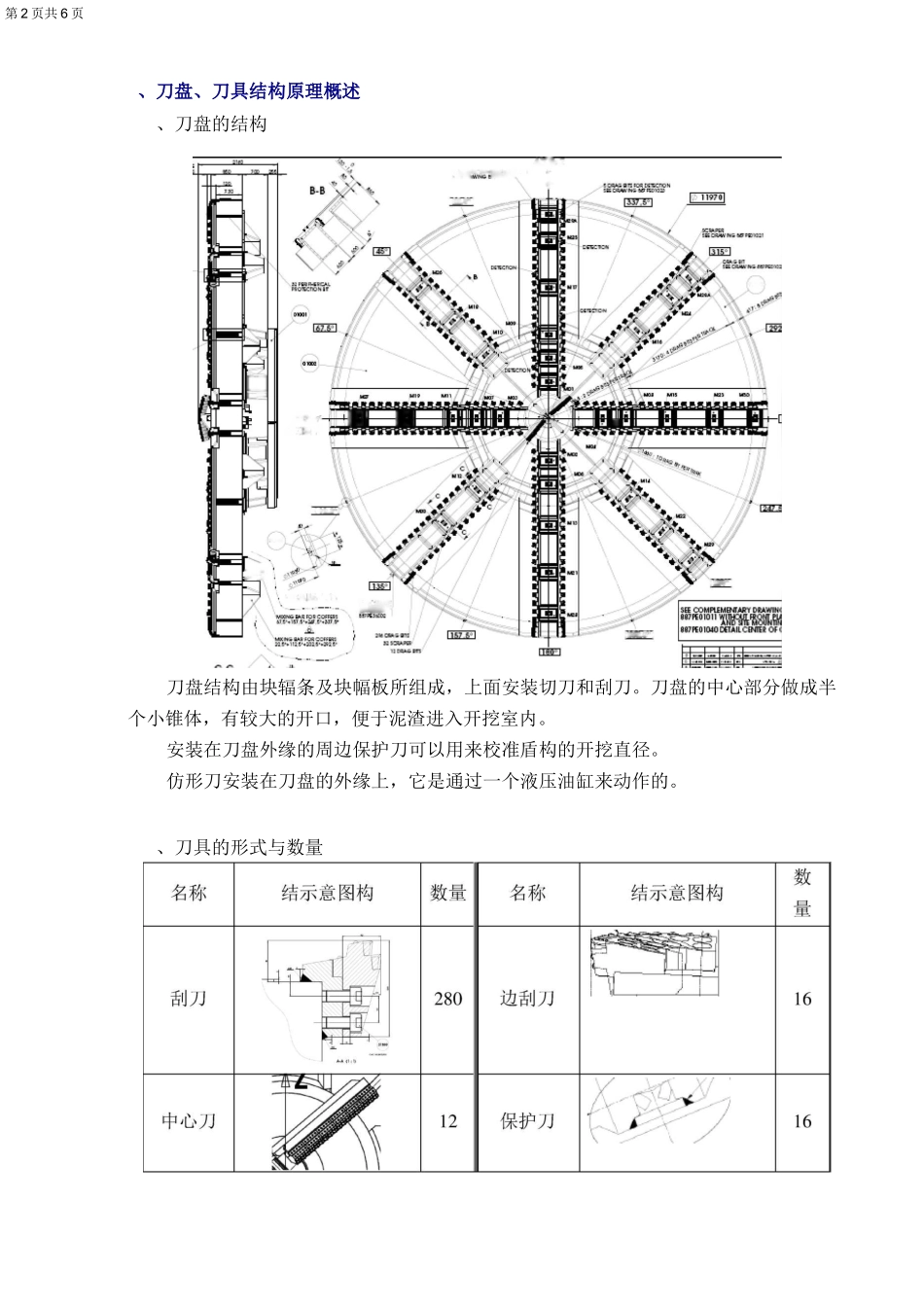
第 1 页共 6 页刀盘刀具检查作业指导书、目的•规范操作程序,指导现场施工;•确保刀盘、刀具检查作业的安全;•确保刀盘、刀具检查作业的质量,提高检查作业的速度;、适用范围本指导书适用于北京地下直径线隧道工程所采用的① 11.97m 泥水加压平衡式盾构。、刀具更换安全、质量、环境保护、文明施工管理要求(1)刀具检查必须实行土木和机电工程师值班制度;(2)刀具检查机具使用按照相关机具操作规程进行;(3)刀具检查作业中的安全,做到自防、互防和联防;(4)刀具检查所使用的废弃物应该统一回收,避免造成环境污染。、编制依据(1)本项目工程概况;(2)本项目工程地质、水文地质情况;(3)用于本项目的泥水气压平衡盾构机技术资料(4)国家盾构掘进施工相关规范;(5)国家和相关行业技术规范;(6)以往盾构施工技术经验;第 2 页共 6 页|22.■1112>rH1225 : | 1202.emtEJ3—AXB:¥cmzijniE-SCAE:1/5HI1AX6:ZMvjciinE».=jarniMGU 细I:诂冲事呦曲IIIIilHIl|、刀盘、刀具结构原理概述、刀盘的结构刀盘结构由块辐条及块幅板所组成,上面安装切刀和刮刀。刀盘的中心部分做成半个小锥体,有较大的开口,便于泥渣进入开挖室内。安装在刀盘外缘的周边保护刀可以用来校准盾构的开挖直径。仿形刀安装在刀盘的外缘上,它是通过一个液压油缸来动作的。、刀具的形式与数量第 3 页共 6 页、刀具检查开仓前注意事项(1)到达停机位置前,观察掘进速度、推力、转速、压力的变化。(2)必须由值班工程师或土木总工确认准备的停机位置,后才能停机。(3)按照人行气闸文件中的相关章节,使工作人员适应开挖室内的压力条件,以便在压缩空气下进行工作,如果常压开仓,进入停止加压。(4)对隧道开挖面和水位,予以严密监视。(5)必须提供压缩空气设备,并且这些设备必须是完好可用的。(6)只有当设备处于怠速备用状态下,方可进行维护工作;(7)气闸室作为应急室使用,必须保证所有人员随时可以进入。门锁不得被管路、缆线或其它材料堵塞。(8)所有人员均必需佩戴安全用具,并且必须将其固定到专用的固定点上,特别是在对刀盘作业过程中。(9)开挖室内具备新鲜的气源。(10)作业时,必须小心、细致!、开仓检查程序在准备开仓时必须先将刀盘前的水放掉,然后泄压,作业技术工程师确认工作面常压,并且液位已经下降到底部,再开仓。开仓时必须严格按照作业指导书进行。(1)由值班工程师确认里程是否准确,并准备停机。(2)...

1、当您付费下载文档后,您只拥有了使用权限,并不意味着购买了版权,文档只能用于自身使用,不得用于其他商业用途(如 [转卖]进行直接盈利或[编辑后售卖]进行间接盈利)。
2、本站所有内容均由合作方或网友上传,本站不对文档的完整性、权威性及其观点立场正确性做任何保证或承诺!文档内容仅供研究参考,付费前请自行鉴别。
3、如文档内容存在违规,或者侵犯商业秘密、侵犯著作权等,请点击“违规举报”。

碎片内容

刀盘刀具检查作业指导书(更改)

您可能关注的文档

wxg+ 关注
实名认证
内容提供者

该用户很懒,什么也没介绍

确认删除?
VIP
微信客服
  • 扫码咨询
会员Q群
  • 会员专属群点击这里加入QQ群
客服邮箱
回到顶部