电脑桌面
添加小米粒文库到电脑桌面
安装后可以在桌面快捷访问

《混凝土结构设计规范》GB50010VIP专享

《混凝土结构设计规范》GB50010_第1页
1/6
《混凝土结构设计规范》GB50010_第2页
2/6
《混凝土结构设计规范》GB50010_第3页
3/6
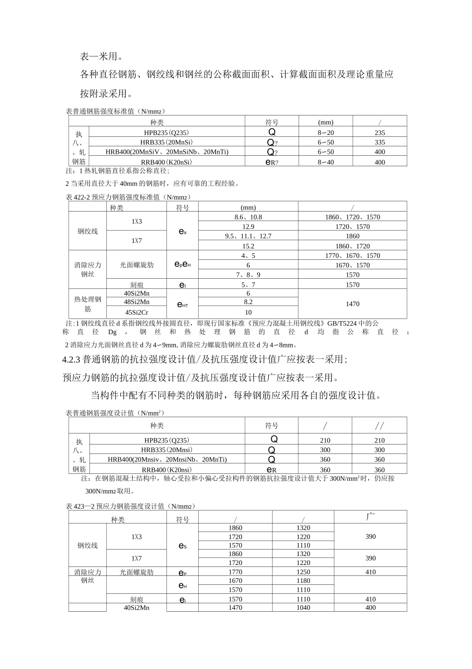
《混凝土结构设计规范》GB50010-20023 基本设计和规定1.1.8 未经技术鉴定或设计许可,不得改变结构的用途和使用环境。1.2..1 根据建筑结构破坏后果的严重程度,建筑结构划分为三个安全等级。设计时应根据具体情况,按照表 3.2.1 的规定选用相应的安全等级。表 3.2.1 建筑结构的安全等级安全等级破坏后果建筑物类型一级很严重重要的建筑物二级严重一般的建筑物三级不严重次要的建筑物注:对有特殊要求的建筑,其安全等级应根据具体情况另行确定。1.1.3 混凝土轴心抗压、轴心抗拉强度标准值/、/应按表 4.1.3 采用。表 4.1.3 混凝土强度标准值(N/mm2)强度种类混凝土强度等级C15C20C25C30C35C40C45C50C55C60C65C70C75C80/10.013.416.720.123.426.829.632.435.538.541.544.547.450.2/1.271.541.782.012.202.392.512.642.742.852.932.993.053.111.1.4 混凝土轴心抗压、轴心抗拉强度设计值/、/应按表采用。表混凝土强度设计值(N/mm2)强度种类混凝土强度等级C15C20C25C30C35C40C45C50C55C60C65C70C75C80/7.29.611.914.316.719.121.123.125.327.529.731.833.835.9/0.911.101.271.431.571.711.801.891.962.042.092.142.182.22注:1.计算现浇钢筋混凝土轴心受压及偏心受压构件时,如截面的长边或直径小于 300mm,则表中混凝土的强度设计值应乘以系数 0.8;当构件质量(如混凝土成型、截面和轴线尺寸等)确有保证时,可不受此限制;2.离心混凝土的强度设计值应按专门标准取用。1.2.2 钢筋的强度标准值应具有不小于 95%的保证率。热轧钢筋的强度标准值系根据屈服强度确定,用/表示。预应力钢绞线、钢丝和热处理钢筋的强度标准值系根据极限抗拉强度确定,用/表示。普通钢筋的强度标准值应按表一采用;预应力钢筋的强度标准值应按表—米用。各种直径钢筋、钢绞线和钢丝的公称截面面积、计算截面面积及理论重量应按附录采用。表普通钢筋强度标准值(N/mm2)种类符号(mm)/执八、、轧钢筋HPB235(Q235)Q8〜20235HRB335(20MnSi)Q?6〜50335HRB400(20MnSiV、20MnSiNb、20MnTi)Q?6〜50400RRB400(K20nSi)eR?8〜40400注:1 热轧钢筋直径系指公称直径;2 当采用直径大于 40mm 的钢筋时,应有可靠的工程经验。表 422-2 预应力钢筋强度标准值(N/mm2)种类符号(mm)/钢绞线1X3es8.6、10.81860、1720、157012.91720、15701X79.5、11.1、12.7186015.21860、1720消除应力钢丝光面螺旋肋epeH4、51770、1670、157061670、15707、8、91570刻痕eI5、71570热...

1、当您付费下载文档后,您只拥有了使用权限,并不意味着购买了版权,文档只能用于自身使用,不得用于其他商业用途(如 [转卖]进行直接盈利或[编辑后售卖]进行间接盈利)。
2、本站所有内容均由合作方或网友上传,本站不对文档的完整性、权威性及其观点立场正确性做任何保证或承诺!文档内容仅供研究参考,付费前请自行鉴别。
3、如文档内容存在违规,或者侵犯商业秘密、侵犯著作权等,请点击“违规举报”。

碎片内容

《混凝土结构设计规范》GB50010

确认删除?
VIP
微信客服
  • 扫码咨询
会员Q群
  • 会员专属群点击这里加入QQ群
客服邮箱
回到顶部