电脑桌面
添加小米粒文库到电脑桌面
安装后可以在桌面快捷访问

窗台渗漏水的根本原因与解决方案

窗台渗漏水的根本原因与解决方案_第1页
1/7
窗台渗漏水的根本原因与解决方案_第2页
2/7
窗台渗漏水的根本原因与解决方案_第3页
3/7
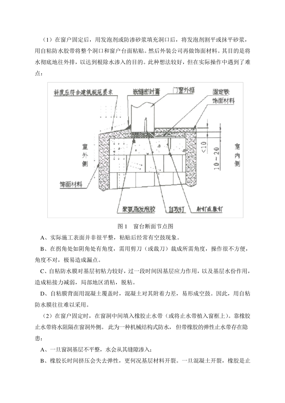
窗台渗漏水的根本原因与解决方案 1 、引言 无论是塑料窗还是铝窗以及其它窗户,包括窗式幕墙,其窗台渗漏水现象非常严重。一旦涉及到窗台渗水,窗户安装公司与土建方往往对此现象发生争论。窗户安装公司认为其制作的窗户和安装过程符合规范,窗台渗漏水的原因与其无关。对于土建方来说更是振振有词:土建方的责任只在墙体本身,并留出符合规范的窗户洞口,最多在窗户洞口抹上防渗砂浆。我们先不妨搁置到底是哪一家的责任,先对渗漏水的原因作一分析并提出解决方案。 2 、窗台渗漏的根本原因 (1)窗户渗漏水现象: 窗户安装后发生渗漏水现象表现在○1 窗台两边阴角部位渗漏水○2 窗台台面渗漏水○3 窗台下部墙体渗漏水○4 其它部位 窗户本身的制作过程在密封方面首先假设是完美的,如中空玻璃密封,窗框(扇)组角部分密封,组角断口部分密封,中挺部分密封,玻璃与窗框(扇)之间密封,以及窗户其它各细部密封部位皆一切完好,不可能发生渗漏水现象。但即使如此窗户在墙体安装后,窗台等部位还会发生渗漏水现象。 A、许多建筑人士认为窗台部位渗水是窗户安装人员安装不完善所造成。其实这是误解。 B、对于窗户安装公司来说,安装粗糙或有缺陷,确能造成漏水。但是即使安装再规范,再一丝不苟,仍然会发生渗漏水现象。 在安装过程中,假设所有工序一律不省掉并严格按规范做。例如: ○1 在安装前土建方在窗户洞口和窗户台面做了防渗砂浆。 ○2 门窗公司安装时,在洞口使用了发泡剂(胶),或用防渗砂浆填充洞口,并且洞口腔内填实,填满; ○3 外墙装修公司贴完瓷砖或涂布外墙漆或安装其它饰面材料后,再在窗框与饰面材料台面(或立面)阴角部打上硅酮胶或密封胶。而硅酮胶或密封胶,符合要求,其抗位移能力在±25%以上,并且也不会发生开裂。 ○4 窗户台面做了排水坡度,并且还做了滴水槽,瓷砖沟缝腻子也是高等级的,完全符合要求。 ○5其它所考虑的工序完全考虑进来。如安装窗户时对角线尺寸也不符合要求等等。 但是,尽管做了以上各种有效的且严格的措施,但在大雨天窗仍然发生渗漏水现象。有的还十分严重。 (2)窗户安装后对渗漏原因的错误理解。 ○1许多人士误认为聚氨酯发泡剂(胶)能解决洞口渗漏水问题。发泡剂确有许多优点,如有绝热、粘接、解决窗户软质连接以及消除应力集中作用等功能。但它是多孔性材料,它不具有防水作用。即使有人声称其能提供防水发泡胶,但其充量也只是增加了发泡剂中的闭孔率。如单...

1、当您付费下载文档后,您只拥有了使用权限,并不意味着购买了版权,文档只能用于自身使用,不得用于其他商业用途(如 [转卖]进行直接盈利或[编辑后售卖]进行间接盈利)。
2、本站所有内容均由合作方或网友上传,本站不对文档的完整性、权威性及其观点立场正确性做任何保证或承诺!文档内容仅供研究参考,付费前请自行鉴别。
3、如文档内容存在违规,或者侵犯商业秘密、侵犯著作权等,请点击“违规举报”。

碎片内容

窗台渗漏水的根本原因与解决方案

您可能关注的文档

确认删除?
VIP
微信客服
  • 扫码咨询
会员Q群
  • 会员专属群点击这里加入QQ群
客服邮箱
回到顶部