电脑桌面
添加小米粒文库到电脑桌面
安装后可以在桌面快捷访问

立邦涂装废水处理方案

立邦涂装废水处理方案_第1页
1/20
立邦涂装废水处理方案_第2页
2/20
立邦涂装废水处理方案_第3页
3/20
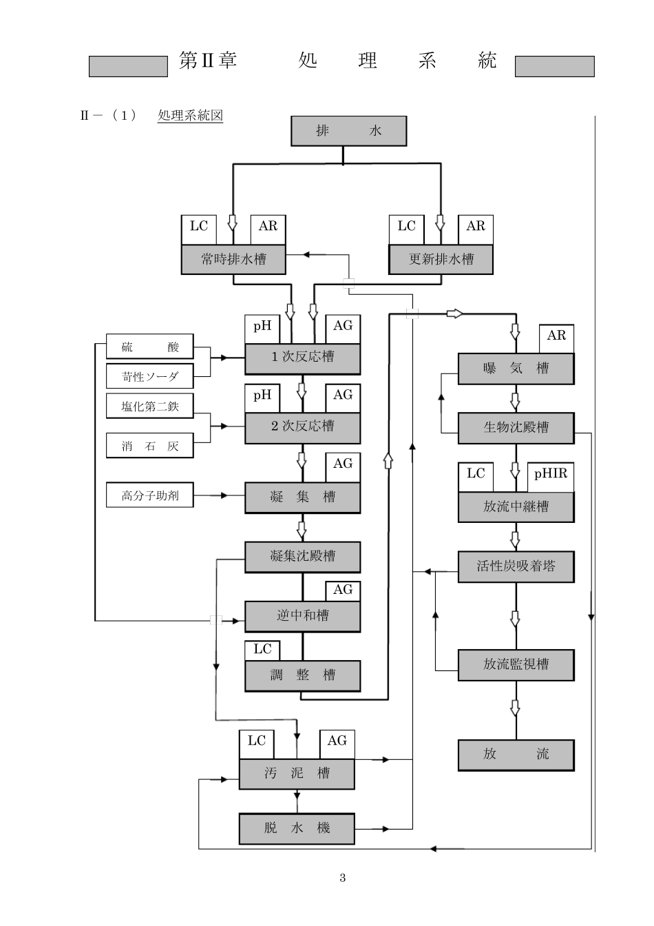
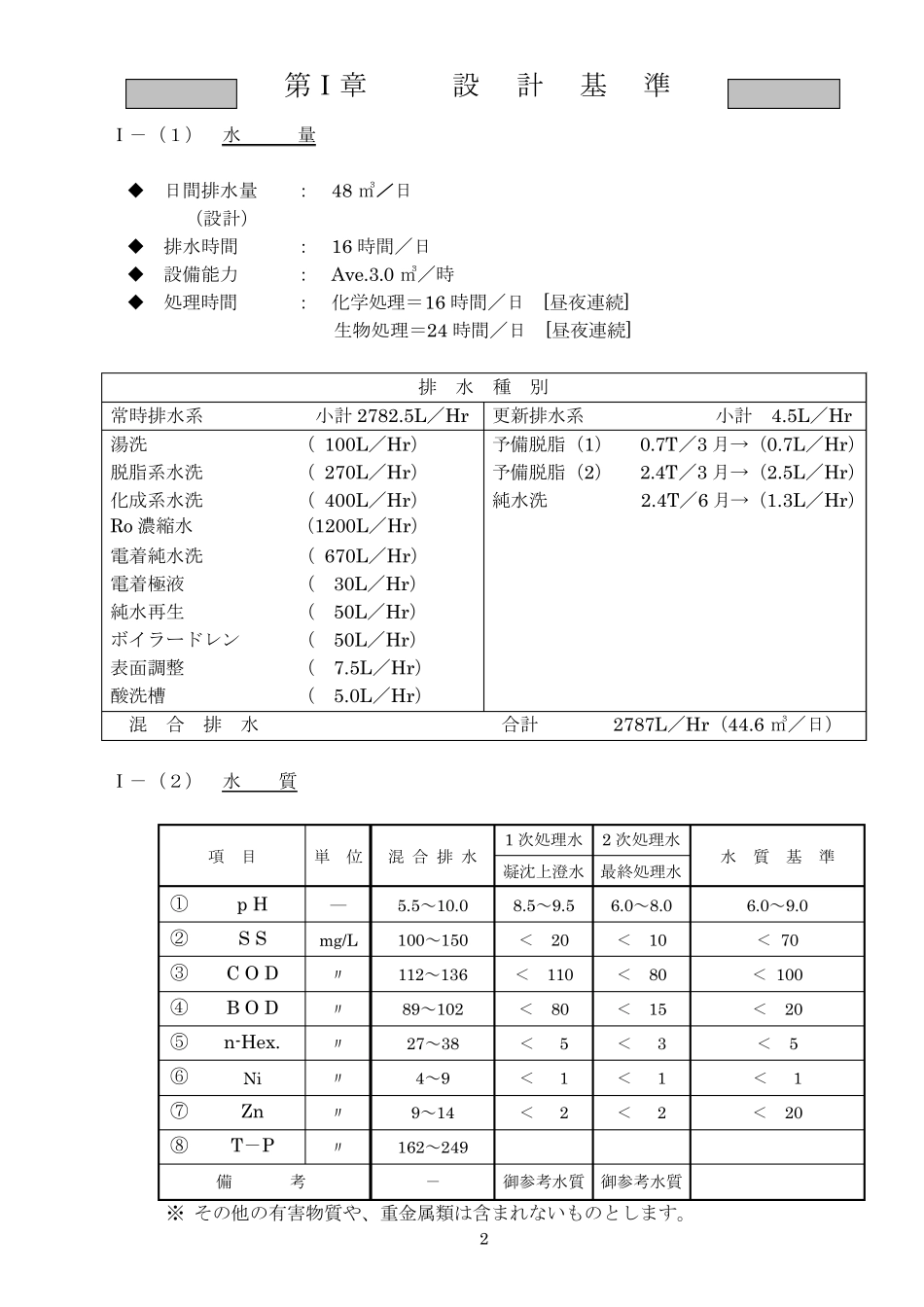
殿向 表面処理排水処理設備 製 作 仕 様 書 ・作 成 年 月 日・改訂(1) 年 月 日・改訂(2) 年 月 日・改訂(3) 年 月 日・改訂(4) 2 第Ⅰ章 設 計 基 準 Ⅰ-(1) 水 量 ◆ 日間排水量 : 48 ㎥/日 (設計) ◆ 排水時間 : 16 時間/日 ◆ 設備能力 : Ave.3.0 ㎥/時 ◆ 処理時間 : 化学処理=16 時間/日 [昼夜連続] 生物処理=24 時間/日 [昼夜連続] 排 水 種 別 常時排水系 小計2782.5L/Hr 更新排水系 小計 4.5L/Hr 湯洗 ( 100L/Hr) 予備脱脂(1) 0.7T/3 月→(0.7L/Hr) 脱脂系水洗 ( 270L/Hr) 予備脱脂(2) 2.4T/3 月→(2.5L/Hr) 化成系水洗 ( 400L/Hr) 純水洗 2.4T/6 月→(1.3L/Hr) Ro 濃縮水 (1200L/Hr) 電着純水洗 ( 670L/Hr) 電着極液 ( 30L/Hr) 純水再生 ( 50L/Hr) ボイラードレン ( 50L/Hr) 表面調整 ( 7.5L/Hr) 酸洗槽 ( 5.0L/Hr) 混 合 排 水 合計 2787L/Hr(44.6 ㎥/日) Ⅰ-(2) 水 質 項 目 単 位 混 合 排 水 1 次処理水 2 次処理水 水 質 基 準 凝沈上澄水 最終処理水 ① p H ― 5.5~10.0 8.5~9.5 6.0~8.0 6.0~9.0 ② S S mg/L 100~150 < 20 < 10 < 70 ③ C O D 〃 112~136 < 110 < 80 < 100 ④ B O D 〃 89~102 < 80 < 15 < 20 ⑤ n-Hex. 〃 27~38 < 5 < 3 < 5 ⑥ Ni 〃 4~9 < 1 < 1 < 1 ⑦ Zn 〃 9~14 < 2 < 2 < 20 ⑧ T-P 〃 162~249 備 考 - 御参考水質 御参考水質 ※ その他の有害物質や、重金属類は含まれないものとします。 3 第Ⅱ章 処 理 系 統 Ⅱ-(1) 処理系統図 pH AG 1 次反応槽 硫 酸 塩化第二鉄 排 水 LC 常時排水槽 LC 更新排水槽 pH AG 2 次反応槽 AG 凝 集 槽 凝集沈殿槽 LC AG 逆中和槽 LC AG 汚 泥 槽 脱 水 機 消 石 灰 高分子助剤 AR 曝 気 槽 生物沈殿槽 LC 放流中継槽 活性炭吸着塔 pHIR 放流監視槽 放 流 苛性ソーダ 調 整 槽 AR AR 4 Ⅱ-(2) 流れの説明 はじめに 排水は、比較的、希薄な『塗装前処理排水系』の常時排水と濃厚な『予備 脱脂更新排水、電着純水洗系』から成り、前者と後者とは別々...

1、当您付费下载文档后,您只拥有了使用权限,并不意味着购买了版权,文档只能用于自身使用,不得用于其他商业用途(如 [转卖]进行直接盈利或[编辑后售卖]进行间接盈利)。
2、本站所有内容均由合作方或网友上传,本站不对文档的完整性、权威性及其观点立场正确性做任何保证或承诺!文档内容仅供研究参考,付费前请自行鉴别。
3、如文档内容存在违规,或者侵犯商业秘密、侵犯著作权等,请点击“违规举报”。

碎片内容

立邦涂装废水处理方案

您可能关注的文档

确认删除?
VIP
微信客服
  • 扫码咨询
会员Q群
  • 会员专属群点击这里加入QQ群
客服邮箱
回到顶部