电脑桌面
添加小米粒文库到电脑桌面
安装后可以在桌面快捷访问

第10章建筑剖面图绘制

第10章建筑剖面图绘制_第1页
1/43
第10章建筑剖面图绘制_第2页
2/43
第10章建筑剖面图绘制_第3页
3/43
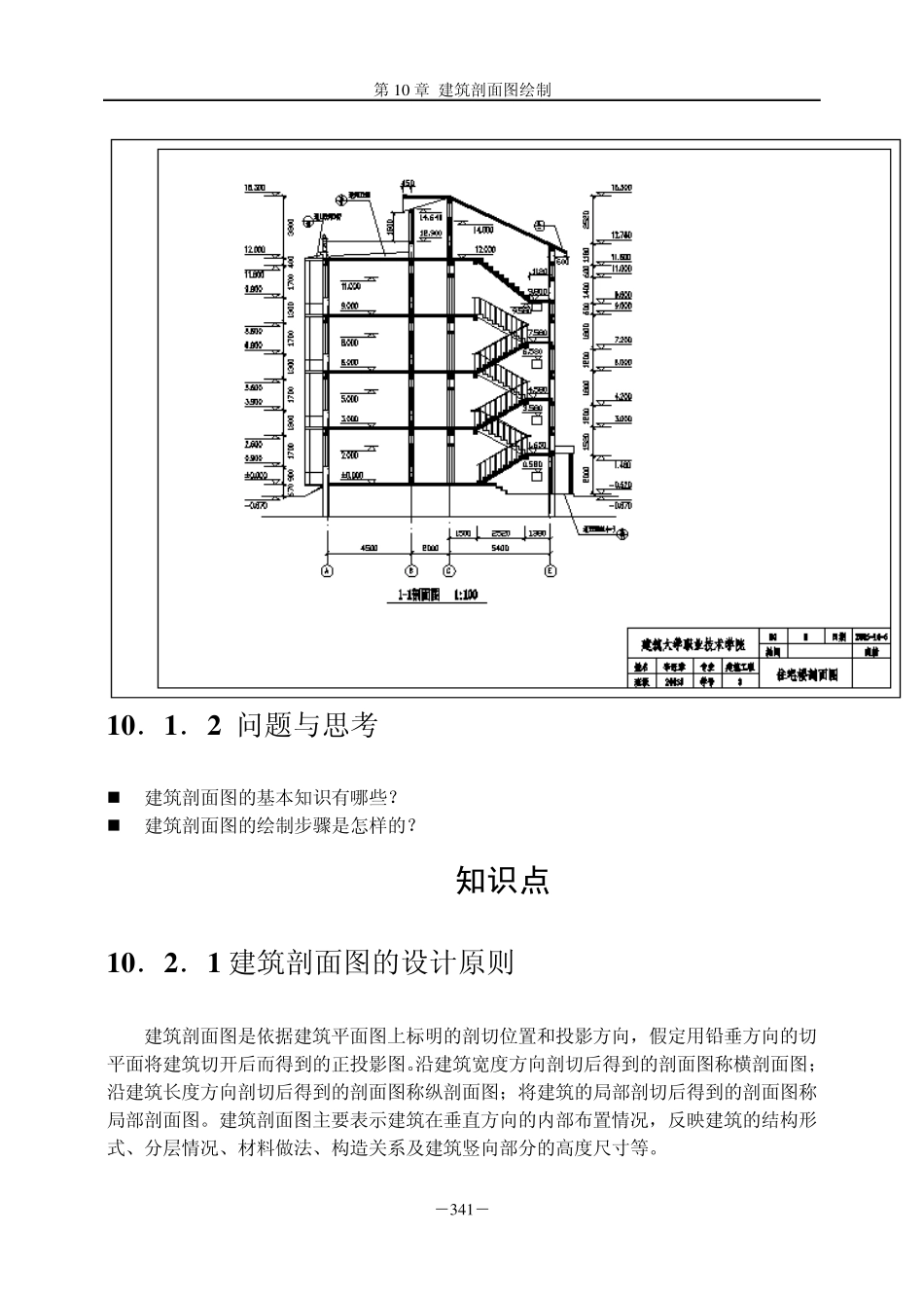
第10章 建筑剖面图绘制 本章着重介绍建筑剖面图的基本知识和绘制方法,并制一副完整的建筑剖面图。绘制建筑剖面图首先要设置绘图环境,再绘制出辅助线,然后分别绘制各种图形元素,一般情况下,墙线和楼板用多线命令绘制,门窗和梁综合利用块操作、复制命令和阵列命令绘制,绘制楼梯时用阵列命令能大大加快绘图效率。剖面图的标注方法与立面图的标注方法类似。同时,必须注意建筑剖面图必须和建筑总平面图、建筑平面图、建筑立面图相互对应。 本章主要内容:  建筑剖面图的基本知识。  建筑剖面图的绘制步骤。 10.1 任务导入与问题的提出 1 0 .1 .1 任务导入 本章将以图1 0 -1 所示的剖面图为例,详细讲述建筑剖面图的绘制过程及方法。 第1 0 章 建筑剖面图绘制 ―3 4 1 ― 图1 0 -1 1 0 .1 .2 问题与思考  建筑剖面图的基本知识有哪些?  建筑剖面图的绘制步骤是怎样的? 10.2 知识点 1 0 .2 .1 建筑剖面图的设计原则 建筑剖面图是依据建筑平面图上标明的剖切位置和投影方向,假定用铅垂方向的切平面将建筑切开后而得到的正投影图。沿建筑宽度方向剖切后得到的剖面图称横剖面图;沿建筑长度方向剖切后得到的剖面图称纵剖面图;将建筑的局部剖切后得到的剖面图称局部剖面图。建筑剖面图主要表示建筑在垂直方向的内部布置情况,反映建筑的结构形式、分层情况、材料做法、构造关系及建筑竖向部分的高度尺寸等。 AutoCAD2007 建筑制图实用教程 ―342― 1 0 .2 .2 建筑剖面图设计内容 建筑剖面设计的主要内容为:房间竖向的形状、比例、层数、组合各部分高度、采光通风、空间利用等。房间层高和净高的确定依据是:室内家具设备、人体活动、采光通风、结构类型、照明、技术条件及室内空间比例等要求。 建筑剖面图主要表示建筑物内部垂直方向的高度、楼层分层、垂直空间的利用以及简要的结构形式和构造方式等情况。 1.剖切到的各部位的位置、形状,如室内外地面、楼板层、屋顶层、内外墙、楼梯梯段等; 2.剖切到的可见部分,如楼梯栏杆和扶手、踢脚线、门窗; 3.内外墙的尺寸及标高; 4.墙体的定位轴线、编号; 5.详图索引符号。 10.3 任务的实施 1 0 .3 .1 设置绘图环境 1 .使用样板创建新图形文件 单击【标准】工具栏中的新建命令按钮,弹出【创建新图形】对话框。单击使用样板命令按钮,从【选择对象】列表框中选择样板文件“A3 建筑图模板.dwt...

1、当您付费下载文档后,您只拥有了使用权限,并不意味着购买了版权,文档只能用于自身使用,不得用于其他商业用途(如 [转卖]进行直接盈利或[编辑后售卖]进行间接盈利)。
2、本站所有内容均由合作方或网友上传,本站不对文档的完整性、权威性及其观点立场正确性做任何保证或承诺!文档内容仅供研究参考,付费前请自行鉴别。
3、如文档内容存在违规,或者侵犯商业秘密、侵犯著作权等,请点击“违规举报”。

碎片内容

第10章建筑剖面图绘制

您可能关注的文档

小辰2+ 关注
实名认证
内容提供者

出售各种资料和文档

确认删除?
VIP
微信客服
  • 扫码咨询
会员Q群
  • 会员专属群点击这里加入QQ群
客服邮箱
回到顶部