电脑桌面
添加小米粒文库到电脑桌面
安装后可以在桌面快捷访问

二级减速器设计说明书

二级减速器设计说明书_第1页
1/23
二级减速器设计说明书_第2页
2/23
二级减速器设计说明书_第3页
3/23
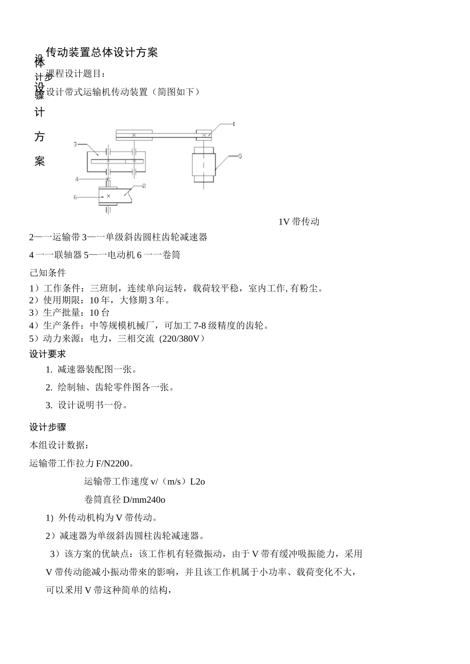
精心整理《机械设计》课程设计设计题目:带式输送机传动装置的设计内装:1>设计计算说明书一份2、减速器装配图一张3、轴零件图一张4、齿轮零件图一张目录一课程设计任务书二设计要求三设计步骤1•传动装置总体设计方案2. 电动机的选择3. 确定传动装置的总传动比和分配传动比4. 计算传动装置的运动和动力参数5. 设计 V 带和带轮6. 齿轮的设计7. 滚动轴承和传动轴的设计8. 键联接设计9. 箱体结构的设计10. 润滑密封设计11. 联轴器设计四设计小结五参考资料体设计方案设计步骤传动装置总体设计方案课程设计题目:设计带式运输机传动装置(简图如下)1V 带传动2—一运输带 3—一单级斜齿圆柱齿轮减速器4 一一联轴器 5—一电动机 6 一一卷筒己知条件1)工作条件:三班制,连续单向运转,载荷较平稳,室内工作,有粉尘。2)使用期限:10 年,大修期 3 年。3)生产批量:10 台4)生产条件:中等规模机械厂,可加工 7-8 级精度的齿轮。5)动力来源:电力,三相交流(220/380V)设计要求1. 减速器装配图一张。2. 绘制轴、齿轮零件图各一张。3. 设计说明书一份。设计步骤本组设计数据:运输带工作拉力 F/N2200。运输带工作速度 v/(m/s)L2o卷筒直径 D/mm240o1)外传动机构为 V 带传动。2)减速器为单级斜齿圆柱齿轮减速器。3)该方案的优缺点:该工作机有轻微振动,由于 V 带有缓冲吸振能力,采用V 带传动能减小振动带來的影响,并且该工作机属于小功率、载荷变化不大,可以釆用 V 带这种简单的结构,并且价格便宜,标准化程度高,大幅降低了成本。减速器部分为单级斜齿圆柱齿轮减速器,这是单级圆柱齿轮中应用较广泛的一种。原动机部分为 Y 系列三相交流异步电动机。总体來讲,该传动方案满足工作机的性能要求,适应工作条件、工作可靠,此外还结构简单、尺寸紧凑、成本低传动效率高。电动机的选择电动机的选择1)选择电动机的类型按工作要求和工作条件选用 Y 系列三相笼型异步电动机,全封闭自扇冷式结构,额定电压 380Vo2)选择电动机的容量工作机的有效功率为从电动机到工作机传送带间的总效率为由《机械设计课程设计手册》表 1 一 7 可知:71:V 带传动效率 0.96“2:滚动轴承效率 0.99(球轴承)齿轮传动效率 0.97(8 级精度一般齿轮传动)“4:联轴器传动效率 0.99(弹性联轴器)“5:卷筒传动效率 0.96所以电动机所需工作功率为3)确定电动机转速按表 13—2 推荐的传动比合理范围,单级圆柱...

1、当您付费下载文档后,您只拥有了使用权限,并不意味着购买了版权,文档只能用于自身使用,不得用于其他商业用途(如 [转卖]进行直接盈利或[编辑后售卖]进行间接盈利)。
2、本站所有内容均由合作方或网友上传,本站不对文档的完整性、权威性及其观点立场正确性做任何保证或承诺!文档内容仅供研究参考,付费前请自行鉴别。
3、如文档内容存在违规,或者侵犯商业秘密、侵犯著作权等,请点击“违规举报”。

碎片内容

二级减速器设计说明书

确认删除?
VIP
微信客服
  • 扫码咨询
会员Q群
  • 会员专属群点击这里加入QQ群
客服邮箱
回到顶部