电脑桌面
添加小米粒文库到电脑桌面
安装后可以在桌面快捷访问

职业病隐患排查表VIP专享

职业病隐患排查表_第1页
1/18
职业病隐患排查表_第2页
2/18
职业病隐患排查表_第3页
3/18
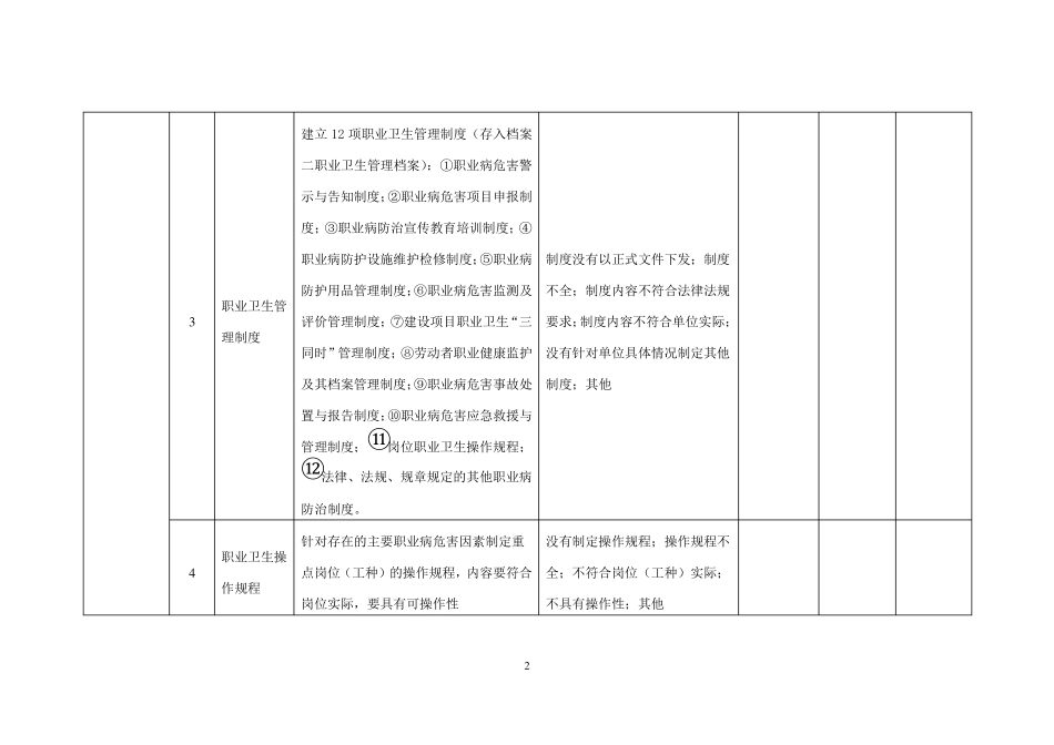
1 职 业病隐患排查表(附录 1) 大 类 小 类 标准要求 存在隐患 整改 要求 整改期限 责任人 基础管理 1 职业病防治责任制 经过单位主要负责人批准的正式文件;涵盖从主要负责人到普通员工的所有岗位职责和相关管理部门责任体系:责任清晰,符合岗位实际;与单位实际存在的岗位相符合。 没有以正式文件下发;责任人、部门或岗位不全;责任不清;防治责任不符合单位实际;其他 2 职业卫生管理机构及人员 严重用人单位,应当设置或指定职业卫生管理机构,配备专职管理人员。其他存在职业危害用人单位,劳动者超过1 0 0 人,设置或指定职业卫生管理机构,配备专职职业卫生管理人员;劳动者在1 0 0 人以下,配备专(兼)职职业卫生管理人员;应有经过单位主要负责人批准的机构成立正式文件;人员任命文件 无机构或无成立机构文件及文件不规范;没有配备专兼职人员或无任命文件;其他 2 3 职业卫生管理制度 建立12 项职业卫生管理制度(存入档案二职业卫生管理档案):①职业病危害警示与告知制度;②职业病危害项目申报制度;③职业病防治宣传教育培训制度;④职业病防护设施维护检修制度;⑤职业病防护用品管理制度;⑥职业病危害监测及评价管理制度;⑦建设项目职业卫生“三同时”管理制度;⑧劳动者职业健康监护及其档案管理制度;⑨职业病危害事故处置与报告制度;⑩职业病危害应急救援与管理制度;⑪岗位职业卫生操作规程;⑫法律、法规、规章规定的其他职业病防治制度。 制度没有以正式文件下发;制度不全;制度内容不符合法律法规要求;制度内容不符合单位实际;没有针对单位具体情况制定其他制度;其他 4 职业卫生操作规程 针对存在的主要职业病危害因素制定重点岗位(工种)的操作规程,内容要符合岗位实际,要具有可操作性 没有制定操作规程;操作规程不全;不符合岗位(工种)实际;不具有操作性;其他 3 5 职业卫生教育培训 主要负责人和职业卫生管理人员参加职业健康专题培训,并取得培训合格证书;对劳动者进行上岗前的职业卫生培训和在岗期间的定期职业卫生培训;对职业病危害严重的岗位的劳动者,要进行专门的职业卫生培训,并经培训合格; 劳动者接触的职业病危害因素发生变化的,应当重新对劳动者进行上岗前的职业卫生培训 主要负责人、职业卫生管理人员没有参加安监部门组织的系统培训;职工没有参加上岗前和定期培训;严重岗位职工没有进行专门培训;职业病危害因素变化的职工没有进行...

1、当您付费下载文档后,您只拥有了使用权限,并不意味着购买了版权,文档只能用于自身使用,不得用于其他商业用途(如 [转卖]进行直接盈利或[编辑后售卖]进行间接盈利)。
2、本站所有内容均由合作方或网友上传,本站不对文档的完整性、权威性及其观点立场正确性做任何保证或承诺!文档内容仅供研究参考,付费前请自行鉴别。
3、如文档内容存在违规,或者侵犯商业秘密、侵犯著作权等,请点击“违规举报”。

碎片内容

职业病隐患排查表

确认删除?
VIP
微信客服
  • 扫码咨询
会员Q群
  • 会员专属群点击这里加入QQ群
客服邮箱
回到顶部